|
|
|
|
更新日:2019年6月11日 |
|
|
|
|
| 今回は短波ラジオを製作します。AMラジオの全局制覇は現在進行中ですので、しばらくお待ち下さい。原理はAMラジオと同じです。ラジオの受信部を屋外に設置して、受信感度を上げようとする試みです。ループアンテナは今回の一連の製作のものをを使用します。ループアンテナとアンテナチューナー、制御ユニットについてはこちらの記事をご覧下さい。 | |
| アンテナチューナーコントローラを作ろう | |
| アンテナチューナーコントローラを作ろう(2) | |
| アンテナチューナーとループアンテナを作ろう | |
![]() |
|
| (ループアンテナと受信システム構成) | |
| 既にお馴染みになりますが、室内には操作ユニットのみを残して受信ユニットは屋外に設置します。あくまでも個人的感想ですが、受信ユニットは室内にあるより屋外にある方がラジオの感度は良くなると信じています。では回路図を見てみましょう。 | |
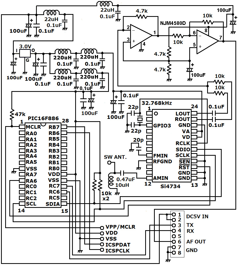
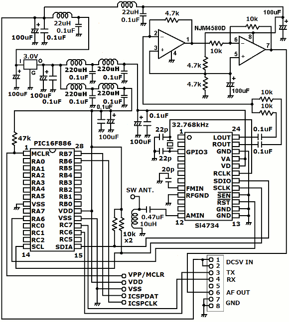
![]() |
|
| (受信ユニット回路図) | |
| 構成はAMラジオと同じです。DSPラジオのアンテナ接続部分が異なるのみです。DSPラジオ部には定番のシリコンラボ製Si4734を使用します。私は古い製作から取り出して使用していますので、ずっと同じICを使っていることになります。AMラジオの時と同じ説明になりますが、ラジオの音声は出力はOPアンプでバッファーをかましています。私の場合、受信ユニットと操作ユニット間はケーブル長さで5mほどあります。ラジオのチップに直接ケーブルが接続されないので、ノイズの影響を受けにくくなると思います。受信ユニットと操作ユニットはLANケーブルで接続します。電源部分にはLCフィルターを多用して、電源からのノイズを低減しています。電源の供給は操作ユニットから行います。AMラジオを受信していて判ったのですが、スマホの充電器でスマホに充電している時、かなりのノイズが電源ラインから飛び込んできます。そのようなノイズは防ぐことが出来ませんので、局を受信中は充電を控えることをお勧めします。ただ、全ての充電器がノイズを出している訳ではありませんので、お間違い無きよう。 | |
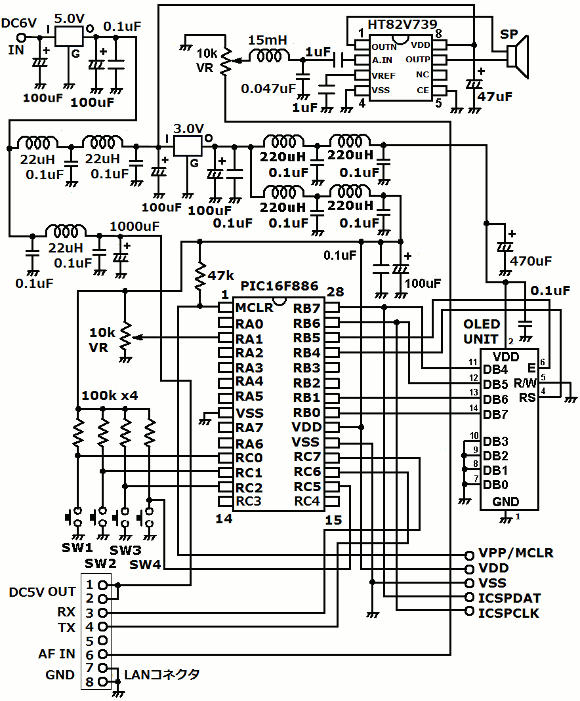
![]() |
|
| (操作ユニット回路図) | |
| 操作ユニットの構成はAMラジオの時と全く同じです。PICマイコンのソフトが異なるのみです。一応説明します。表示には8文字2行のOLED表示モジュールを使います。今私が使っているものはかなり前に購入したものですので、3V動作品ですが、今は5V動作のものが多いと思います。その辺りは各自で工夫して製作して下さい。音声アンプは過去の製作でよく使っている定番回路です。操作ユニットと受信ユニットはお互いのマイコンでUART通信をしています。距離が長いのでボーレートは9600bpsにしています。ACアダプター6V出力で必ずトランスタイプのものを使用して下さい。 | |
![]() |
|
| (UART通信のデータ) | |
| 通信はAMラジオとは異なります。操作ユニットから受信ユニットは2バイトデータです。周波数データをそのまま送ります。データが0〜4の時はバンド幅を切換えます。バンド幅の初期値は3kHzです。受信ユニットからは受信シグナルの強度を送ります。これはAMラジオと同じです。定期的に送ってきますから、リアルタイムの値ではありませんのでご注意下さい。アンテナチューナーがうまく同調しているかは受信音声を聞いていれば判ると思います。 | |
![]() |
|
| (受信ユニットのマイコンポート割付) | |
![]() |
|
| (操作ユニットのマイコンポート割付) | |
![]() |
|
| (PIC内部のEEPROM割付) | |
| EEPROMのバンクは2バンクとしました。各バンドに15局のプリセットが可能です。バンクの切換えは電源投入時にSW1,SW2のどちらかを押しながら投入することで切切換えます。詳しくはソースを見て下さい。電源を切っても前回のモードやプリセット番号を記憶しています。 | |
![]() |
|
| (各ボタンの操作モード) | |
| 4つのボタンを使って操作します。基本操作はAMラジオとほぼ同じです。但し今回は周波数ロックはありません。AMラジオの周波数ロックは受信音声を録音している時になにかの弾みで選局ボリュームを回してしまって録音を失敗することを防ぐためです。短波の場合はリアルタイム受信がメインと思いますので、付けませんでした。まあこのあたりは皆さんの好みで改造などして下さい。短波は受信周波数帯域が広いので、受信周波数バンドを切換えるようにしました。上図の「FREQ+/FREQ-」ボタンです。選局ボリュームの範囲が限られているので、下図のように単純に600kHzごとに区切っているだけです。今回は周波数上限を18300kHzとしました。この辺りも好みで改造してみて下さい。 | |
![]() |
|
| (周波数帯域切換え) | |
![]() |
|
| (各モードと表示) | |
| (受信ユニットの内部配置) | |
| 今回は過去の製作を使用しながら、新規製作部分もありますので、内部はかなりすっきりしています。 | |
| (DSPラジオ部はアルミ板でシールド) | |
| DSPラジオ部はアルミ板で他部分とシールドしています。 | |
| (背面のアンテナジャック) | |
| アンテナジャックにはRCAジャックを使用しています。 | |
| (操作ユニットの内部配置) | |
| こちらもかなり新作部分がありますので、内部はすっきりです。 | |
| (OLED表示モジュールの一部をシールド) | |
| このOLED表示モジュールは背面からかなりのノイズを発生しますので、アルミ板でシールドしています。今の購入出来るものはノイズを出さないもっと良いものかもしれません。 | |
| (操作面の配置) | |
| 操作ボタン、音量ボリューム、選局ボリュームを配置しています。 | |
| (操作ユニットと受信ユニットの接続) | |
| LANケーブルで接続します。 | |
| (前面の配置) | |
| 表示モジュールの色を変えてAMラジオとの違いをわかるようにしました。 | |
| (ループアンテナと受信システム) | |
| ループアンテナ、アンテナチューナー、制御ユニット、AMラジオ受信ユニット、短波ラジオ受信ユニットの全景です。不要なパイプも写っていますが、ご愛嬌。 | |
| (ループアンテナ制御と受信システム) | |
| 制御ユニットと各受信ユニットはベランダ側に隠してあります。さあ、これからは中波も短波も受信が楽しみになりました。受信報告は後日になりますが、まずはシステムの完成を祝いましょう。 | |
| 操作ユニットのマイコンソースはこちら 受信ユニットのマイコンソースはこちら |
|
| まだまだ楽しい製作は続きますが、まずはAM放送局受信に集中します。 | |
|
|
|
|
オーディオクラフト工房へ戻る |
|
|
|
|
|
|