|
|
|
|
更新日:2019年5月4日 |
|
|
|
|
| 衝撃的な情報が入ってきました。近い将来に中波のAMラジオ放送が無くなるっていう話題です。詳細は省きますが、今のうちにAM放送を聴いておくことが重要ではないかと。ということで、AMラジオ放送を聴くためのシステムを新たに構築することにしました。一部改造も含みますが、今回から数回に分けて製作を進めたいと思います。 | |
| 今までに何度もAMラジオを製作してきましたが、ΔLOOP7アンテナとの組み合わせでの受信がとても素晴らしいものでした。それらの記事はこちらを参照下さい。 | |
| DSP-AMラジオとΔLOOP7で中波DXを楽しむ | |
| ΔLOOP7はとても素晴らしいアンテナでラジオ放送の受信にとても重宝させて頂いております。しかしながらアンテナと受信機間の距離が長くなるとアンテナ制御に少し不安があるっていうのが正直なところです。そこで今回少しシステムを変えて制御はアンテナの近くで行い、操作を手元で行う方式にします。ΔLOOP7そのものの制御は同じですが、そこに至る制御を変えるシステムとします。 | |
![]() |
|
| (今回のアンテナ制御システム) | |
| ポイントは室内には操作ユニットのみを配置して、アンテナチューナーを制御するユニットは屋外に置いてアンテナチューナーのより近くで制御をするという方式です。今までは室内からアンテナチューナーを制御していたのでその間が長いとノイズが飛び込んで悪影響を与える恐れがありました。室内にもノイズ源があり、そのことも気になっていました。今回制御ユニットを屋外に置いてアンテナチューナーに近づけることで、それらの影響を排除出来るのでは考えました。 | |
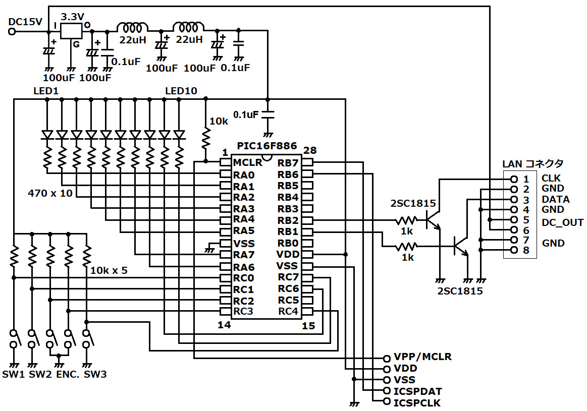
| 新たに製作するのは「操作ユニット」と「制御ユニット」です。まず最初に「操作ユニット」を製作します。中身を理解して頂くには、細かいことを書くより回路図を見て頂くのが一番早いと思います。 | |
![]() |
|
| (操作ユニットの回路図) | |
| 従来のシステムでボリュームで電圧制御していた部分を屋外の制御ユニット側に配置して室内の操作ユニットはその電圧を細かく制御するためのデータを送り出すことに専念するようにします。電圧制御用のデータはロータリーエンコーダーで操作します。データはシリアルで、クロックとデータでコントロールします。出力はオープンコレクタにします。マイコンは3.3V駆動です。電源からのノイズを低減するためにLCフィルターを組み込んでいます。どの程度の効果があるかはわかりませんが、無いよりは明らかに良いと思います。 | |
![]() |
|
| (シリアルデータの定義) | |
| シリアルデータは16bitとします。MSBファーストです。下位10bitを電圧制御用のデータとします。次回に製作する「制御ユニット」に10bit精度のポテンショメータICを配置してアンテナチューナーの電圧をコントロールします。既にシステムが出来上がっているので実験を行ったところ細かい調整が可能で電圧が変動しないのでとても素晴らしいシステムとなりました。他の2bitでSW-AMの切換え、SWのLo-Hiの切換えを行います。データは変化があった時のみ送信を行います。そうすることで伝送系からのAM受信へのノイズを防ぐことが出来ます。 | |
| 10bitのデータは大まかな数値が判るように10個のLEDを配置しています。かなりコンパクトなケースに入れましたので、LEDは手持ちの先端が細いものを使用しました。とても高級感のある仕上がりになりました。 | |
| (アンテナチューナー操作ユニット) | |
| スイッチは左側からSW-AM切換え、Lo-Hi切換えです。一番右側のスイッチがロータリーエンコーダーのクリック倍率の切換えです。10bit分ですので1024のクリックがあります。周波数の低いところから高いところまでを回すのも大変ですからスイッチを切換えることで10倍のスピードで操作が出来ます。どの位置で放送周波数とアンテナチューナーとがカップリングするかは各自で操作することで体感して下さい。特に中波の同調はクリックの全エリアを使いませんので慎重な操作が必要です。しかしながら制御電圧が極めて安定しているので、ゆっくりエンコーダを回していると、浮き上がるように放送が聞こえてきます。 | |
![]() |
|
| (PICマイコンのポート割付) | |
| ロータリーエンコーダーの読み取りにかなりの工夫をしていますので、後で示すソースを見て頂けると幸いです。ゆっくり回しても早く回しても確実にクリックを読み取ります。 | |
| (コンパクトに配置された回路基板) | |
| (切換えスイッチの配置が絶妙ですね) | |
| (背面はこんな感じ) | |
| ケースは過去に製作したものを共用していますので、余分なところに穴が開いてますが気にしないでください。 | |
| (前面からの眺め) | |
| ロータリーエンコーダーのつまみは手持ちを使いました。何回転もするのでもう少し高級なタイプを使っても良いかもです。 | |
| (背面からの眺め) | |
| 「制御ユニット」との接続にはLANケーブルを使います。8ピンなので、多接続にはかなり重宝します。 | |
| (LANケーブル用ジャック) | |
| LANケーブル用のジャックはピン配置が千鳥ですので、変換基板込みで購入するほうが良いと思います。私は秋月さんで購入しました。 | |
| (トランスタイプのACアダプター) | |
| 回路に12Vのレギュレータを使っていますので15V程度のACアダプターが必要です。間違ってもスイッチングタイプではなく、トランスタイプを使用します。私は写真のように12V850mAタイプのものを使用しました。マルツさんから購入出来ます。このACアダプターはオープンで約18V程度出ますので今回の製作にはぴったりです。 | |
![]() |
|
| (出力波形を確認) | |
| 出力トランジスタのベース電圧を測定しました。赤色がクロックで黄色がデータです。きちんと16bitのデータが送れています。 | |
| PICのソースはこちらからダウンロードして下さい。 | |
| 次回は「制御ユニット」を作ります。とても素晴らしいシステムになっているので皆さんも製作の参考にして頂ければ幸いです。まだまだ製作は続きます。 | |
|
|
|
|
オーディオクラフト工房へ戻る |
|
|
|
|
|
|