|
|
|
|
更新日:2019年5月20日 |
|
|
|
|
| 今回は、前回までに作成したループアンテナとアンテナチューナーに接続して使用するAMラジオを製作します。予算の都合上、過去の製作の改造で対応しました。 | |
| AMラジオを聴いたことがある人は家の中より屋外で聴いたほうが良く聞こえるということを一度は体験していると思います。そこで今回公開するAMラジオは屋外に設置するという、大胆なことを行います。過去にチューナー部と操作・表示部を分離してAMラジオを作りました。今回はそれを改造します。それでは製作をスタートしましょう。過去の記事はこちら。 | |
| DSP-AMラジオを分離して作ろう | |
![]() |
|
| (ループアンテナとAMラジオのシステム構成) | |
| 室内には操作ユニットのみを残して受信ユニットは屋外に設置します。少なくとも室内に受信ユニットがある場合よりラジオの感度が良くなると信じています。では回路図を見てみましょう。 | |
![]() |
|
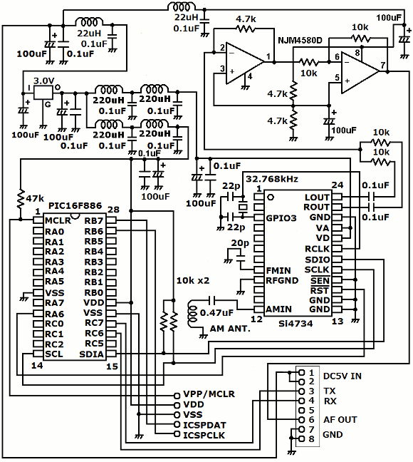
| (受信ユニット回路図) | |
| 受信ユニットにはDSPラジオ部、制御マイコン部、電源部、音声バッファ部があります。DSPラジオ部には定番のシリコンラボ製Si4734を使用します。Si4735も同様に使えます。ただ入手が少し難しい状況かもしれませんので、コンセプトは同じとしてDSPラジオ部を他のDSPチップに変えても良いかも知れません。もちろんDSPチップに合うようにソフトの改造は必要かと思います。私の製作が皆さんの製作のヒントになれば幸いです。ラジオの音声出力はOPアンプのバッファーをかまします。受信ユニットと操作ユニット間はケーブルで5m程度の距離があると思いますので、チューナーのチップに直接ケーブルが接続されないので、ノイズの影響を受けにくくなると思います。受信ユニットと操作ユニットはLANケーブルで接続します。電源部分にはLCフィルターを豊富に使用しています。電源からのノイズを低減しています。電源の供給は操作ユニットから行います。 | |
![]() |
|
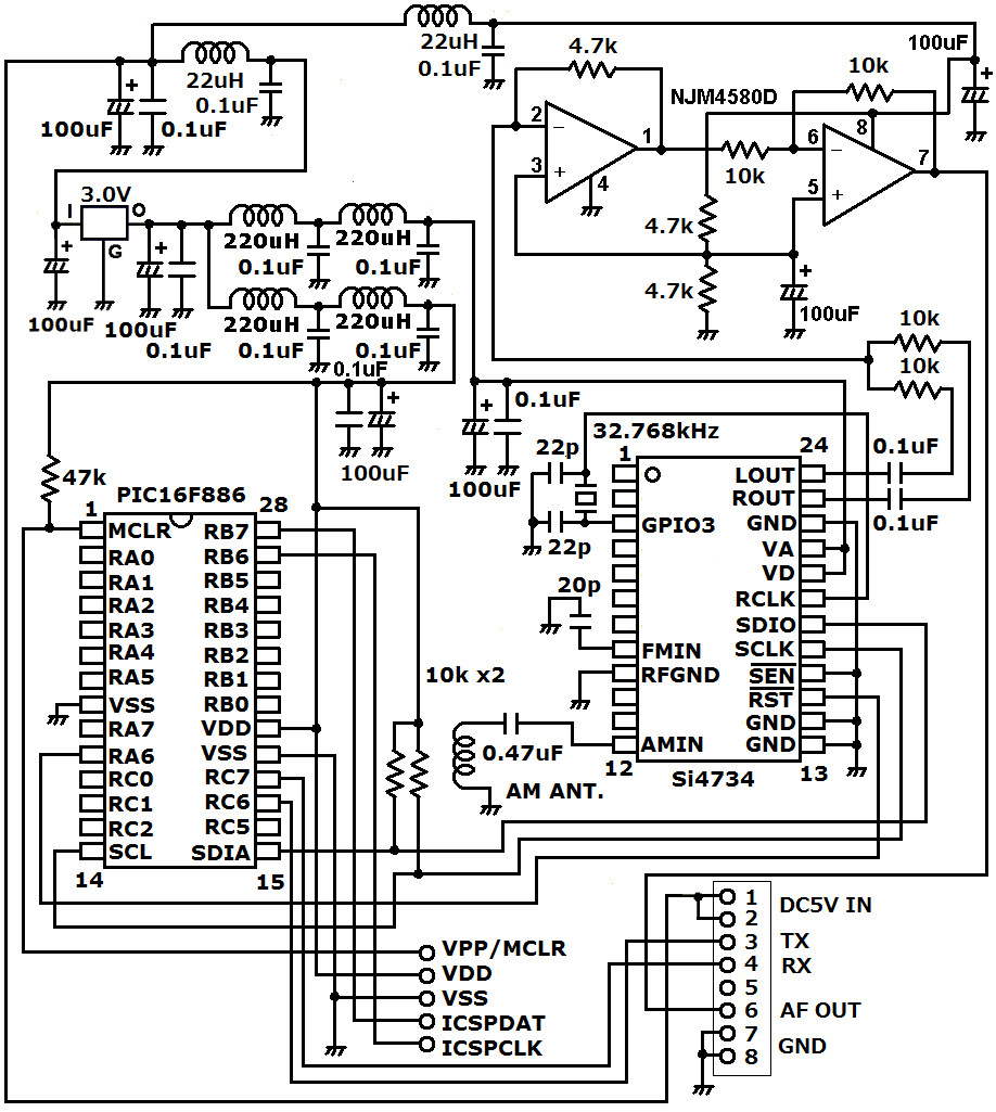
| (操作ユニット回路図) | |
| 操作ユニットには制御マイコン部、表示部、電源部、音声アンプ部、操作部があります。表示には8文字2行のOLED表示モジュールを使います。このモジュールはかなりのノイズを発生するので電源回路にLCフィルターを大量投入しています。音声アンプは過去の製作でよく使っている定番回路です。操作ユニットと受信ユニットはお互いのマイコンでUART通信をしています。今回お互いの距離が5mあるので通信状態を心配しましたが、全く問題はありませんでした。ボーレートは9600bpsです。今回の製作で過去のソフトに一部不具合が見つかりましたので、今回最新版のソフトを公開しています。ACアダプターは操作ユニットに接続します。LANケーブルの中はDC5V電源、GND、音声、UARTが存在します。 | |
![]() |
|
| (UART通信のデータ) | |
| 通信は1byteで完了するようにしています。操作ユニットからは受信周波数÷9のデータを送って選局しています。データが0〜4の時はバンド幅を切換えます。バンド幅の初期値は3kHzです。受信ユニットからは受信シグナル強度を送ります。選局時にはすぐシグナル強度を送り返しますが、その後は一定時間ごとに送るようにしています。従ってアンテナチューナーで同調を取る操作をしてもすぐには追従出来ませんのでご理解下さい。アンテナチューナーの操作は受信音声を聞いていればどのあたりでうまく同調しているかすぐに判ると思います。 | |
![]() |
|
| (受信ユニットのマイコンポート割付) | |
![]() |
|
| (操作ユニットのマイコンポート割付) | |
![]() |
|
| (PIC内部のEEPROM割付) | |
| EEPROMのバンクは2バンクとしました。各バンク15局のプリセットが可能です。バンクの切換えは電源投入時にSW1,SW2のどちらかを押しながら投入することで切換えます。詳しくはソースを見て下さい。電源を切っても前回のモードやプリセット番号を記憶しています。 | |
![]() |
|
| (各ボタンの操作モード) | |
| 4つのボタンを使って操作します。過去の製作から一部操作を入れ換えています。今後短波用の受信機を作る際に操作が統一出来るようにしました。マニュアル選局はボリュームの操作で行いますので、アナログ的でやりやすいと思います。 | |
![]() |
|
| (各モードと表示) | |
| (受信ユニットの内部配置) | |
| 過去の製作を改造して使っていますので、少し乱れた内部配線になっていることをご理解下さい。 | |
| (DSPラジオ部はアルミ板でシールド) | |
| DSPラジオ部はアルミ板で他部分とシールドしています。不要な部品も載っていますが無視してください。 | |
| (背面のバーアンテナ) | |
| バーアンテナは上図のようにケースから離すほうが良いと思います。 | |
| (操作ユニットの内部配置) | |
| こちらもちょっと見苦しい内部になっていることをお許し下さい。 | |
| (OLED表示モジュールもシールド) | |
| OLED表示モジュールの背面からノイズを発生していますので、アルミ板でシールドをしています。音声を録音するために背面に出力を配置しています。 | |
| (操作面の配置) | |
| 操作ボタン、音量ボリューム、選局ボリュームを効率的に配置しています。 | |
| (操作ユニットと受信ユニットの接続) | |
| 実際には5mのLANケ−ブルで接続することになります。操作は良好です。 | |
| (前面の配置) | |
| 青色のOLED表示モジュールがとても綺麗です。 | |
| (ACアダプター) | |
| ACアダプターは必ずトランスタイプを使って下さい。最近めっきり少なくなりましたが、マルツさんから購入可能です。私は上図のものを使用しています。 | |
| (バーアンテナとの接続) | |
| アンテナチューナーのアンテナ出力はバーアンテナに直接接続することは出来ません。上図のように太目の銅線(絶縁膜あり)を使ってカップリングしています。巻き数は7回程度です。でも巻き数はあまり気にすることはないと思います。 | |
| (バーアンテナが通る穴径です) | |
| (受信ユニットを入れるケース) | |
| 100均で結構大きなタッパを購入しました。かなり探しました。 | |
| (受信ユニットをタッパに入れる) | |
| タッパの本体はポリプロピレン製ですので、受信ユニットをタッパに貼り付けるにはポリプロピレンにもくっつけることが出来る強力両面テープが必須です。私は上図のように配置しました。各ケーブルにはフェライトコアを取り付けて高周波ノイズを低減します。 | |
| (受信ユニットの取り付け) | |
| ベランダに受信ユニットを取り付けます。完全に屋外でラジオを聴いているという状態になっています。写真の上部にあるのがアンテナチューナーの制御ユニットです。 | |
| (室内の設置) | |
| 室内には上図のように配置しています。お互い屋外のユニットをコントロールしているので全く干渉せず素晴らしいシステムが出来上がりました。テスト受信では昼も夜も良好にAMラジオ放送が受信出来ています。これから全国の放送局を受信しまくりますので、その成果結果はまた後日ということで、今回の製作を終了します。AMラジオの受信を続けながら短波用の受信機のシステムの設計と製作に取り掛かります。 | |
| 操作ユニットのマイコンソースはこちら | |
| 受信ユニットのマイコンソースはこちら | |
| まだまだ楽しい製作は続きます。令和の時代もご期待下さい。 | |
|
|
|
|
オーディオクラフト工房へ戻る |
|
|
|
|
|
|