|
|
|
|
更新日:2014年12月2日 |
|
|
|
|
| 久しぶりのラジオ製作です。AMラジオ受信には最適なシーズンとなってきました。今まで色々とラジオを製作してきましたが、DSPラジオが高感度でありながら比較的に簡単に作れて大変便利でした。今回はいかにしてノイズの影響を受けないラジオを作るか、ということをテーマにしています。DSPラジオのチップは各社から色々と出ていますので、どのチップを使うかは皆さんのお好みにお任せしますが、少しでも参考になれば幸いです。 | |
| さて、ノイズの影響を受けないラジオとは何でしょうか。DSPラジオの場合、何らかの方法でマイコンからの制御が必要になります。またマイコン周辺にはノイズを発生しやすい部品があります。まずはこれらからの影響を少なくすることを考えました。ずばり、チューナー部と操作・表示部を分離することです。チューナー部はアンテナ近くに、操作・表示部は聞く人の近くにあれば良いと考えました。 | |
![]() |
|
| (分離型ラジオの構成) | |
| 上図のように分離した姿を考えます。DSPラジオですので、チューナーのチップはマイコンからの制御が必要になります。また操作・表示部にもマイコンが必要になります。そしたら、そのマイコン間をUSARTで通信すれば各々が分離していても良いのではと考えました。これだけでもノイズの影響が少なくなっているとは思いますが、電源回路にノイズフィルターを挿入して、ブロックごとに分離してさらにノイズの影響を少なくします。操作が手元にあることで、大変便利に使えるようになりますし、チューナー部もΔLOOPアンテナと組み合わせてその近くにおくことで、感度がアップすると思います。 | |
![]() |
|
| (全体の構成ブロック図) | |
| 上側がチューナー部、下側が操作・表示部の構成です。電源フィルターをこれでもかと投入して、各々の影響が少なくなったと信じています。電源はチューナー部から投入して操作・表示部に送り込みます。それぞれはLANケーブルで接続します。マイコン同士はUSARTで通信し、データを送受信します。 | |
![]() |
|
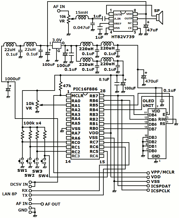
| (チューナー部回路図) | |
| 電源はDC6V程度のACアダプター(非スイッチングタイプ)を想定しています。5Vと3Vの電圧を作って操作・表示部含めて使用します。マイコンはPIC16F886を使いました。ピン数が相当数余りますので、皆さんの使いやすいマイコンを使って下さい。チューナーにはシリコンラボ製Si4734を使いました。私の製作の定番ですが、最近このICは入手しずらくなっていますので、Si4735でも使えると思います。改めて思いますがDSPラジオは高感度でありながらとても作りやすいですね。音声は一旦OPアンプのバッファーをかまします。バッファーを入れることで、チューナーのチップに直接ケーブルが接続されないので、ノイズの影響を受けにくくなると思います。 | |
![]() |
|
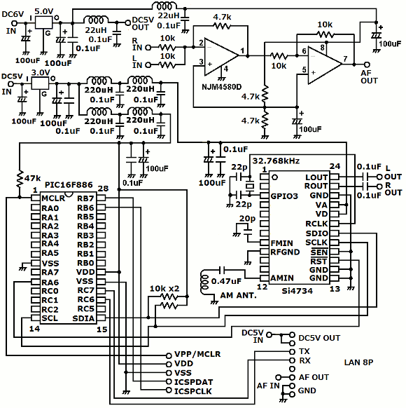
| (操作・表示部回路図) | |
| 5Vの電源をチューナー部からもらうことで動作します。表示には8文字2行のOLED表示ユニットを使います。このユニットは内部のDCDCで電圧を昇圧して使っています。この部分からかなりのノイズを発生しており、かなり苦労します。このことからもチューナー部を分離することは正解だったと思います。音声回路はいつもの定番回路です。 | |
| お互いのマイコンはUSARTで通信しています。詳細はソースと巷のPICの解説本を参考にして下さい。決まったことをしているだけですので、難しいことはありません。ビットレートは9600bpsです。お互いの距離が長くなることは想定して控えめのスピードにしています。LANケーブルの中にはDC5V電源、GND、音声、USARTが存在します。本来の使い方ではありませんが、8本のケーブルが必要な時には大変重宝しますね。各所に存在する電源フィルターは気分的なところがあるかもしれません(ほとんど、おまじない的な・・・・)。でも効果はあると思います。 | |
![]() |
|
| (USART通信のデータ) | |
| 通信は1byteで完了するようにしています。操作側からは受信周波数÷9のデータを送って選局しています。データが0〜4の時はバンド幅を切り換えます。バンド幅の初期値は3kHzです。チューナー側からは受信シグナル強度を送ります。選局時にはすぐシグナル強度を送り返しますが、その後は周波数を変化しない限り一定時間ごとに送るようにしています。従って受信中はリアルタイムのシグナル強度の表示は少し苦手になっています。 | |
![]() |
|
| (チューナー部マイコンのポート割付) | |
![]() |
|
| (操作・表示部マイコンのポート割付) | |
![]() |
|
| (EEPROMの割付) | |
| EEPROMのバンクは今回2バンクとしました。各バンク15局のプリセットが可能です。バンクの切り換えは電源投入時にSW1,SW2のどちらかを押しながら投入することで切り換えます。詳しくはソースを見て下さい。電源を切っても前回のモードやプリセット番号を記憶しているので大変便利です。 | |
![]() |
|
| (各スイッチの操作モード) | |
| 4つのスイッチを使って操作します。この辺りは定番ですので、過去の製作を見ていただけるとありがたいです。マニュアル選局はボリュームで行いますので、アナログ的でよろしいかと思います。 | |
![]() |
|
| (各モードと表示) | |
| それでは完成した姿を見ていただきましょう。 | |
| (チューナー部内部) | |
| 過去の製作を流用している部分がありますので、不要な部品も写っています。ご理解よろしくお願いいたします。 | |
| (操作・表示部内部) | |
| 表示部からのノイズを低減するためにかなり苦労しました。でもこれが限界かも。音声を外部で録音できるように音声出力を出すようにしています。 | |
| (操作・表示部の雄姿) | |
| (チューナー部の雄姿) | |
| (こんな感じで分離して使います) | |
| ケースも古いものを使っていますので、余分なところに穴が開いているところは無視して下さい。 |
|
| マイコンのソースを置いておきます。自由に使って下さい。 チューナー部ソース、操作・表示部ソース |
|
| 今回の製作は如何でしたでしょうか。分離したことで感度が上がって使いやすくなったと思います。またしても全国のほとんどのAMラジオ局を受信することが出来ましたので、次回に詳しく紹介させて頂きます。ΔLOOP7アンテナとの組み合わせですが、新たにコントローラを作ってより使いやすくしています。秋冬の夜長にAMラジオを楽しみましょう。今後数回はラジオネタで走ります。それでは皆さん良いお年を。 | |
|
|
|
|
オーディオクラフト工房へ戻る |
|
|
|
|
|
|