|
|
|
|
更新日:2017年8月24日 |
|
|
|
|
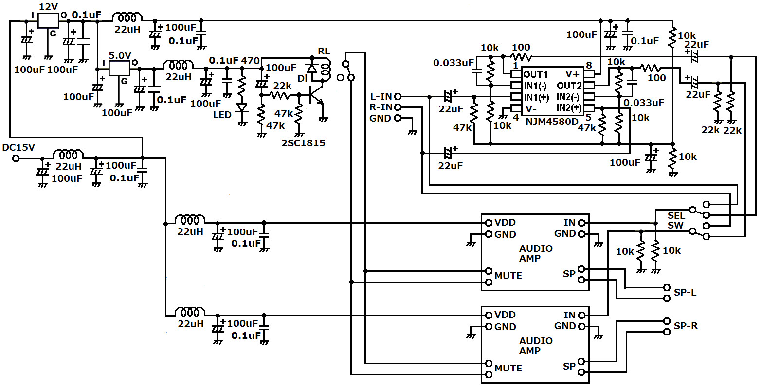
| この間製作したBASS BOOST付きアンプをPIONEER製6cmフルレンジのスピーカーに接続してスマホの音楽を再生したところ、常時BASS BOOSTではちょっときついな、と思ったので、BASS BOOSTをバイパスする回路を設けました。合わせてアンプの動作を確認すると、無信号時に少しノイズがあることを発見しました。やっぱり樹脂ケースではノイズが乗りやすいのかもしれません。というとこらへんを改良しましたので、説明いたします。皆さんも参考にして下さい。 | |
| このアンプのベース記事はここにあります。 BASS BOOST付きステレオアンプを作ろう |
|
![]() |
|
| (改良したBASS BOOSTアンプの回路図) | |
| BASS BOOSTを回避するスイッチを設けました(回路図はクリックすると大きく見れます)。切換時に大爆音がしたので、プルダウン抵抗を一部追加しています。 | |
| (切換スイッチを追加しました) | |
| 無信号時のノイズ音は銅箔テープを上ケースの内側に貼って、GNDに接続しました。そうするとノイズ音はピタリと無くなりました。 | |
| (銅箔テープでGNDを増強) | |
| (切換スイッチの周辺です) | |
| 電源のジャックが前にありますが、背面にはスピーカー端子がありますので、まあ良しとしましょう。 | |
| (スピーカー端子接続) | |
| 端子台への接続にはY端子を使用して確実に行います。 | |
| このアンプは前回製作のスピーカーを合わせてオーディオルームCに設置します。今回オーディオルームCの機器接続を少し変えました。一部がお休み機器となってしまいましたが、オーディオルームCは平日の夜がメインなので、アナログレコードをヘッドフォンへ聴くことが多いのです。 | |
![]() |
|
| (オーディオルームCの機器構成) | |
| 各機器へのリンクはオーディオシステム構成リンクに進んで下さい。 最新のオーディオシステム構成のリンク |
|
| (現在のオーディオルームCの一部です) | |
| 如何でしたでしょうか。ちょっとオーディオルームCが派手になってきたと思われるかもしれませんが、それはご理解下さい。毎日の楽しい音楽生活のために。もちろん仕事に疲れて帰ってきた後ですよ。これからもオーディオクラフト工房にご期待下さい。さて次は何を作りましょうかな。 | |
|
|
|
|
オーディオクラフト工房へ戻る |
|
|
|
|
|
|