|
|
|
|
更新日:2019年9月2日 |
|
|
|
|
| 今回の一連のループアンテナシステムにアンテナチューナーのコントローラがあります。 | |
| (ループアンテナチューナーのコントローラ) | |
| 過去のこの製作記事の詳細はこちらです。 | |
| アンテナチューナーコントローラを作ろう | |
| このコントローラにはアンテナチューナーにどの程度のチューナー電圧を掛けているのかが判るようにインジケータ(10個の緑色LED)を付けています。このLED表示で大まかには判るのですが、中波AMラジオのアンテナをチューニングしている時には操作の範囲が狭すぎてうまくチューニング出来ていないことが時々ありました。そこで今回このコントローラを少し改造して、どの程度のチューナー電圧を掛けているかが判るような表示装置を作りました。コントローラからはチューナー電圧として10bitのデータを送っています。0〜1023の範囲の数値です。この数値でチューナー電圧を制御しています。この数値を見えるようにしました。コントローラに内蔵するほうが便利ですが、今のケースには入らないので外付けタイプとしました。 | |
| (アンテナチューナーコントローラの表示装置) | |
| 7セグメントLEDを使用してコンパクトに作りました。コントローラを動かしてチューニングしている時に制御数値を表示します。 | |
| そのためにコントローラ側を少し改造します。 | |
![]() |
|
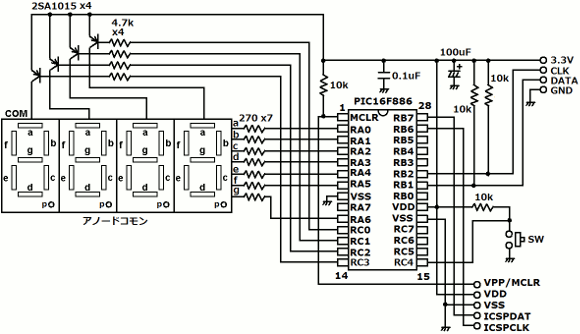
| (アンテナチューナーコントローラの回路図) | |
| 表示装置にデータを送るためにハードウェアを追加します。別にポートを分ける必要は無かったのですが、既に組み込んだ基板上から配線が出来なかったのでポートを追加して対応しました。アンテナチューナーに送るデータと同じデータを表示装置に送ります。出力はオープンコレクタになってます。φ3.5mmの4極のジャックで表示装置に接続します。 | |
![]() |
|
| (アンテナチューナーコントローラのPICポート割付) | |
| RB3,RB4のポートを追加しています。RB1,RB2と同じデータを出力します。今までコントローラを使っていて判ったのですが、ロータリーエンコーダの1クリックごとに2ステップの数値が変化していました。そこで今回そのバグも修正しています。1クリックごとに1ステップずつ数値が変化するようになりました。 | |
| (部品を追加した内部) | |
| (内部右横に追加部品を配置) | |
| (空いた背面に4極ジャックを追加) | |
| 新しいアンテナチューナーコントローラのソフトはここです。 | |
| 表示装置を外付けタイプとしたので、別のマイコンが必要になります。 | |
![]() |
|
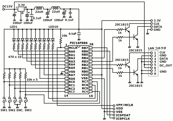
| (コントローラ表示装置の回路図) | |
| コントローラから受信した数値を10進4桁で表示する装置です。数値を受信した時に約10秒程度の表示を行います。消費電力を減らすために通常表示は消えています。そこで今どの数値で制御しているかを知るためにSWを付けています。このSWを押すと約10秒間数値の表示を行います。電源の元がACアダプターなので表示を消す意味があるかと思われるかもしれませんが、表示することによって発生するかもしれないノイズを抑えることが可能になります。4極ジャックには電源とGNDも割り付けていますので、電源を投入したままでの4極プラグの抜き挿しは絶対やめて下さい。必ずプラグを挿した後に元の電源を印加してください。 | |
![]() |
|
| (コントローラ表示装置のPICポート割付) | |
| (ケースはタカチ製のTW5-2-7Bを使用) | |
| ケースは結構小さいので基板の実装も配置を考えなければなりません。なんとか入る大きさで全ての部品が乗りました。 | |
| (表示装置の部品基板の表面) | |
| PICマイコンの手持ちがSOPタイプしかなかったので結構詰まってます。DIPタイプにするともう少しスペースが楽かもしれません。 | |
| (表示装置の部品基板の裏面) | |
| コントローラ表示装置のソフトはここです。 | |
| 実際に中波AM局を受信する時、私のアンテナチューナーへのコントロール電圧の数値は200〜400の範囲になっています。短波に比べると範囲が狭いです。これでは10個のLEDだけではなかなかチューニングが難しいと思います。この装置によって数値が見えるので周波数と一緒にこの値を記しておけば、中波AM局を受信する時にアンテナをチューニングするのが大変楽になりました。間違ったところでチューニングしていないので、きっちりと受信が出来るようになりました。 | |
| 現在、前回作った新しいループアンテナで民放中波局を受信トライ中です。またまたの全局制覇に向けて強力な装置となることでしょう。ご期待下さい。 | |
| 夏場ですから夜が短く中波の受信には苦労しますが、将来必ず無くなるであろう中波AM局を今のうちに楽しんでおきましょう。製作はまだまだ続きます。 | |
|
|
|
|
オーディオクラフト工房へ戻る |
|
|
|
|
|
|