|
|
|
|
更新日:2011年6月12日 |
|
|
|
|
|
|
|
| またまたエアーバンドに戻って来ました。今回は5号機を改造します。どうも5号機はセパレートタイプであるため最適な感度を発揮出来ていなかったようです。今回はひとまとめにするにあたっていろいろと改造を行いました。久振りにACARSを受信するとやはりやめられなくなりますね。 | |
| 1)受信部の構成はシングルスパーヘテロダイン+ダブルデコードのままです。復調に関して2通りの回路で行います。 2)中間周波数は2.50MHzの下側ヘテロダインです。調整の仕方によるとも思いますがこの周波数が一番感度が良いみたいです。 3)受信周波数は液晶モジュールの8文字2行で表示します。測定には「トランジスタ技術 2006年4月号付録のCPLD基板」を使用します。ほとんど古い製作の使いまわしです。 4)受信周波数はACARS専用とします。マイコンからの制御で常時一定の受信周波数となるように自動調整を行います。 5)受信周波数はプリスケラーで1/64分周してCPLDへ送り込みます。 6)今回もAFアンプを積みませんでした。出力音声はPC側で確認下さい。 |
|
| 全体の概略構成を示します。 | |
![]() |
|
| (エアーバンド受信機の構成図) | |
| いつもと同じの構成です。スーパーヘテロダイン方式です。TA7358で生成された中間周波数は一度2SK241で増幅した後復調する回路とそのまま復調する回路の2通りで行います。効果のほどは良くわかりません。 | |
![]() |
|
| (エアーバンド受信機回路) | |
| 感度を良くする方法として電源回路からのノイズを落とすことにあります。受信周波数はACARS専用としているので同調の部分の電圧調整を無くして固定式としました。これで少しノイズが減って感度が上がったような気がしています。もちろん周波数調整が一番重要ですが。 | |
| まだあるのかと思われるかもしれませんが、大変重宝しています。「トランジスタ技術2006年4月号付録のCPLD基板」を使って周波数の測定を行います。今回は測定周波数をマイコンに渡してマイコンから液晶モジュールに表示しますので、CPLDの負担部分が少し減っています。中間周波数は最初の製作の2.50MHzへ戻しました。 | |
![]() |
|
| (CPLDの構成) | |
| 局発からの周波数は1/64分周されてCPLDへ入力しますので、CPLD内部でも1/64分周回路を入れて見かけ上の周波数を合わしています。 | |
![]() |
|
| (CPLDの内部回路) | |
![]() |
|
| (CPLDのポート割付) | |
| 局発からの周波数分周や、CPLD入力のバッファ回路は3号機の製作を参照下さい。 | |
| エアーバンド受信機3号機を作ろう こちらになります。 CPLD関連のソースはここからダウンロードして下さい。全て入ってます。 |
|
![]() |
|
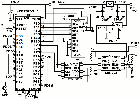
| (エアーバンド受信機マイコン回路) | |
| 回路構成はいつもと大きく変わりません。OPアンプは片CHしか使っていません。マイコンへ入力される周波数はパラレルなので配線数が多くなっています。他の製作のように将来は複数のパラレルにする必要がありそうですね。 | |
![]() |
|
| (マイコンポート割付) | |
| ソースファイル一式はこちらからダウンロードして下さい。フォルダごと圧縮しています。全ファイルが入っています。ライタで書き込みする実行ファイルも含まれています。 | |
| 液晶表示は極めて簡単です。上段に設定周波数、下段に受信周波数を表示します。観測していますと従来の製作より周波数は安定しています。 | |
![]() |
|
| (周波数の表示) | |
| 今回周波数は7通りプリセットしています。ほとんど131.25MHzと131.45MHzしか使いませんが周波数調整用にいくつか用意しています。 | |
![]() |
|
| (プリセットしている周波数) | |
| 周波数の調整につかう発振器は2号機の製作で紹介させて頂いた簡易信号発生器が大変重宝します。基本発振の周波数をいろいろ探して変えることで複数倍される周波数がACARSの周波数に近づくものがあります。出来るだけACARSの周波数近くで調整しましょう。2号機の製作はこちら エアーバンド受信機2号機を作ろう |
|
| (こんな感じで一体化しました) | |
| (前面は大変シンプルですね) | |
| (ACARS周波数を受信中、大変安定しています) | |
| J型アンテナをもう1本」立てて、デュアル受信可能なようにしました。 | |
| (マンションの4Fのベランダに立つJ型アンテナ2本の雄姿) | |
| 4号機とこの5号機(改)で久しぶりの24時間のデュアル受信を行いました。 | |
![]() |
|
| (4号機:131.25MHz、5号機改:131.450MHz受信、検出1035、プロット426) | |
![]() |
|
| (4号機:131.450MHz、5号機改:131.450MHz受信、検出1004、プロット373) | |
![]() |
|
| (4号機:131.450MHz、5号機改:131.250MHz受信、検出1013、プロット407) | |
![]() |
|
| (4号機:131.250MHz、5号機改:131.250MHz受信、検出1009、プロット381) | |
| 検出とプロットはこれが限界でしょうか。 | |
| オーディオクラフト工房も100回目を迎えることが出来ました。電子工作の楽しみは本当に尽きませんね。次から次へとアイデアが沸いてきています。みなさんにその楽しみを出来るだけ沢山伝えられるようにこれからも頑張って行きます。NECの名称が無くなったので、マイコンの電子工作はこのオーディオクラフト工房を中心に新作を公開するようにして行きます。ACARSは何度受信しても楽しいですね。 | |
| これからもオーディオクラフト工房はどんどん楽しくなっていきます。 | |
|
|
|
|
オーディオクラフト工房へ戻る |
|
|
|
|
|
|