|
|
|
|
更新日:2010年8月14日 |
|
|
|
|
|
|
|
| 夏休み特集の第3弾です。従来よりダブル受信で使用してきた1号機ですが、やはり1日のうちでは受信周波数が若干変化しています。帯域がそれなりにあるため、受信を逃しているとは思いませんが精神的に良くないと思います。そこでACRAS専用に3号機と同じ仕様に改造を行いました。強力な受信機がもう一台出来たので、これからは更に強力なダブル受信が期待出来ます。 | |
| 仕様は3号機と全く同じです。3号機のページを参照下さい。 | |
| 全体構成も全く同じですが、一部回路の定数を変えています。シングルスーパーヘテロの部分のLMF501のカップリングコンデンサを0.01uFに戻しています。3号機も同様に変更しました。 | |
![]() |
|
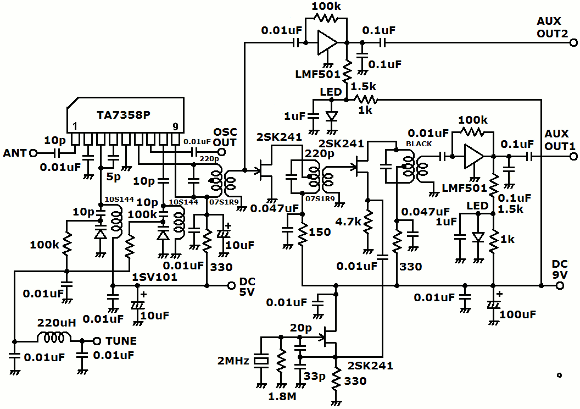
| (4号機のエアーバンド受信回路) | |
| シングルスーパーヘテロの部分は1号機の基板をそのまま使用します。ACARS専用にしましたので1号機の音声アンプ部分は使用しません。アンプのICに電源が加わらないようにしました。 | |
| 電源回路には新たにDC12Vのレギュレータを追加しています。合わせてノイズも取る(?)ようにしました。ACアダプターはトランスタイプの12V仕様を使うと17V程度の電圧が出ていますので、レギュレータで安定化しています。 | |
![]() |
|
| (4号機の電源回路) | |
| 回路はシングルヘテロ、ダブルヘテロですので、地道な調整により特性が発揮されます。130MHzの受信で確実に調整をお願いいたします。 | |
| それでは大完成の姿を見て頂きましょう。 | |
| (4号機の中身) | |
| アナログ部とデジタル部、シングルスーパーヘテロとダブルスーパーヘテロ間はアルミ板でシールド(気休めか?)しています。 | |
| (マイコン部とダブルスーパーヘテロ部) | |
| 今回のダブルスーパーヘテロの450kHzIFTコイルには「黒色」のAMラジオ中間周波数用のコイルを使いました。特性には大きくは変化ありません。 | |
| (仕上がりはこんな感じで) | |
| 私の自宅ではアンテナは1本しか立てることが出来ません。ダブル受信するためにはアンテナを分配する必要があります。たまたまTV用(VHF・UHF)の分配器がありましたのでこれを強引にケースに入れてみました。 | |
| (アンテナ2分配器) | |
| 1本のアンテナを2分配するので当然ですがゲインは落ちます。そこで前回作製したブースターをアンテナと分配器の間に入れて利得を稼ぎます。ノイズも大きくなるので痛し痒しですが1本アンテナのダブル受信には効果があります。今回はDC20V出力のブースター専用電源を作成しました。 | |
| (DC20V出力のブースター専用電源) | |
| 後で判った話ですが、大阪のマンションでこのブースターを付けると明らかにTV放送が混信します。特に自作のエアーバンド受信機は受信帯域がそれなりにあるため不利になります。都会ではGRUNDIG G3のみにブースターを使うことにしています。ちなみに私の自宅がある日本海側の街ではTV放送は混信しませんので、自作機に使っても大丈夫です。但しアンテナを分配する時に限ります。単独受信ではノイズが増えて不利な状態になることもあります。 | |
| 自宅でのダブル受信の構成は次の通りです。 | |
![]() |
|
| (自宅でのダブル受信の構成) | |
| ちなみに「音声混合」と記している部分は単純にLとRをひとつのジャックにするということだけであって何の施しもしておりません。 | |
| (これのことです) | |
| さて結果ですがとんでもないことになりました。 | |
![]() |
|
| (自宅でのダブル受信) | |
![]() |
|
| (自宅でのダブル受信のプロット) | |
| 自宅での新記録樹立です。大阪での結果に引けを取らない内容です。アンテナは2階のベランダから屋根に向かって設置しているのですが、相当数プロットされました。自宅での検出及びプロット数には満足です。しかしながら相変わらずフェデックス以外で長距離が不得意ですね。これを克服するには高いところに上がるしかありませんね。 | |
| 3号機、4号機、GURUNDIG G3で益々面白くなるACARS受信です。 | |
| これからもオーディオクラフト工房はどんどん楽しくなっていきます。 | |
|
|
|
|
オーディオクラフト工房へ戻る |
|
|
|
|
|
|