|
|
|
|
更新日:2006年1月9日 |
|
|
|
|
|
|
|
| 今回は前回の日付表示に続いて曜日表示装置を製作します。 あまりにも簡単に日付表示が完成したので、今回少々暴走してしまいました。こちらも超簡単に完成してしまいましたが・・・・ アルファベット表示で曜日を表示します。アルファベット表示にはドットマトリックスのLEDを使います。丁度手持ちに5x7ドットのLEDユニットがありましたのでこれを使用します。 オーディオクラフト工房の共通ケースに入れるので今回はこのLEDユニットを横向きにして使用します。 |
|
![]() |
|
| (5x7ドットマトリックスLED) | |
| アルファベット表示の曜日をドット表示にするために5x7ドットを横向きにして5x14ドットとして文字を表示します。曜日は3文字なのでぴったり収まります。縦が5ドットのため「M」と「W」の表示に難点がありますが、そのあたりはご愛嬌ということで・・・ | |
![]() |
|
| (曜日のドット表示) | |
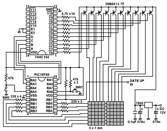
| ドットマトリックスのLEDは5x7ドットですので、ソフトの駆動的には7x10の駆動を行います。ポートが足らなくなりますので、外付けで拡張のICを使います。従来の私の製作には何度も登場しているICなので全く問題はありませんね。 データの並びとしては上図の右側がビット上位になります。 LEDは左側と右側に位置していますが、左側の上部よりデータを定義しています。 |
|
| 詳細の回路図を見て下さい。難しい部分はありませんね。 | |
![]() |
|
| (デジタル曜日表示の回路図) | |
| 曜日アップは前回と同じデジタル時計の出力からもらいます。ポートはRB7で日付表示と同じポートを使います。 | |
| 1)曜日をアルファベット3文字で表示します。 2)SW1で曜日の設定を行います。 3)SW2で設定モード、通常動作モードの切換えを行います。 |
|
![]() |
|
| (デジタル曜日表示のポート設定) | |
| では順にケース加工及び回路製作についてダイジェストで見ていただきましょう。 | |
![]() ![]() |
|
| (ケース加工中) | |
![]() ![]() |
|
| (入出力部品を取り付けます) | |
![]() ![]() |
|
| (中身は1枚基板でまとまりました) | |
![]() |
|
| (こんな感じでいかがでしょうか) | |
![]() ![]() |
|
| (正面と裏面です) | |
| 操作パネルは日付アップボタンのみです。裏面は電源コネクタ、曜日アップ入力コネクタ、設定切換えスイッチです。 | |
| では大完成の姿を見て頂きましょう。 | |
![]() ![]() |
|
![]() ![]() |
|
![]() ![]() |
|
![]() |
|
| (見やすい曜日表示ですよね) | |
![]() ![]() |
|
| (日付表示と曜日表示は並べて設置しました) | |
| 毎度おなじみのソースリストとHEXコードです。 一緒に圧縮してありますのでダウンロードしてからじっくり眺めて下さい。 ソースリストとHEXコードはこちらです。 |
|
| 勢いで作ってしまった製作ですが、いかがだったでしょうか。 プログラム的には大した内容はありませんが、皆さんで色々工夫してみるのも良いかと思います。アルファベットだけではなく他の表示を出してみるのも楽しいかと・・・ |
|
| ここまでの工房の全容をご紹介しておきます。 | |
![]() |
|
| (オーディオクラフト工房作品集) | |
| よく数えてみますとオーディオクラフト工房の製作は15台にもなりました。まだまだ格納スペースがありますので、湧き上がってきたアイデアを組み込んで行きたいと思います。 少々電源ラインが心配です。工房の製作には4台のACアダプターを接続しています。これらの電源電圧を監視する製作も将来は作って行きたいと考えています。 PICに集中している製作ですが、今後は8ピンのPICやNECのワンチップマイコンにもチャレンジして行きたいと考えています。 |
|
| これからもオーディオクラフト工房はどんどん楽しくなっていきます。 ネタはまだまだあります。今後ともよろしくお願いいたします。 |
|
|
|
|
|
オーディオクラフト工房へ戻る |
|
|
|
|
|
|