|
|
|
|
更新日:2015年5月30日 |
|
|
|
|
| オーディオシステムで、たまにはFM放送を聴きたい気分になります。特に製作をしている時は気軽に聞き流せるソースが欲しくなります。その時はズバリFM放送を聴きましょう。何十年も前、学生の時はながら勉強でよくラジオを聴いていました。その感覚が蘇ってきます。さて現代、FM放送をどのようにして聴けば良いか。インターネットが発達して、FM放送もPCやスマホで聴ける時代となっていますが、私の場合はあえて、ラジオで放送を受信して聴きたいものです。そこで今回はDSPチップを使ってFMチューナーを製作します。音質もそれなりでオーディオシステムで聞いても充分満足に仕上がりました。 | |
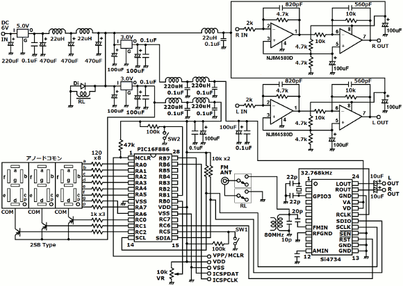
| 今回製作したFMチューナーの内部構成です。 | |
![]() |
|
| (FMチューナーの内部構成概要) | |
| FMチューナーの特徴を記します。 1)受信周波数は76MHz〜90MHz。(プログラムを修正することで90MHz以上も対応可) 2)選局はマニュアルとプリセットが可能。ボリューム操作で行います。 3)プリセット局数は10局まで。(周波数を変更する時は各自でプログラムを修正のこと) 4)電源回路はフィルターを構成して電源からのノイズを低減。 5)DSPチップはシリコンラボ製のSi4734を使用。(Si4735も使用可能) 6)メインマイコンはPIC16F886を使用。 7)周波数は7セグメントLEDで3桁表示。(受信強度の表示切換えも可能) 8)DSPラジオ特有の高音域の音声出力歪はローパスフィルタにて低減。 |
|
| これらの特徴を取り込んだ回路設計を行いました。 | |
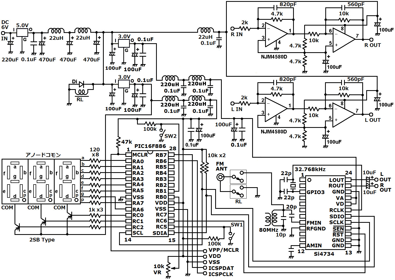
![]() |
|
| (FMチューナーの回路図) | |
| 回路の詳細についてポイントのみ説明します。 | |
| 私のオーディオシステムの場合、FMチューナーのアンテナはCATVのケーブルコネクタに接続します。いわゆるCATV再送を受信しています。その場合、常時、ケーブルコネクタのGND側はオーディオシステムのGND側と接続されることになり、FM放送を聴いていない時、他のオーディオ回路にノイズが乗る可能性があり、ハイレゾ再生に影響を与えるかもしれません。そこでFMチューナーを動作させない時は、アンテナをリレーで切断する回路としました。リレーはFMチューナーの電源がONなった時動作します。 | |
| WEB上のDSPラジオ製作(特にSi4735を使用したもの)記事を参照すると、DSPチップからの音声出力レベルをMaxにすると確実に音が歪むとの記載があります。出力レベルを下げることで、ある程度歪みは改善されると書かれています。しかしながら他機器との出力レベル差を考慮して、FMチューナーだけ下げることも出来ません。そこで音声出力にローパスフィルタ機能を持たせて、歪みを低減しています。(出力レベルも若干下げていますが) | |
| 他は回路図を見て頂けると理解出来ると思います。 | |
| 音声出力のローパスフィルタの特性についてシミュレータで検証しておきます。DSPチップからの音声出力はOPアンプの反転増幅器を2回通すことで、バッファアンプのような役割を経由します。この部分にローパス性を持たせることにします。 | |
![]() |
|
| (ローパス特性のバッファアンプをLTspiceに入力) | |
![]() |
|
| (バッファアンプのローパス特性) | |
| 実際のFM放送を聴きながら、C1,C2を調整し決定しました。フィルタ特性は20kHz付近です。FM放送は原理的に15kHzより上側は不要ですので、もう少し周波数を下げても良かったかもしれません。とりあえずは高音部の歪が気にならなくなりました。それでいてこもった音には全くなっていません。みずみずしさはあります。 (さすがにハイレゾと比べたらいけませんですよ) |
|
| 少し操作について記します。 | |
![]() |
|
| (スイッチ操作の仕様) | |
| SW1のみ前面パネルに取り付けて、SW2は検討用としました。アンテナからの信号の強さを確認するために、SW2でDSPチップからのRSSIレベルを表示出来ます。私の場合、通常55くらいを示しています。皆さんの場合はどうでしょうか。選局はボリューム操作で行います。SW1がマニュアルの時は76MHz〜90MHzの間でダイレクトに選局出来ます。プリセットの時はそのボリューム回転を10分割した位置で10局のプリセット周波数を選択します。PICのプログラムには地元で聴ける周波数を予めプリセットしています。 | |
![]() |
|
| (マイコンポートの割付) | |
| PICのプログラムはこちらにあります。ソースなど全てが入ってます。 newfmaudio.zip |
|
| さて私のオーディオシステムにこのFMチュナーをどう接続するかですが、前回製作した入力セレクターが活躍します。まだふたつの入力が未接続でしたので、そのひとつにつなぎます。 | |
![]() |
|
| (FMチューナーの接続経路) | |
| それでは大完成した姿を見て頂きましょう。 | |
| (配置良くまとまった前面パネル) | |
| (簡素な背面パネル) | |
| ケースは過去製作を使いまわししておりますので、あらぬ場所に穴が開いてた、という状況です。気にしないで下さい。 | |
| (内部は一応アルミ板でブロックごとにシールドしています) | |
| GNDは電源部近辺のみでケースに一点アースしています。 | |
| (大変良く出来ました) | |
![]() |
|
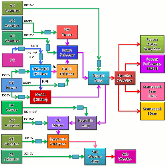
| (最新のオーディオシステム構成) | |
| (最新のオーディオシステム全景) | |
| さて、いよいよ夏の恒例行事、「stereo誌のスピーカー付録」が近づいて来ました。すでに雑誌ではどんなスピーカーかが発表されています。そろそろ準備に掛からねば。ということで、今年の夏もオーディオ製作で忙しくなりそうです。次回製作をご期待下さい。 | |
| FM放送もまだまだラジオ放送として継続して欲しいと思います。オーディオネタまだまだあります。 | |
|
|
|
|
オーディオクラフト工房へ戻る |
|
|
|
|
|
|