|
|
|
|
更新日:2005年4月10日 |
|
|
|
|
|
|
|
| 今回は超簡単なデジタルクロックを作ります。オーディオクラフトのシステムの仲間に加えましょう。特徴としては時計用水晶発振子を用いて時計の基本クロックとしています。 他の方は高精度の水晶発振モジュールユニットを用いてシステムクロック自体を高精度にしてプログラムされていますが、私は一般的な手法を用いて時計して完成させました。(機器組み込みマイコンとするとこちらのほうがコストダウン出来ますよね。) では製作をスタートしましょう。 |
|
| 以前にマイクロチップのインターネットサイトから購入したPIC16F88が底をついたので、東京方面に行く機会があったときに秋月電子さんでPICとスイッチングACアダプタを購入しました。 | |
![]() ![]() |
|
| (PIC16F88とACアダプター) | |
| PICは5個、ACアダプターは12Vタイプを購入しました。 秋葉原には秋月電子さんと千石電商さんが近くにありますので部品の買出しには大変便利です。私の住んでいる地方に比べると価格も安いです。 |
|
![]() |
|
| (デジタルクロックの基本構成) | |
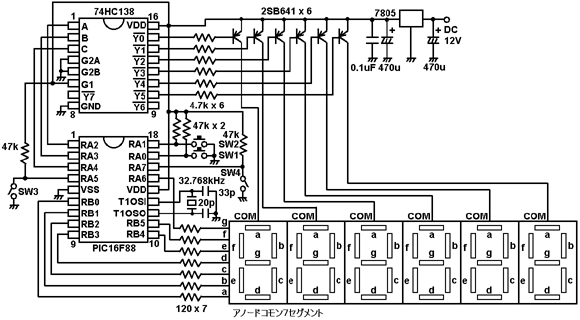
| 時計用のクロックには時計用水晶で発振させたものを使います。時計用水晶は32.768kHzになっています。どこにでもある部品とは思いますが私の場合は古いエアコンのリモコンから取り出して使用しました。 LED表示などの基本動作はPIC16F88の内蔵発振子で行っています。今回の場合時計用クロックにはそれなりの精度は必要ですが、キースキャンやLED表示などには内蔵発振子の精度で充分と思います。 |
|
![]() |
|
| (デジタルクロックの回路図) | |
| 水晶発振子は従来のRB6,RB7の部分に接続します。他には難しい部分はありませんね。水晶発振子のセラミックコンデンサは時計クロックの調整に重要です。私の場合、T1OSCに接続されるコンデンサの容量を20pに設定しました。 現在常時使用して時間を確認していますが今の時期、1日に約1.5秒ほど遅れています。皆さんも自分のシステムの内容に合わせて調整してみて下さい。 うまく合わせれば1秒以内に調整可能です。水晶発振子の温度特性もありますので、もう少し温度の高い季節が来れば少しは進む方向になるとは思っております。 |
|
| 1)LED表示は6桁として12H、24Hでの表示を行います。 2)秒表示は「−」を1秒ごとに点滅させます。 3)SW4がONの時設定モード、OFFの時通常モードとします。SW4を設定モードから通常モードに戻すときに「0秒」リセットします。 4)設定モード時、SW1で「分設定」、SW2で「時設定」を行います。 5)通常モード時、SW2で「12H」と「24H」表示を切換えます。 6)SW3はLED表示輝度を切換えます。 |
|
![]() |
|
| (デジタルクロックのポート割付) | |
| 12H制と24H制の表示は次のようにデザインしました。初期値は24H表示にしています。 | |
![]() |
![]() |
| 12H表示 | 24H表示 |
| 水晶発振子による時計用クロックはタイマー1を設定して行います。 まずはプログラムを見て下さい。 |
|
![]() |
|
| (タイマー1設定処理) | |
| タイマー1の割り込み設定は0.5秒に設定しました。TMR1H=C0H,TMR1L=00Hを設定することによって0.5秒の割り込みとすることが出来ます。 | |
![]() |
|
| (タイマー1設定レジスタの設定詳細) | |
| タイマー1設定レジスタで設定する内容は上記の通りです。難しいところはありません。 | |
![]() |
|
| (タイマー1のブロックダイアグラム) | |
| では順にケース加工及び回路の製作についてダイジェスト写真で示します。 | |
![]() ![]() |
|
| (ケース加工中) | |
![]() ![]() |
|
| (次に入出力部品を取り付けよう) | |
| 製作途中に電源SWが付いていますが、良く考えると常時動作させる必要があるので後で取りはずしました。(穴は後でふさぎました。) | |
![]() ![]() |
|
| (今回の中身はシンプルです) | |
![]() ![]() |
|
| (正面と裏面です) | |
| 操作パネルは左側より電源インジケータ、SW2、SW1、SW3です。 裏面のスイッチはSW4で設定・通常モードを切換えます。 |
|
| 大完成の姿を見て頂きましょう。 | |
![]() |
|
| (完成形外観姿) | |
![]() |
|
| (上からもじっくりどうぞ) | |
![]() |
![]() |
| (PIC回路部) | (電源回路部) |
| GNDラインは必ずケースに1点アースして下さい。 (浮いているとノイズでリセットすることがありますので。) |
|
| 実際の12Hと24H表示を見て頂きましょう。 | |
![]() ![]() |
|
| (なかなかシンプルな表示ですね) | |
| 輝度はLEDの表示時間デューティを切り換えて変えています。 夜中など眩しく見える時は輝度を落とすことにしています。 |
|
![]() ![]() |
|
| (左が明るい時、右が輝度を落とした時です) | |
| 詳しくは後ほどのソースリストを見て頂くとして、時分の設定キーは長押しするとオートリピートするようにしてあります。チョン押しでは1カウントずつ、長押しでは連続カウントアップします。オートリピート時間はソースを見れば簡単に改造は可能です。 キーが少ないので設定はカウントアップでしか対応出来ていません。59分に設定する時少し時間が掛かります。そのあたりはご愛嬌ということにして下さい。 |
|
| 毎度おなじみのソースリストとHEXコードです。 一緒に圧縮してありますのでダウンロードしてからじっくり眺めて下さい。 ソースリストとHEXコードはこちらです。 |
|
| 今回の製作はいかがでしたか。ズバリでいうとオーディオとは直接関係ありませんが、今後もオーディオクラフト工房の充実に向けていろんな製作をしていきたいと考えます。 | |
| ここまでの工房の全容をご紹介しておきます。 | |
![]() |
|
| (オーディオクラフト工房作品集) | |
| どんどん拡張されていくオーディオクラフト工房です。さて次は何を作ろうかな。 | |
| これからもオーディオクラフト工房はどんどん楽しくなっていきます。 ネタはまだまだあります。今後ともよろしくお願いいたします。 |
|
|
|
|
|
オーディオクラフト工房へ戻る |
|
|
|
|
|
|
|