|
|
|
|
更新日:2011年4月10日 |
|
|
|
|
|
|
|
| 私の自宅では室内アンテナでも充分な感度を得られますが、都会でのマンション生活ではノイズばっかりで全くといっていいほど受信出来ません。当初は受信機の性能が出ていないのかと悩みました。中国製の短波ラジオを取り出して比較しても全く受信出来ないことからアンテナへのノイズが原因と疑いはじめました。そこで登場するのがループアンテナです。WEB上ではΔLOOP7として発表されているものです。このアンテナを手軽(?)に作れるようにと企画されたものが次の書籍です。 | |
| (ΔLOOP7のアンテナ作製本) | |
| このアンテナによって短波の受信状態が激変しました。大変高性能なアンテナです。書籍の中にも記載されていますが、都会でのノイズをカットしてまるで放送局のみが浮き上がるようになります。今回は31mbの受信機と連携することでより手軽に短波受信が出来るようにしました。それでは製作をスタートしましょう。(ループアンテナの製作に関しては上図書籍にて各自製作対応をお願いいたします。) | |
| 1)前回製作の31mb受信機と連携することを目的とします。 2)短波での受信周波数にあった駆動電圧を出力します。 3)マニュアルモードを装備して他の受信機用としてももちろん使えます。 4)ΔLOOP7は広い受信周波数に対応しているため駆動電圧は大変クリティカルです。そこでオフセット調整モードを使って都度調整が可能です。 |
|
| 全体の構成図を示します。 | |
![]() |
|
| (ループアンテナ制御構成) | |
| オリジナルのΔLOOP7は短波帯の高いほうとそれ以外の制御をリレーで切り換えて対応しています。私の受信機製作から高いほうの制御はやめて13MHz帯以下のみを制御するようにしています。短波受信機から制御されないときはマニュアルモードのみで動作します。受信周波数に応じて自分でループアンテナの周波数をボリュームで調整します。これでも充分実用的ですがせっかくですから受信周波数に合わせてこのボリュームを自動制御すると受信が大変楽になります。ループアンテナの周波数はバリキャップの電圧調整で行っています。これは従来より私が製作してきた受信機と同じ方式ですので簡単に出来ると考えてみました。 | |
![]() |
|
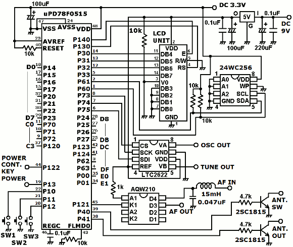
| (ループアンテナ制御回路) | |
| 基本回路は今までの受信機と同じです。受信周波数のデータを短波受信機からもらうことでそれにあった電圧を出力することで受信周波数にあわせます。前回31mb受信機を作りましたので今回はその分のみ自動制御出来ます。将来違う周波数の受信機を作った段階でバージョンアップしていきます。 | |
| ループアンテナの電圧制御には最大12Vの電圧が必要です。しかしながらマイコン回路からの制御の最大電圧は5Vです。この電圧をOPアンプで2.5倍することで12Vまで対応するようにしました。OPアンプの非反転増幅の回路計算より2.5倍するためには10kと6.7kを使用すればよいことがわかります。6.7kは10kと20kを並列接続することで簡単に出来ます。ほぼ正しい電圧が得られました。 | |
![]() |
|
| (OPアンプの2.5倍アンプの電圧特性) | |
| 短波受信機から制御されないときはマニュアルで動くようにしています。 | |
![]() |
|
| (制御切換え回路) | |
| 短波受信機とループアンテナ制御回路とは3線(ステレオケーブルを使用)で接続しています。周波数信号、接続有無信号、GNDです。この接続有無信号でリレーを切り換えてマニュアルと自動制御を行います。 | |
![]() |
|
| (制御回路のマイコンポート割付) | |
![]() |
|
| (操作モード) | |
| モードは3種類あります。まず電源を立ち上げた時はマニュアルモードになります。短波受信機が立ち上がるとオフセット調整モードになります。このモードはマニュアルのボリュームを利用してマイコンからの電圧制御モードになります。ここで今受信している周波数で感度の良い位置に調整します。かなりクリティカルですので慎重に調整します。この時微調整のボリュームはセンター位置にしておくのがベストです。ここでSW1を押せばその位置を記憶して周波数に応じて自動制御モードになります。後は気にせずに受信周波数を変えてもほぼ正しい位置でループアンテナの電圧を自動制御します。微調整のボリュームは必要に応じて使用して下さい。短波受信機を接続中でも一応マニュアルモードに切り換えるようにしました。SW2で切り換えて下さい。 | |
| 短波受信機側は周波数データを出力出来るように改造します。 | |
![]() |
|
| (31mb受信機のマイコン回路) | |
| ANT.SWとANT.OUTの回路を追加しています。 | |
![]() |
|
| (31mb受信機のマイコンポート割付) | |
| ポートが不足しますのでCPLDの測定周波数出力の最上位2bit分を切り離します。その空いたところにアンテナチューナー切換え(ANT.SW)と制御(ANT.OUT)を割り当てました。 | |
![]() |
|
| (周波数データ出力フォーマット) | |
| AMラジオのループアンテナの制御と同じフォーマットです。周波数をそのまま16bitのデータで出力します。 | |
![]() |
|
| (31mb受信機のEEPROM割付) | |
| 受信を重ねるたびにプリセットが20chでは足りないことがわかりました。EEPROMの容量はまだまだ余裕ですが、60ch分としました。5kHzごとに受信しますのでほぼ半分くらいプリセット出来ます。 | |
| (ループアンテナ基板。周波数が高い方の部品は実装していません) | |
| (ループアンテナの基板はアルミケースに入れてタッパに入れます) | |
| (ベランダに設置して青空に映えるループアンテナ) | |
| (ループアンテナ制御の中身は極めてシンプル) | |
| (電源投入後マニュアルモードで立ち上がります) | |
| (短波受信機の電源ONでオフセットモードに) | |
| (自動制御モードで快適受信を楽しもう。背面はこんなの) | |
| ソースファイル一式はこちらからダウンロードして下さい。フォルダごと圧縮しています。全ファイルが入っています。ライタで書き込みする実行ファイルも含まれています。 | |
| ソースファイル一式はこちらからダウンロードして下さい。フォルダごと圧縮しています。全ファイルが入っています。ライタで書き込みする実行ファイルも含まれています。 | |
| ΔLOOP7の威力には脱帽ですね。都会で周辺ノイズから逃れるには絶対必要と感じました。また田舎ではこれほどまでもノイズがないのかとも改めて感じました。自作した受信機から聞こえる声はたとえ外国語でも喜びを感じます。世界ではみんながつながっていることを実感できますね。現在日本は大変な状況にあります。少しでもこの製作が皆さんの喜びにつながることが出来れば幸いです。やっぱり私はこれからもラジオを作り続けます。 | |
| これからもオーディオクラフト工房はどんどん楽しくなっていきます。 | |
|
|
|
|
オーディオクラフト工房へ戻る |
|
|
|
|
|
|