オーディオクラフト工房(99)

更新日:2011年5月29日


41mb受信機で7MHz帯を聞こう

立て続けに7MHz帯受信機を作ります。周波数が異なるだけで内部構成は全く同じです。このプロジェクト(?)は結局4種類の受信機を作ることにしました。今回はその第3弾となります。4種類をLOOPアンテナと連携することでプロジェクトの大完成とします。次から次へとネタが沸いてきておりますので忙しい限りです。それでは製作をスタートしましょう。
41mb受信機で7MHz帯を聞こうの基本仕様
1)受信周波数は7100kHz〜7650kHzとします。41mbをカバーします。
2)受信ICはLA1600を使用した下側スーパーヘテロダイン方式です。
3)局部発振は別にVFO回路を組んでLA1600の局発へ入力します。
4)選局ステップは5kHzとします。CH+/-で選局します。
5)選局中はミュート回路が働き、余分なノイズをカットします。
6)周波数表示は16文字2行のLCDモジュールで表示します。
7)プリセットは60chで、外部EEPROMに記憶します。設定、削除が可能です。

8)局発電圧の設定値は受信ごとに補正されて電源OFF時に一括で外部記憶に保存されます。
9)電源ON時は前回の記憶周波数より起動します。

10)局発周波数はCPLDで計測して自動追尾します。
11)ボリューム操作のマニュアル選局モードを搭載しました。
12)CPLDからの周波数は8bitx3回でマイコンに取り込みます。
41mb受信機で7MHz帯を聞こうの全体構成図
全体の構成図を示します。
(41mb受信機の構成)
49mbとは受信周波数が異なるだけと考えて下さい。いまだに「トランジスタ技術2006年4月号」のCPLD基板を使っています。本当に重宝しています。基板はまだまだ余ってます。トランジスタ技術さんにはまたCPLDの基板を付録にして頂きたいですね。
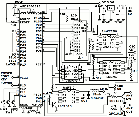
41mb受信機で7MHz帯を聞こうのチューナー回路図
(41mb受信機チューナー回路図)
49mbの違いは局発の発振と同調のコイルとコンデンサだけです。他は全く同じです。LA1600の製作で思うことがあるのですが、同じような回路構成で組んでも全く動作しない場合があります。その場合はLA1600の3ピンの電圧を測定して下さい。電源電圧に近い場合は正常に動作しています。この部分の電圧が低い場合は回路は動きません。私は2個のLA1600を交換したことがあります。周辺は全くいじっていないのでLA1600の個体差と考えています。(長期間の部品箱保管で故障したのかもしれませんが・・・)
41mb受信機で7MHz帯を聞こうのマイコン制御回路
(41mb受信機マイコン制御回路)
受信周波数が異なるとチューナー回路への制御電圧が異なってきます。今回OPアンプでは電圧を約1.32倍にしています。12bitのDACの電圧を有効に使えるようにしています。前回より搭載したアナログ的チューニングは操作として大変有効です。
41mb受信機で7MHz帯を聞こうの電源制御回路
(41mb受信機の電源制御回路)
定番の電源制御回路です。トランジスタの発熱が激しいので放熱には充分注意して下さい。今回も太めの銅線を配線しました。これで放熱は充分ですね。詳しくは後述の写真を見て下さい。
41mb受信機で7MHz帯を聞こうの音声回路
(41mb受信機の音声回路)
前回も書きましたが極めて無音時のヒスノイズが少ないのが特徴です。すっかり私のラジオの製作の定番になりました。
41mb受信機で7MHz帯を聞こうのCPLD回路
CPLD部分は前回と全く同じです。詳しくはそちらを参照下さい。
49mb受信機で6MHz帯を聞こう
(他の部分もほとんど同じですが・・・・)このCPLD基板には大変重宝しております。
41mb受信機で7MHz帯を聞こうのマイコンポート割付
(マイコンポート割付)
LOOPアンテナと連携するためのポートも用意しています。4種類の受信機が出来た段階で連携をすることにしましょう。先が楽しみですね。
41mb受信機で7MHz帯を聞こうのモード操作
(モード操作一覧)
初期プリセットとしてCH00に7650kHzが設定されています。これはプリセットの設定、削除のソフト処理を簡略化するためのもので変更することは出来ません。同調の自動制御については正確にプログラムしていますが、局発の周波数制御については選局時順次学習するのであらかじめ組み込んでいるソフト処理部分はかなりラフになっています。後述する「AUTO SCAN」を使って最初にある程度調整するほうが良いと思います。
41mb受信機で7MHz帯を聞こうの液晶表示
(液晶表示一覧)
操作は49mbと全く同じです。簡単操作で快適な受信が可能になっています。
41mb受信機で7MHz帯を聞こうの隠しモード
局発周波数の制御をかなりラフにしたため、最初の操作時前に「AUTO SCAN」モードを実行して下さい。電源投入時(SW4押し)にSW2を同時押しすることでモードに入ります。ここでは全ての周波数において同調する局発電圧を自動的にスキャンしてマイコンに記憶します。それ以降の選局時の時間が短縮出来ます。一旦マイコン内部記憶した局発制御電圧のデータは電源OFF時(SW4押し)に全てEEPROMに一括記憶します。
41mb受信機で7MHz帯を聞こうのEEPROM割付
(EEPROM割付)
60ch分のプリセットと全周波数の局発制御電圧を外部記憶しています。
41mb受信機で7MHz帯を聞こうの局発・同調設定データ
(局発設定データと同調設定データ)
局発と同調のバリキャップへの制御電圧は今回5Vを超えますのでOPアンプで約1.32倍しています。従って前回の駆動電圧よりは低くなっています。上記グラフの縦軸はDACへの設定値です。
41mb受信機で7MHz帯を聞こうの大完成の姿
(一応機能的に内部分離して配置しています)
CPLD回路、マイコン回路、チューナー回路をブロックにしてそれぞれの影響を受けにくくするためにアルミ板で分離配置しています。内部配線は前回より綺麗ですね。
(チューナー回路、マイコン回路です)
OPアンプの動作が不安定でしたのでOPアンプの電源部分に電解コンデンサを配置しました。当たり前といえば当たり前なんですが・・・・
(CPLD入力バッファ回路、電源回路)
今回は放熱銅線が長くなりました。実際にはこれほど長くしなくても良いとは思います。
(CPLD回路です)
保管しておいた新品を使いました。本当に優れた基板ですよね。
(マニュアル選局とボタン選局時の表示です)
今回は黄緑色バックライトの液晶モジュールを使用しました。一般的なモジュールですね。安かったというのもあります。また違った雰囲気で大変良いです。ちょっと斜め上から見にくいかもしれません。
(プリセット選局時の表示です)
(こんな感じに仕上がりました)
41mb受信機で7MHz帯を聞こうのCPLDソフト
ソースファイル一式はこちらからダウンロードして下さい。フォルダごと圧縮しています。全ファイルが入っています。ライタで書き込みする実行ファイルも含まれています
41mb受信機で7MHz帯を聞こうのマイコンソフト
ソースファイル一式はこちらからダウンロードして下さい。フォルダごと圧縮しています。全ファイルが入っています。ライタで書き込みする実行ファイルも含まれています
さすがに41mbです。強力局が入感します。中国からの放送が良いですね。受信周波数も大変安定していて市販品に匹敵するのではないかと勝手に考えています。さあ次回は25mb受信機の製作といきますか。これで4種類が完成する予定です。ここまで液晶モジュールの色を変えてきましたがついにネタ切れです。何か目新しい色を見つけないと・・・・
これからもオーディオクラフト工房はどんどん楽しくなっていきます。

オーディオクラフト工房へ戻る