オーディオクラフト工房(101)

更新日:2011年7月10日


25mb受信機で11MHz帯を聞こう

短波4部作の最後の受信機の登場です。この4つで主要短波帯をほぼカバー出来たと思います。25mbも比較的にぎやかです。中国の日本語放送が良く聞こえます。ループアンテナと連動して短波受信生活を楽しみましょう。
(短波帯周波数区分)
25mb受信機で11MHz帯を聞こうの基本仕様
1)受信周波数は11500kHz〜12130kHzとします。25mbをカバーします。
2)受信ICはLA1600を使用した下側スーパーヘテロダイン方式です。
3)局部発振は別にVFO回路を組んでLA1600の局発へ入力します。
4)選局ステップは5kHzとします。CH+/-で選局します。
5)選局中はミュート回路が働き、余分なノイズをカットします。
6)周波数表示は16文字2行のLCDモジュールで表示します。
7)プリセットは60chで、外部EEPROMに記憶します。設定、削除が可能です。

8)局発電圧の設定値は受信ごとに補正されて電源OFF時に一括で外部記憶に保存されます。
9)電源ON時は前回の記憶周波数より起動します。

10)局発周波数はCPLDで計測して自動追尾します。
11)ボリューム操作のマニュアル選局モードを搭載しました。
12)CPLDからの周波数は8bitx3回でマイコンに取り込みます。
25mb受信機で11MHz帯を聞こうの全体構成図
全体の構成図を示します。
(25mb受信機の構成)
41mbとは受信周波数が異なるだけと考えて下さい。いまだに「トランジスタ技術2006年4月号」のCPLD基板を使っています。だんだん残り少なくなってきましたがもう少し頑張りたいですね。
25mb受信機で11MHz帯を聞こうのチューナー回路図
(25mb受信機チューナー回路図)
41mbの違いは局発の発振と同調のコイルとコンデンサだけです。今回局発のレベルが小さかったので10kΩの抵抗を無くしました。実際にはもう少し局発レベルを上げるために調整必要な部分があるかもしれませんね。最近の製作は完成度を上げるために周波数の計算をエクセルで行い、バラックを組んでテストしてから組むようにしています。今回は特に計算とテストがほぼ一致していたので驚きました。周波数が高くなるので局発の駆動電圧は5Vまででまかなえるようになりました。
(周波数の計算)
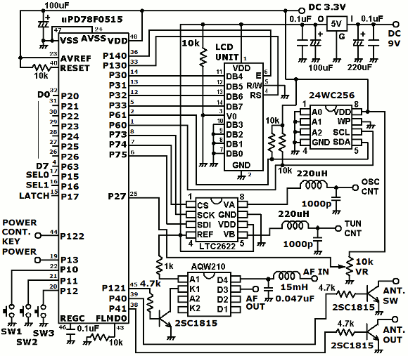
25mb受信機で11MHz帯を聞こうのマイコン制御回路
(25mb受信機マイコン制御回路)
局発、同調とも駆動電圧のノイズが乗らないようにする工夫が重要になります。今回もLCフィルターを各所に入れて対策を行っています。駆動電圧が下がったのでOPアンプは使っておりません。アナログ的チューニングは相変わらず便利です。
25mb受信機で11MHz帯を聞こうの電源制御回路
(25mb受信機の電源制御回路)
定番の電源制御回路です。トランジスタの発熱が激しいので放熱には充分注意して下さい。今回も太めの銅線を配線しました。ほんのり温かくなっていますが、放熱は充分でしょう。詳しくは後述の写真を見て下さい。
25mb受信機で11MHz帯を聞こうの音声回路
(25mb受信機の音声回路)
前回も書きましたが極めて無音時のヒスノイズが少ないのが特徴です。今後の製作で使うことも含めて今度大量購入したいと思います。
25mb受信機で11MHz帯を聞こうのCPLD回路
CPLD部分は前回と全く同じです。詳しくはそちらを参照下さい。
49mb受信機で6MHz帯を聞こう
(他の部分もほとんど同じですが・・・・)このCPLD基板には大変重宝しております。
25mb受信機で11MHz帯を聞こうのマイコンポート割付
(マイコンポート割付)
LOOPアンテナと連携するためのポートも用意しています。次回はこれらを駆使した製作を行う予定です。
25mb受信機で11MHz帯を聞こうのモード操作
(モード操作一覧)
初期プリセットとしてCH00に12130kHzが設定されています。これはプリセットの設定、削除のソフト処理を簡略化するためのもので変更することは出来ません。同調の自動制御については正確にプログラムしていますが、局発の周波数制御については選局時順次学習するのであらかじめ組み込んでいるソフト処理部分はかなりラフになっています。後述する「AUTO SCAN」を使って最初にある程度調整するほうが良いと思います。
25mb受信機で11MHz帯を聞こうの液晶表示
(液晶表示一覧)
操作は41mbと全く同じです。簡単操作で快適な受信が可能になっています。
25mb受信機で11MHz帯を聞こうの隠しモード
従来と同じように、最初の操作時前に「AUTO SCAN」モードを実行して下さい。電源投入時(SW4押し)にSW2を同時押しすることでモードに入ります。ここでは全ての周波数において同調する局発電圧を自動的にスキャンしてマイコンに記憶します。それ以降の選局時の時間が短縮出来ます。一旦マイコン内部記憶した局発制御電圧のデータは電源OFF時(SW4押し)に全てEEPROMに一括記憶します。
25mb受信機で11MHz帯を聞こうのEEPROM割付
(EEPROM割付)
60ch分のプリセットと全周波数の局発制御電圧を外部記憶しています。
25mb受信機で11MHz帯を聞こうの局発・同調設定データ
(局発設定データと同調設定データ)
毎度おなじみのグラフです。まあこんなもんでしょう。
25mb受信機で11MHz帯を聞こうの大完成の姿
(ほぼ定位置の配置で内部分離して配置しています)
CPLD回路、マイコン回路、チューナー回路をブロックにしてそれぞれの影響を受けにくくするためにアルミ板で分離配置しています。
(チューナー回路、マイコン回路です)
DAC出力にはLCフィルターを付けました。
(CPLD入力バッファ回路、電源回路)
電源回路のトランジスタの放熱がオシャレです(?)
(CPLD回路です)
残り少ない新品です。本当に優れた基板ですよね。
(マニュアル選局とボタン選局時の表示です)
ついに液晶モジュールのバックライトの色が底をつきました。今回はバック青、白文字表示の液晶モジュールを購入して、バックライトの色を橙色のLEDに変更して使ってみました。これが結構ヒットで今後は色々な色が使えそうです。
(プリセット選局時の表示です)
(こんな感じに仕上がりました)
25mb受信機で11MHz帯を聞こうのCPLDソフト
ソースファイル一式はこちらからダウンロードして下さい。フォルダごと圧縮しています。全ファイルが入っています。ライタで書き込みする実行ファイルも含まれています
25mb受信機で11MHz帯を聞こうのマイコンソフト
ソースファイル一式はこちらからダウンロードして下さい。フォルダごと圧縮しています。全ファイルが入っています。ライタで書き込みする実行ファイルも含まれています
短波受信機4部作がようやく完成しました。作って判ったのですが、短波帯は全体の周波数をカバーする受信機よりこのようなmbごとの受信機が製作しやすいですね。局発も極めて安定していますので、安心して放送を受信出来ます。さて次回はこれら4台がループアンテナと接続出来るような製作を予定しています。
これからもオーディオクラフト工房はどんどん楽しくなっていきます。

オーディオクラフト工房へ戻る