|
|
|
|
更新日:2016年4月29日 |
|
|
|
|
| 久しぶりのハード製作です。今回はスピーカーセレクターです。これでオーディオルームCの構成がほぼ完成しました。このセレクタはこのオーディオルームCで使用します。オーディオルームCには2系統のスピーカーを配置しています。それぞれに再生系があるので、スピーカーは固定されています。たまにはスピーカーを変えてみたいと思うこともあると思い、今回のセレクターを作りました。それでは製作をスタートしましょう。 | |
![]() |
|
| (オーディオルームCの構成) | |
| この部屋にはディスクトップ用として「Olasonic 8cm」を、フロア用として「TangBand 8cm」のスピーカーを配置しています。それぞれPC経由の再生系と、アナログプレーヤー・ラズパイ経由の再生系が接続されています。それぞれが独立しているですが、たまには違うスピーカーも接続したくなるので、今回スピーカーセレクタを製作しました。セレクタというよりは、スイッチャーといったほうが良いかもっしれません。それぞれの機器に対してスピーカーを交換出来る機能を持っています。 | |
![]() |
|
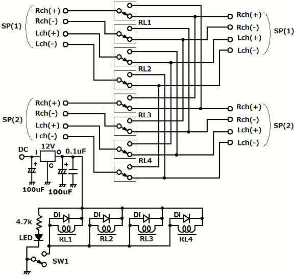
| (スピーカーセレクターの回路図) | |
| スピーカーの配線全てをパワーリレーで切り替えます。パワーリレーは4回路ですが、2回路づつを同一配線として使用します。回路図の通り、二つのスピーカーを切り替えるのに4つのパワーリレーを使用しました。ダイレクト接続(SP1⇒SP1、SP2⇒SP2)の時はリレーに電流は流れていませんが、クロス接続(SP1⇒SP2、SP2⇒SP1)の時には電流が流れています。パワーリレーはDC12Vで動作するので、電源回路に12Vのレギュレータを使用しています。電源はDC12V〜15V程度のトランスタイプのACアダプターを使用するのが良いと思います。 | |
| (オーディオルームCのスピーカーセレクター) | |
| (スピーカー端子は端子台を使用しました) | |
| (とてもシンプルな内部構成です) | |
| 少し重みを増すために内部にいつもの金属を入れるのが良いかと思います。 | |
| これでどちらの再生系で音楽を聴いても、好みに応じてスピーカーを選択することが可能になりました。だいぶ音楽ライフも充実してきましたね。アナログレコードもどんどんライブラリーを増やしています。別ページで順次公開中ですので、そちらもご期待下さい。 | |
| この時期、毎年夏恒例のStereo誌のスピーカー付録の内容も公開されました。8cmフルレンジということで、前回製作したエンクロージャーにそのまま入る寸法でした。これはユニット交換すれば直ぐに確認が出来ますのでとても便利だと思います。こちらも期待しましょう。まだまだオーディオで突っ走りますよ。 | |
|
|
|
|
オーディオクラフト工房へ戻る |
|
|
|
|
|
|