|
|
|
|
更新日:2018年6月3日 |
|
|
|
|
| 今回は光デジタル入力のステレオアンプを作ります。ハイレゾにも対応します。スマホからのアナログ音声出力も入力出来るようにしました。BASS BOOST回路を内蔵していますので、小音量でも迫力ある音を楽しめます。それでは製作を始めましょう。 | |
![]() |
|
| (BASS BOOST付き光デジタル入力ステレオアンプの回路構成) | |
| アンプ回路は電流を消費するので、ACアダプターはスイッチングタイプを使用します。そのため電源回路には充な部品を投入しました。ほとんど電源フィルターが占めてますね。今回のアンプを光デジタルとしたのには理由があります。このアンプはオーディオルームBに設置する予定です。別ページのオーディオルームBの構成を見て頂くと判ると思いますが、アップルTVのHDMI出力から取り出された光デジタル音声をスピーカーで鳴らす目的があります。一応アナログ音声も入力出来るようにしました。その時は自動的に切り替わるようにしています。将来的にヘッドフォンも駆動したいので、アナログ音声出力も付けています。小音量でも迫力が出るようにBASS BOOST回路を付けました。切換が可能ですので好みに合わせて下さい。 | |
![]() |
|
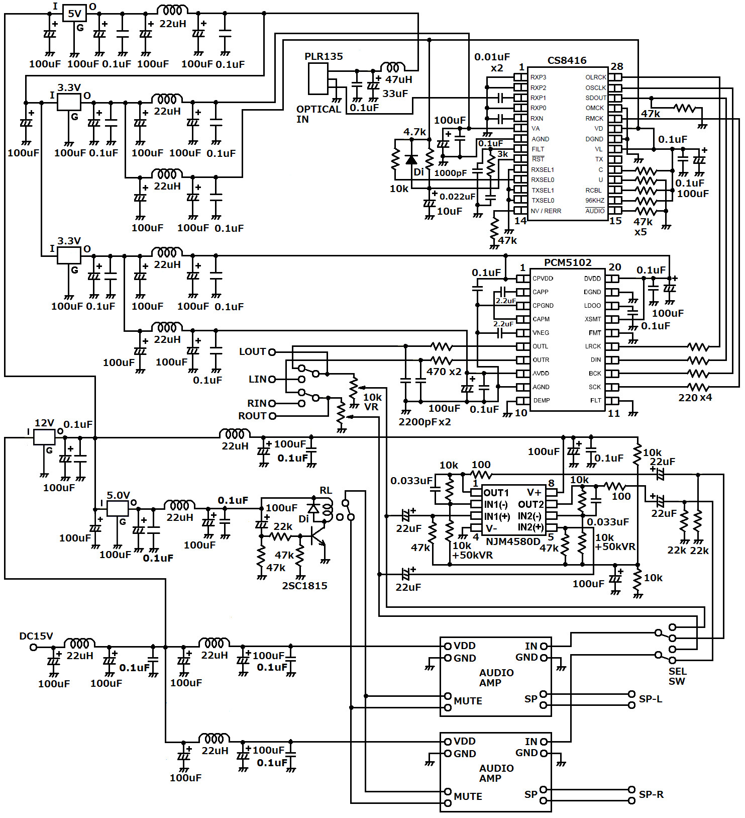
| (BASS BOOST付き光デジタル入力ステレオアンプの回路図) | |
| 光デジタル入力からDACまでハイレゾ対応です。この辺りの回路構成は過去の製作と同じです。比較的簡単な部品構成で出来るので私は気に入っています。特に難しい部分はありません。以下にブロックごとに簡単に説明いたします。 | |
| (電源回路・その1) | |
| スイッチング電源からのノイズフィルタを中心とする回路ブロックです。インダクタは電流の大きめのものを使用しています。電解コンデンサは低インピーダンスタイプです。 | |
| (電源回路・その2) | |
| DDC・DACに電源を供給する電源回路ブロックです。3.3Vのレギュレータは基板裏面に取り付けています。インダクタも裏面に取り付けています。 | |
| (DDC・DAC回路) | |
| 光デジタル入力を受けてオーディオ信号に変換するDDC・DAC回路です。ハイレゾに対応しています。電源部分以外のコンデンサはフィルムコンデンサを使用しています。まあオーディオには当然の選択ですね。 | |
| (BASS BOOST回路) | |
| OPアンプを使用したBASS BOOST回路です。過去の製作と同じものを使用しました。正直なところ過去の製作は全て現存するものではなくこうして分解されて新しい製作に再利用されている訳です。 | |
| (光デジタル入力回路) | |
| 光デジタル入力の部分です。これも過去の製作からの流用ですね。デジタル入力はコアキシャルより光の方が製作が簡単になります。絶縁も完璧に出来ますから。 | |
| (電源ON時ミュート回路) | |
| 電源ON時にスピーカーからのボツ音を防ぐための回路です。回路図を見て頂くと判ると思いますが電源ONから時間をずらしてミュートを解除しています。 | |
| (オーディオアンプ回路) | |
| D級オーディオアンプ回路です。これは既存品を使用します。Aitendoさんから購入しました。アンプモジュール「AMP3118」を左右個別に使用します。簡単にアンプを構成出来るので大変便利です。 | |
![]() |
|
| (BASS BOOSTのLTspice回路) | |
| BASS BOOST回路をLTspiceでシミュレーションします。過去の製作でも行っているのでそれと同じ回路です。 | |
![]() |
|
| (BASS BOOSTのシミュレーション) | |
| LTspiceのシミュレーション結果です。低域を丁度6dBブーストしています。 | |
![]() |
|
| (BASS BOOSTの実測データ) | |
| 自作測定器で回路を実測してみました。低域のばたつきは少しありますが、ピタリ6dBの特性が出ています。シミュレーションと全く同じ特性を示しましたので正直ちょっとびっくりですね。どちらも良く出来ています。 | |
| (基板配置はこんな感じ) | |
| ケースにピタリと収まる配置に自分ながら芸術性を感じます。 | |
| (ボリュームは高級タイプを使用) | |
| ハイレゾ対応の回路にしているのでボリュームも高級タイプを使用しました。精神的にとても安心出来ます。 | |
| (ちょっと斜めから見てみた) | |
| 前面にはBASS BOOSTのスイッチとアナログ音声入力ジャックを配置しました。スマホの音源もスピーカーで大きく聴きましょう。 | |
| (芸術的な内部配線) | |
| 背面には光デジタル入力とオーディオ出力を配置しました。別途製作予定のヘッドフォンアンプはこのオーディオ出力に接続します。 | |
| (正面はこんな感じに) | |
| 今回の製作はオーディオルームBに配置するので前面パネルの加工を少し変えてみました。今までの角にRを取って少し柔らかい感じにしてみました。如何でしょうか。 | |
| (背面はこんな感じに) | |
| ACアダプターはDC12Vか15Vのスイッチングタイプを使用します。電源ケーブルにはフェライトコアをかますなどしてノイズには充分配慮下さい。 | |
| このアンプはまだオーディオルームBに設置は出来ておりませんが、テスト運用は上々でしたので皆さんにも安心して使って頂けると思います。ハイレゾやアナログレコードで多少なりともオーディオは注目を集めておりますので、私の製作もまだまだ続きます。 | |
| 音楽のある生活で楽しい毎日を過ごしましょう。自作オーディオから流れる音楽はまた格別です。とても良い音に聞こえます。 | |
|
|
|
|
オーディオクラフト工房へ戻る |
|
|
|
|
|
|