|
|
|
|
更新日:2018年1月1日 |
|
|
|
|
| 2018年最初の製作になります。もちろん仕込みは2017年から行っていたのですが、公開が今になりました。久しぶりのオーディオクラフト製作です。オーディオルームC用としてスペクトラム・アナライザーを作りました。今回の特徴はデジタル入力としたところです。高音質のオーディオ系に影響を与えないようにするためです。以前製作したDDC・DACにデジタル出力を設けましたのでそれを利用します。デジタル系で接続することで、GNDを完全分離出来ますので音楽を聴いていても安心出来ますよね。 | |
| (DACサンプリング周波数と並べた様子) | |
| スペアナ用には専用ICを使いましたので7バンド表示になります。以前に作った13バンド表示に比べると圧倒感は少ないですが、音楽のお供には充分な出来栄えです。 | |
![]() |
|
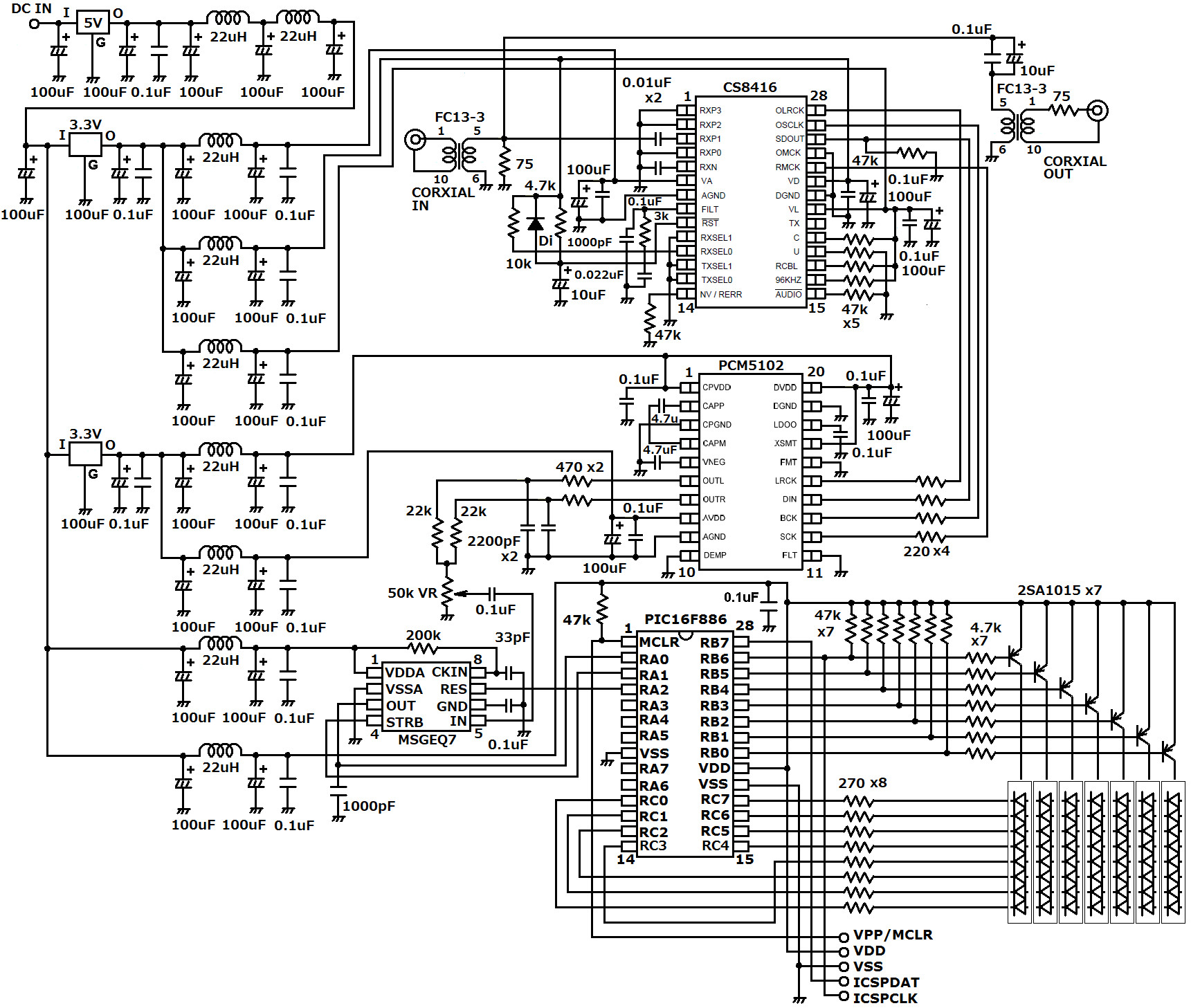
| (今回製作したスペクトラム・アナライザーのブロック図) | |
| ブロック図は電源回路が多くを占めています。デジタル系とアナログ系が混在する回路には電源回路が重要ですので、このようにしています。デジタル信号はS/P DIF・レシーバーで受けてI2S信号に変換します。これをDACで受けてアナログのオーディオ信号にします。レシーバーとDACはハイレゾ対応にしています。オーディオ信号をスペアナ用ICのMSGEQ7で受けて周波数ごとの電圧信号に変換します。これをPIUCマイコンで受けてLED表示をします。 | |
![]() |
|
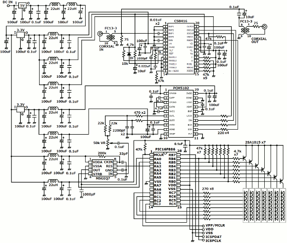
| (スペクトラム・アナライザーの回路図) | |
| 正直なところ電源回路はここまで凝らなくてもよかったのかもしれませんね。オーディオ信号はLRをミックスしてボリュームを介してスペアナ用ICに入力しています。このボリュームは信号レベルの調整に役にたちます。各周波数の信号レベルは8個のLEDで表示します。スペアナ用ICにはMSGGEQ7を使用します。7バンド対応で周波数は[63Hz]、[160Hz]、[400Hz]、[1kHz]、[2.5kHz]、[6.25kHz]、[16kHz]です。ほぼ仕様書通りの回路を構成していますが、おまじないとしてIC出力に1000pFを追加しました。これがないと少し信号レベルが安定しないようです。私として納得するまで調整したつもりです。デジタル信号は出力を設けましたので、別のデジタル機器に接続が可能です。 | |
![]() |
|
| (MSGEQ7の仕様抜粋) | |
| スペアナ用ICのMSGEQ7は周辺回路を非常にコンパクトに出来るICですので、とても便利ですが、少し気を付けるところがあります。仕様書を読みこなすと上図に示した部分が目に入ります。出力オフセットが0.6Vもあることです。そしてオフセットのばらつきが0.2Vもあることです。最初この部分に気が付かず苦労しました。ということで、0.8V以下の信号レベルは無視するようにしました。入力電圧が0.3Vppの時に出力電圧は4V以上出ますので、最終的には入力のボリュームで適当な表示なるように調整して下さい。 | |
![]() |
|
| (入力電圧とLED表示) | |
| 入力電圧とLED表示の関係は上図のようにしました。入力電圧にはオフセットがあるので、それを除いた部分以上を対数で表示出来るようにエクセルで計算しました。この辺りは皆さん各自で工夫してみて下さい。私的にはこの表示の計算には満足しています。 | |
| (電源1回路ユニット) | |
| S/P DIF・レシーバー用の電源回路です。5Vから3.3Vを3系統を作ります。 | |
| (電源2回路ユニット) | |
| DAC用とスペアナ用とPIC用の電源回路です。3.3Vが2系統と5Vが2系統です。 | |
| (DDC・DAC回路ユニット) | |
| S/P DIF・レシーバーにはCS8416、DACにはPCM5102を使用しました。ハイレゾ対応ですので、安心して対応が出来ます。 | |
| (PICマイコン回路ユニット) | |
| スペアナ用ICはMSGEQ7を使用します。スペアナ用で現在入手しやすいのはこのICくらいですね。PICは定番のPIC16F886です。 | |
| (デジタル入出力回路ユニット) | |
| デジタル入出力用にFC13-3のデジタルオーディオ用パルストランスを使用します。私の知る限りでは共立電子さんから購入するのが簡単と思います。上の写真にはデジタルICが載っていますが、最終的には使用しませんでした。回路図が最終です。 | |
| (LED表示回路ユニット) | |
| 今時珍しい角型LEDを大量に使用します。表示間隔が広がるのがいやなので密集して配置しています。LEDはネット購入です。ダイナミック点灯ですので、そのように配線して下さい。回路構成はアノードコモンです。 | |
![]() |
|
| (PICマイコンポート割付) | |
| PICマイコンのポート割付は上図の通りです。PICのソースファイルは下記からダウンロードして使って下さい。 PICマイコンのソース一式はこちらです。 |
|
| (前方からの内部の眺め) | |
| 内部は芸術的な配線が出来ました。とてもコンパクトにまとまりました。 | |
| (後方からの内部の眺め) | |
| LEDへの配線も見事ですね。 | |
| (前面パネル) | |
| シンプルな前面パネルです。LED表示部は茶色透明のアクリルパネルでカバーしました。 | |
| (背面端子) | |
| 最初に説明した通り、入力はデジタルのみです。別機器を接続するためのデジタル出力があります。電源は6V〜9V程度のACアダプターを使用します。スイッチング方式ではなくトランスタイプを使用するのがベストと思います。 | |
| 2018年最初の製作はいかがだったでしょうか。今回はI2S信号をDACで一旦アナログ信号に戻してからスペアナ用ICで処理しましたが、本当はI2S信号を直接DSPマイコンで処理してLED表示出来るのがベストと思います。今から勉強して今後挑戦したいと考えています。オーディオクラフト工房は今年もオーディオの製作を続けて行きます。皆さんも音楽のある生活を楽しみましょう。 | |
| 今年もオーディオクラフト工房をよろしくお願いいたします。 | |
|
|
|
|
オーディオクラフト工房へ戻る |
|
|
|
|
|
|