|
|
|
|
更新日:2015年4月24日 |
|
|
|
|
| 最近、オーディオシステム環境がかなり充実してきました。そこで今回はスピーカーセレクターを新調します。前回のスピーカーセレクターの記事はこちら スピーカー切換えスイッチを作る |
|
| 今まではセレクターというより、切り換えスイッチとしていました。出来るだけスピーカーへの影響を無くすために接点に大電流が流せる家庭用の壁スイッチを使ってスピーカーを切り換えていました。スイッチ数が多く、感覚的にどのスピーカーが選択されているか、よくわからないところもあったので、今回パワーリレーを使って作り直しました。パワーリレーを使っているので接点抵抗は全く気になりません。セレクターの仕上がりも良好となりました。 | |
| (ネットで購入したPanasonic製パワーリレー) | |
| 4回路のパワーリレーを共立エレショップで購入しました。 | |
| (接点にかなりの大電流を流せるタイプです) | |
![]() |
|
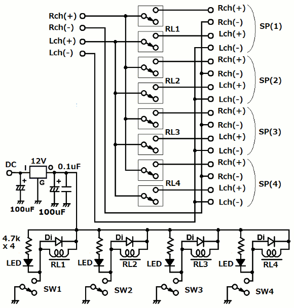
| (スピーカーセレクターの回路図) | |
| それぞれのスピーカーのマイナス側を共通としてプラス側をリレーで切り換えます。今我が家には4種類のスピーカーが稼動しています。これらを効率良く切り換えるようにしています。切り換えスイッチはスピーカーごとに個別に存在していますので、将来複数のスピーカーを同時に駆動することも可能としています。各リレーには4回路の接点が存在しますが、切り換える回路は各スピーカーで2回路ずつですので、ふたつの接点を並列に使用します。並列にすることで、更に接点抵抗を減らすことが出来て、万が一ひとつの接点抵抗が上昇したとしても音への影響を最低限に抑えることが可能になります。リレーはDC12Vタイプを使用しました。 | |
| (前面からのまぶしい姿) | |
| LEDインジケータ付きのスイッチを使用しました。どのスピーカーが選択されているかが一目で判りますね。極めてシンプルなデザインにまとまりました。 | |
| (背面の端子群) | |
| 4種類計8個のスピーカー配線を接続する必要がありますので、端子台をY端子で接続する構造としました。 | |
| (中身は極めてシンプルです) | |
| スピーカーへの配線は出来るだけ太い線で行います。今回はφ2.0の銅線を使いました。 | |
| (最新のオーディオシステム構成です) | |
| 少し並べ方を変えてみました。スピーカーセレクターが光ってますね。本日も音楽を聴く体制は万全です。自作機器で聴く音楽は最高ですね。 | |
![]() |
|
| (スピーカーセレクターを組み込んだオーディオシステム構成) | |
| オーディオネタはまだまだ尽きません。皆さんついてきて下さいね。 | |
|
|
|
|
オーディオクラフト工房へ戻る |
|
|
|
|
|
|