|
|
|
|
更新日:2015年3月1日 |
|
|
|
|
| 最近のハイレゾブームに乗り遅れないようにとDigiFi No.15/No.16を買い揃えてUSB入力のハイレゾDACシステムを構築することが出来ました。以前の製作記事はこちら DigiFi No.15 DDコンバータに光デジタル出力を追加する |
|
| DigiFi No.16 DACに光デジタル接続する | |
| 私のオーディオシステムではDDコンバーターとDACは個別に分離させてそれぞれの接続には光デジタルケーブルを使用しています。これはPC側とアンプ側を完全に分離するために光ケーブル接続としています。しかし、WEBの記事をいろいろと拝見していますと、光ケーブル接続より同軸デジタル接続が良いとの内容があります。これは光変換を繰り返すことで、デジタル信号のジッターが大きくなり、音質が変わるという理由によります。そこで同軸ケーブルでもPC側とアンプ側を分離して接続した時の音を聴いてみたいと思うようになりました。DigiFiのNo.15やNo.16を更に改造することで同軸ケーブルでも分離可能とは思いますが、調べてみるとデジタル入力のDACはそれほど難しくなく作れると判断し今回製作にトライしました。結構うまくいきましたので、ここに公開させて頂きます。 | |
![]() |
|
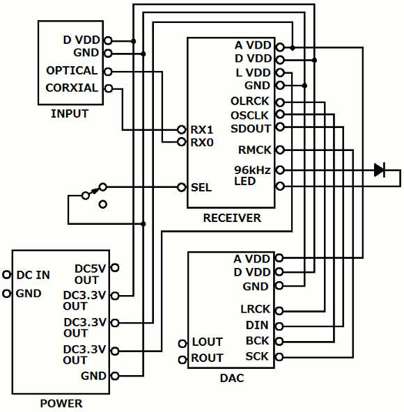
| (今回のオーディオシステムの概要) | |
| 上図のようにDigiFi No.15のDDコンバーターはそのまま使用して、No.16とは光デジタルケーブルで、今回製作するDACとは同軸デジタルケーブルで接続する構成とします。DDコンバーターの出力は光と同軸を切換えるようにしているので使うDACよって出力を切換えることにします。 | |
![]() |
|
| (今回製作するDACの内部構成) | |
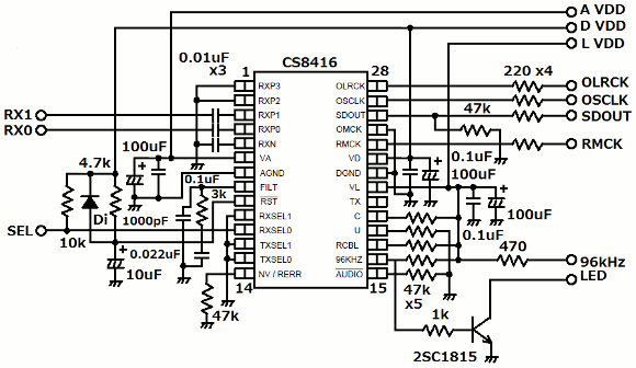
| 内部構成は上図のようになります。せっかくですからデジタル入力には光と同軸を用意しました。デジタルレシーバーにはシーラスロジック社製のCS8416を、DACにはテキサスインスツル社製のPCM5102を使います。どちらもハイレゾ対応ですので、DigiFi No.15のDDコンバーターをしっかりと受け止めることが出来ます。 | |
![]() |
|
| (CIRRUS LOGIC社製のレシーバーCS8416) | |
![]() |
|
| (TEXAS INSTRUMENTS社製のPCM5102) | |
| どちらの部品もSOPタイプですので変換基板に載せて使います。 | |
| (デジタルレシーバーCS8416) | |
| (DAC PCM5102) | |
![]() |
|
| (デジタル入力インターフェイス) | |
| 光デジタル入力にはPLR135Tを使いました。共立電子で購入が可能です。 | |
![]() |
|
| (フォトリンクレシーバー PLR135T) | |
| 同軸デジタル入力は分離したいので入力トランス(FC13-3)を使います。これも同様に共立電子で購入出来ます。入力端子はケースのGNDと絶縁出来るタイプを使って下さい。 | |
![]() |
|
| (S/P DIFレシーバー回路) | |
| CS8416は比較的使いやすいレシーバーと思います。DigiFi No.16で使用されているものとは異なりますが、複数の入力を切換えることが出来ることと、同軸デジタルも外付けの入力アンプ無しで受けれるところがメリットと思います。 | |
| (S/P DIFレシーバーブロック) | |
![]() |
|
| (DAC回路) | |
| PCM5102も大変使いやすいDACチップです。オーディオ出力をそのまま使えるところが良いです。DigiFi No.16で使用されているものよりSNとダイナミックレンジが広いものとしています。 | |
| (DACブロック) | |
![]() |
|
| (電源回路) | |
| 6Vから9VのACアダプターの電圧入力を想定した回路構成としています。ここまでする必要もないかとは思いましたが、3.3Vの電源はデジタル用、アナログ用、ロジック用の3系統を準備しました。定番のノイズフィルターも合わせて付けています。 | |
![]() |
|
| (全体の接続図) | |
| これらのモジュールを上図のように接続して完成させましょう。こんな感じに仕上がりました。大変良く出来ました。 | |
| (毎回シンプルな前面パネル) | |
| (同軸と光入力の切換えは背面に配置) | |
| (ブロック毎に配置) | |
| 主要電源のラインはφ1.2mmの銅線で配線しています。毎度のことですが今回の製作も重量が少し軽いのでケース内部に重りになる鉄板を忍ばせておきます。 | |
| (同軸デジタルケーブル) | |
| 街の電気屋では最近めっきり同軸デジタルケーブルを見かけなくなりました。でもほんの少しですが高級品(?)を使っておきましょう。 | |
![]() |
|
| (最新のオーディオシステム環境) | |
| PCからのUSBの受けをDigiFi No.15に統一したので、少しですがしシンプルな構成になりました。当然ですが、全てハイレゾ対応となりましたので、安心してハイレゾを楽しむことができますね。 | |
| (私のオーディオシステム環境の全貌) | |
| 合わせてVUメータの表示部を少しリニューアルしました。最新のシステムにふさわしいデザインとなりました。全てがハイレゾ対応ですので、それなりの音源を再生すると、とても良い音に聴こえます。自作のDACも充分太刀打ち出来るものに仕上げることが出来ました。さあ週末は大音量で音楽を楽しみましょう。 | |
| 今年もオーディオが先行する気配ですね。次回にご期待下さい。 | |
|
|
|
|
オーディオクラフト工房へ戻る |
|
|
|
|
|
|