|
|
|
|
更新日:2016年8月18日 |
|
|
|
|
| お待たせいたしました。今回はソースを大公開いたします。このページに初めてアクセスして頂いた方に簡単に今回の製作を説明しておきます。 | |
| (FPGA・MAX10を使用したオーディオ関連機器) | |
| この製作機器の機能は次の通りです。 | |
![]() |
|
| 波形信号発生機能で正弦波・三角波・ノコギリ波・方形波を20Hz〜740kHzまで出力出来ます。周波数カウンタ機能では計測ゲート時間(1sec、100msec、10msec)で6桁の周波数表示が出来ます。信号レベル測定機能で回路の周波数特性が測定出来ます。 | |
![]() |
|
| (前面パネルの操作ボタンなどの配置) | |
| さてお待ちかねのソース大公開です。まずはFPGAのソースです。今までの記事で解説した通り、波形信号発生、周波数カウンタをメインに組み込んでいます。VHDLで記述していますのでお間違えのないように。ベースはCPLD時代のソースを使っていますので、余分なソースも残っていますが気にしないで下さい。「Quartus
Prime 15.1」で開発しました。ソースは皆さんの自由に使って下さい。 FPGA(MAX10)のソースはこちらへ |
|
![]() |
|
| (FPGAの内部構成) | |
| 続いてはPICマイコンのソースです。製作機器の内部には2個のPICマイコンを使っています。まずはメインマイコン側のPICです。 メインマイコンのソースはこちらへ |
|
| サブマイコンは表示のみを行います。 サブマイコンのソースはこちらへ |
|
![]() |
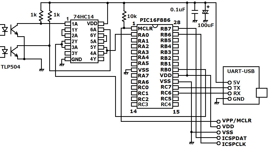
|
| (製作機器の回路図です) | |
| 真中のPICがメインマイコンでその右側のPICがサブマイコンです。 | |
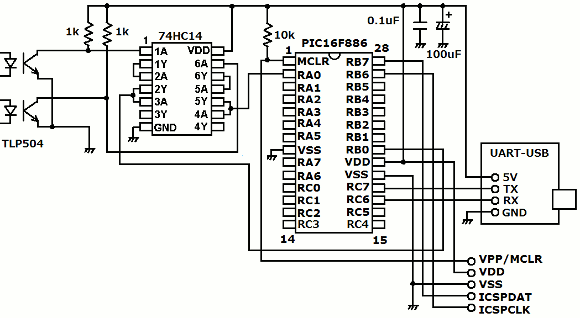
| 製作機器とPCをつなぐためのインターフェイス回路にPICマイコンを使用しています。 インターフェイスマイコンのソースはこちらへ |
|
![]() |
|
| (インターフェイスの回路図です) | |
| PC側でインターフェイスからのデータを受けるVBアプリです。Visual Studio 2015で作成しています。これはソースではなくアプリのexeのみとしました。VB2015のアプリはセキュリティソフトで消される可能性があります。ソフト自体は極めて安全に出来ていますので、消された場合は、その対処法がWEBに記載されていますので、そのように従って下さい。 VB2015のアプリはこちらへ |
|
![]() |
|
| (VB2015のデータ読み込みアプリ) | |
| 最後がVBアプリで受けたデータを表示するエクセルファイルです。使用する時にはマクロを有効にする必要があります。エクセルファイルですので、皆さんの使いやすいように改造して頂いても構いません。 エクセルファイルはこちらへ |
|
![]() |
|
| (データを表示するエクセルファイル) | |
| どのファイルも圧縮してありますので、解凍してから使って下さい。 | |
| 今までの解説記事はこちらにあります。 FPGA(MAX10)でオーディオ関連機器を作ろう(その4) |
|
| FPGA(MAX10)でオーディオ関連機器を作ろう(その3) | |
| FPGA(MAX10)でオーディオ関連機器を作ろう(その2) | |
| 皆さんもこの素晴らしいFPGA(MAX10)で楽しい製作を進めて下さい。とても楽しい世界が広がります。まだまだオーディオネタが続いていきますよ。 | |
|
|
|
|
オーディオクラフト工房へ戻る |
|
|
|
|
|
|