オーディオクラフト工房(103)

更新日:2011年8月18日


最新版デジタル選局AMラジオを作ろう

またまたAMラジオに戻ってきました。今まで製作した短波受信機の大成功を中波受信にも生かしましょう。局発が極めて安定しているので安心して受信が可能です。中波は今までマイコンで周波数を測定していましたが、今回は短波受信機と同じくCPLD基板を使いました。電源回路の工夫(?)もしてとても高感度に仕上がりました。それでは製作をスタートしましょう。
最新版デジタル選局AMラジオを作ろうの基本仕様
1)受信周波数は522kHz〜1620kHzとします。中波帯をカバーします。
2)受信ICはLA1600を使用した上側スーパーヘテロダイン方式です。
3)局部発振は別にVFO回路を組んでLA1600の局発へ入力します。
4)選局ステップは9kHzとします。CH+/-で選局します。
5)選局中はミュート回路が働き、余分なノイズをカットします。
6)周波数表示は16文字2行のLCDモジュールで表示します。
7)プリセットは40chで、外部EEPROMに記憶します。設定、削除が可能です。

8)局発電圧の設定値は受信ごとに補正されて電源OFF時に一括で外部記憶に保存されます。
9)電源ON時は前回の記憶周波数より起動します。

10)局発周波数はCPLDで計測して自動追尾します。
11)ボリューム操作のマニュアル選局モードを搭載しました。
12)CPLDからの周波数は8bitx3回でマイコンに取り込みます。
最新版デジタル選局AMラジオを作ろうの全体構成図
全体の構成図を示します。
(AMラジオの構成)
構成は短波受信機と全く同じです。いまだに「トランジスタ技術2006年4月号」のCPLD基板を使っています。もうすぐ底を尽きますがもう少し頑張ります。
最新版デジタル選局AMラジオを作ろうのチューナー回路図
(AMラジオのチューナー回路図)
今回は局部発振周波数回路に苦労しました。外部局発のコイルに最初赤色のOSCコイルで実験しましたが適度な電圧で望みの周波数を得ることは出来ませんでした。思考錯誤を繰り返してFCZ製の1MHzコイル直列、AM用バリキャップ並列に落ち着きました。周波数の安定度も抜群です。大変申し訳ございませんが、現時点ではFCZコイルは入手困難かもしれませんね。AMラジオは長時間放送を聞くこともあるため音声出力に4.7kΩを入れて後のフィルタで高音のノイズをよりカットしました。バーアンテナ同調のバリキャップはできるだけバーアンテナの近くに置くようにしました。
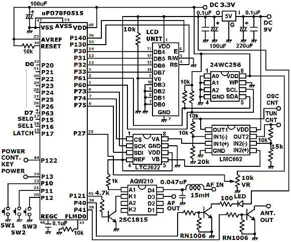
最新版デジタル選局AMラジオを作ろうのマイコン制御回路
(AMラジオのマイコン制御回路)
基本回路は短波受信機とほぼ同じです。バックライトの色を複数にするために個別に1色追加点灯出来る回路としました。AMループアンテナ用の周波数制御も組み込んでいますがこの部分の説明は次回行う予定です。局発制御と同調制御の電圧範囲が異なるのでOPアンプのゲインを少し変えています。マイコンとEEPROMがDC3.3V駆動、DACがDC5V駆動、OPアンプがDC9Vで駆動としています。短波受信機で導入したアナログ的デジタル選局はAMラジオでも重宝します。
最新版デジタル選局AMラジオを作ろうの電源制御回路
(AMラジオの電源制御回路)
効果を信じて電源回路の入力部分にアクティブリップルフィルタを入れてみました。気休め程度かもしれません。当然使用するACアダプターはトランスタイプに限りますが、今回たまたま同じコンセントに携帯の充電器をつないで充電していましたら、電源より莫大なノイズが入るのを経験しました。充電を止めると遠くの局も受信出来るようになったので、コンセント周りも気をつけなければなりませんね。トランジスタは今回よりデジトラ(抵抗内蔵トランジスタ)を使いました。省スペース化に貢献しています。2SC3518、2SA1385は互換品でOKです。私はたまたま手持ち品を使用しました。毎回のように発熱しますので、太い銅線なので放熱を充分にして下さい。
最新版デジタル選局AMラジオを作ろうの音声回路
(AMラジオの音声回路)
私の製作の定番回路です。ヒスノイスが全く無く良好音声アンプです。
最新版デジタル選局AMラジオを作ろうのCPLD回路
CPLD部分は基本的に短波受信機と同じです。但し今回は上側ヘテロダインですので、内部では-455kHzの演算をしています(ちなみに短波受信機は+455kHzです)。詳細はソースファイルで確認下さい。測定周波数はラッチした後8bitデータ3回読み出ししています。このCPLD基板には大変重宝しております。
(CPLD回路のバッファ回路
周波数測定の入力には必ずバッファ回路が必要です。
最新版デジタル選局AMラジオを作ろうのマイコンポート割付
(マイコンポート割付)
AMループアンテナと連携するためのポートも用意しています。次回はこれらを駆使した製作を行う予定です。
最新版デジタル選局AMラジオを作ろうのモード操作
(モード操作一覧)
操作は短波受信機と全く同じです。私のラジオ操作の定番とします。
最新版デジタル選局AMラジオを作ろうの液晶表示
(液晶表示一覧)
有名放送局名を簡単に表示します。場所が特定出来る周波数については場所も表示します。例えば上記は「ニッポン放送」「東京」を意味します。
最新版デジタル選局AMラジオを作ろうの隠しモード
従来と同じように、最初の操作時前に「AUTO SCAN」モードを実行して下さい。電源投入時(SW4押し)にSW2を同時押しすることでモードに入ります。ここでは全ての周波数において同調する局発電圧を自動的にスキャンしてマイコンに記憶します。それ以降の選局時の時間が短縮出来ます。一旦マイコン内部記憶した局発制御電圧のデータは電源OFF時(SW4押し)に全てEEPROMに一括記憶します。
最新版デジタル選局AMラジオを作ろうのEEPROM割付
(EEPROM割付)
40ch分のプリセットと全周波数の局発制御電圧を外部記憶しています。
最新版デジタル選局AMラジオを作ろうの局発・同調設定データ
(局発設定データと同調設定データ)
毎度おなじみのグラフです。局発は極めて直線で大変良く出来ました。
最新版デジタル選局AMラジオを作ろうの大完成の姿
(ほぼ定位置の配置で内部分離して配置しています)
CPLD回路、マイコン回路、チューナー回路をブロックにしてそれぞれの影響を受けにくくするためにアルミ板で分離配置しています。
(チューナー回路、マイコン回路です)
DAC出力にはLCフィルターを付けました。
(CPLD入力バッファ回路、電源回路)
電源回路のトランジスタの放熱が2ヶ所になりました。
(CPLD回路です)
これは何かのお下がりです。本当に優れた基板ですよね。
(マニュアル選局とボタン選局時の表示です)
購入した時の液晶バックライトは青背景の白文字でした。バックライト用のLEDを取り外して強引に赤色と白色のLEDを追加しました。通常表示は赤色でマニュアル同調時のみ青背景のピンク文字となります。皆さんもいろんな色で試してみると面白いですよ。
(プリセット選局時の表示です)
(こんな感じに仕上がりました)
最新版デジタル選局AMラジオを作ろうのCPLDソフト
ソースファイル一式はこちらからダウンロードして下さい。フォルダごと圧縮しています。全ファイルが入っています。ライタで書き込みする実行ファイルも含まれています
最新版デジタル選局AMラジオを作ろうのマイコンソフト
ソースファイル一式はこちらからダウンロードして下さい。フォルダごと圧縮しています。全ファイルが入っています。ライタで書き込みする実行ファイルも含まれています
久しぶりのAMラジオでしたが、これが私の製作では究極の姿だと思います。やはりマンションの中では満足に受信出来ませんので、AMループアンテナとの連携が必須になります。前回製作のAM/FMラジオもありますので、次回はこのふたつのAMラジオをひとつのループアンテナで使えるようにします。電池パック(?)をつなげるようにするとどこでも持ち出せるので、屋外で受信するのもまた楽しいかもしれませんね。大阪と私の自宅の付近でしか受信したことがありませんからどこか遠くの土地で一度受信してみたいものです。ラジオ受信機製作は何度しても楽しいものです。まだまだアナログ放送が続くことを祈っております。
これからもオーディオクラフト工房はどんどん楽しくなっていきます。

オーディオクラフト工房へ戻る