|
|
|
|
更新日:2015年5月20日 |
|
|
|
|
| 私のオーディオシステムのデジタルアンプへの入力は2系統のみです。現在は2種類のDACを接続して好みに応じて切換えて使っています。しかしながらこのままでは拡張性に乏しく、今後の製作の範囲が狭くなる懸念がありました。そこで今回入力セレクターを製作しました。さあ、将来ここに接続される機器は何になるでしょう。 | |
| 現在デジタルアンプに2系統の入力セレクターを内蔵しています。大きくこの部分をいじることはしたくないので、外部で拡張する形で入力セレクターを作ります。今回は3入力のセレクターとしました。システムにつながる感じは次のようになります。 | |
![]() |
|
| (入力系統の構成) | |
| デジタルアンプの入力の1系統は機器からのダイレクト接続とし、残りの1系統を入力セレクター経由とします。そうすることで、あと2系統の入力を増やすことが出来ますので、新しいDACや他機器の製作にも意欲が出てきます。 | |
| 私の場合、たまたま3入力としましたが、このあたりは皆さんの環境に合わせて下さい。切換えスイッチを工夫すればより多くの入力を切換えることも可能になります。 | |
![]() |
|
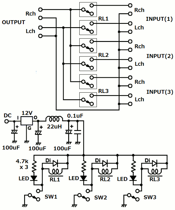
| (入力セレクターの回路図) | |
| 原理は非常に簡単です。単純にリレーで入力を切換えています。どのリレーを選択するかをロータリースイッチで選択しています。選択されたリレーのみ電流が流れて回路を接続します。私の場合手持ちにDC12Vのリレーがあったので、そのように回路設計しています。 | |
| (こんな風にシンプルな外観) | |
| 他製作機器と操作ノブ(今回はロータリースイッチ)の位置を合わせることでシステム全体をコーディネートしています。とても高級感ある仕上がりになりました。 | |
| (背面もとてもシンプル) | |
| (内部構成) | |
| 電源回路とリレー回路が配置されたとてもシンプルな内部構成です。切換えリレーを入力端子群の近くに配置することで信号の劣化を防いでいます。全体の重さを稼ぐために、金属プレートを貼り付けました。 | |
| (ロータリースイッチで切換え) | |
| 入力セレクターを組み込んだオーディオシステム構成です。 | |
![]() |
|
| (最新のオーディオシステム構成) | |
| 現在入力セレクターに接続されているのはDAC1のみです。入力はあと2系統あいていますので、さあ急いで何を作るかを考えなくてはなりません。 | |
| (最新のオーディオシステム全景) | |
| 随分立派なシステムになりました。最近は全てCDデータをFLACデータに変換したものを再生して音楽鑑賞をしており、mp3はスマホや携帯オーディオ機器で再生するだけとなりました。もともとCDの音は結構良い音ですので、良いシステムで再生することでその魅力を再発見出来ると思います。もちろんハイレゾデータも高音質で聴いてます。 | |
| まだまだオーディオ関連の製作が続きそうな気配ですね。 | |
|
|
|
|
オーディオクラフト工房へ戻る |
|
|
|
|
|
|