|
|
|
|
更新日:2019年4月9日 |
|
|
|
|
| 本当に久しぶりのオーディオ機器の製作です。今回はオーディオルームAのメインアンプを新しいものに交換いたします。出来たてのホヤホヤですので、使いこなしはまだこれからですが、少しずつエージングを進めて行きたいと思います。それでは製作をスタートしましょう。 | |
![]() |
|
| (デジタルアンプの回路構成) | |
![]() |
|
| (テキサスインスツルメンツ製TPA3116D2) | |
| TI製のD級アンプIC・TPA3116D2を使用します。私にとっては初めてのICですが、世間ではそこそこ有名なICと思います。仕様中には明確にはうたってはいませんが、ハイレゾ帯域も充分増幅出来るICと思います。BTL接続していますので、電源電圧次第で50Wの出力が可能ですが、今回はDC15VのスイッチングタイプのACアダプターを使いますので、それなりの出力になってます。ICはマルツから簡単に購入することが出来ます。自作派には便利な世の中になりましたね。 | |
![]() |
|
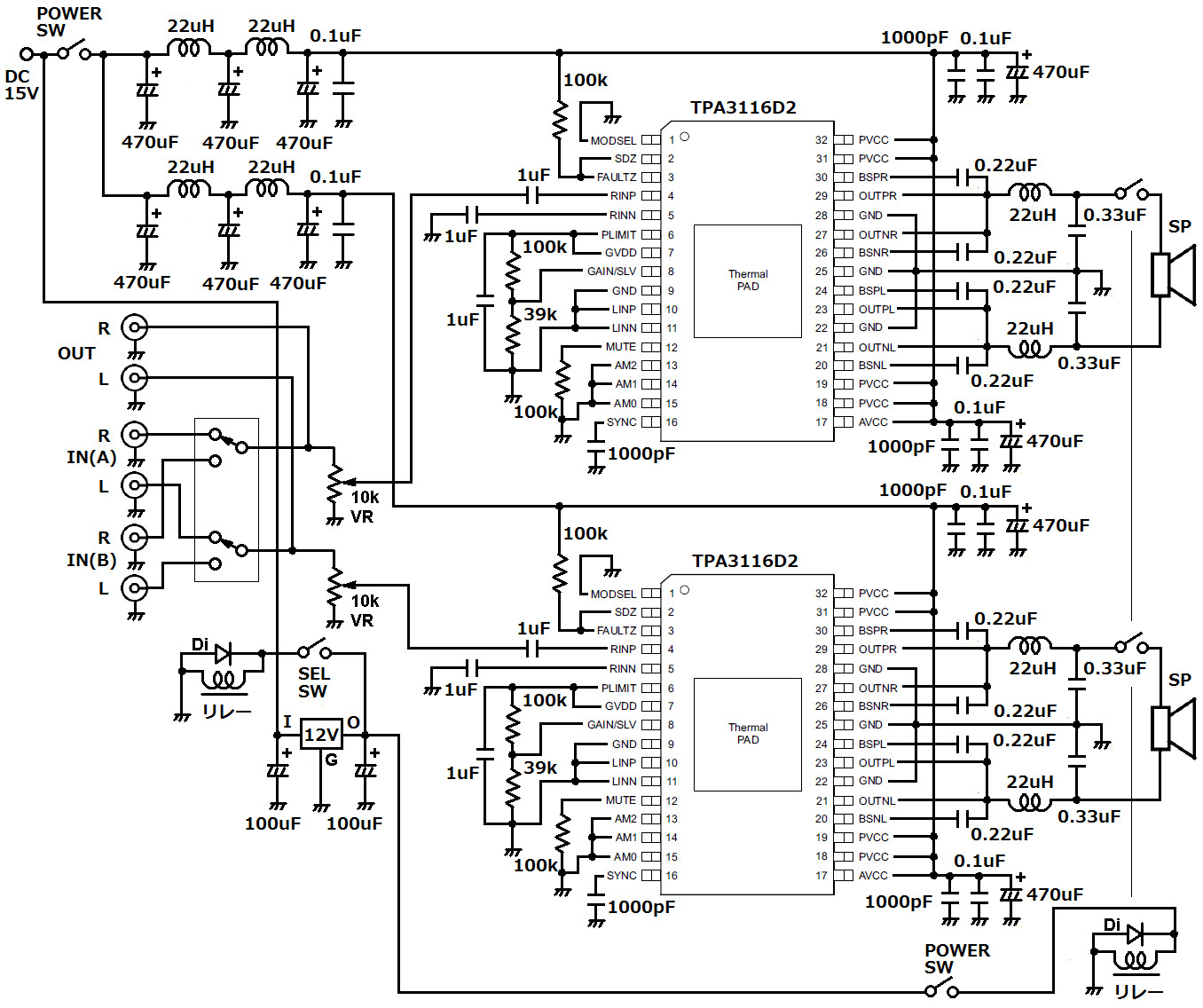
| (デジタルアンプの全体回路図) | |
| アンプを置き換えですので、同じように入力系を2系統設けています。切換えスイッチでリレーを切換えて入力を選択しています。リレーを入力部付近に配置することで、切換えのロスを無くしています。電源回路のノイズフィルターはL/R用それぞれに独立しています。電源周りからのノイズをを極力抑えています。アンプはBTL接続で使用していますので、基本的には電源ON時のポップアップノイズは発生しません。しかし電源OFF時にボツ音が出ます。これを防ぐ為にスピーカー接続の部分をリレーでON/OFFしています。電源スイッチは2系統が同時にON/OFF出来るものを使用します。アンプICには今回DC15VのACアダプターを使いましたが、ICのスペック的には24Vもものでも大丈夫と思います。切換に使用するリレーはDC12Vタイプですので、12Vのレギュレータで定電圧化しています。リレーは大電流が流せるパワーリレーを使います。入力ボリュームはオーディオ用の高級品です。 | |
![]() |
|
| (ゲインの設定) | |
| 少し変わったICのようでマスター・スレーブの設定が可能ですが、マスター側に設定します。ゲインは抵抗値で設定します。上図を参考にして下さい。 | |
![]() |
|
| (発振周波数の設定) | |
| 3つの端子を使用して発振周波数を設定することが出来ます。今回は標準の400kHzとしました。問題はないと思います。 | |
| (変換基板) | |
| 0.65mmピッチ32ピンのICですので、上図のような変換基板を使用します。 | |
| (GNDパッドが上面にあるタイプ) | |
| 今回のICが自作派にとって嬉しいのは放熱用のパッドが上面にあることです。底面にあると素人でははんだ付けが困難ですが、上面にあることで簡単に放熱が出来ます。 | |
| (電源フィルター含めてアンプ基板はL側R側と分けます) | |
| 基板はLとRを明確に分けました。電源のノイズフィルターも分けています。ちょっと基板にスペースが残っていますが、これ以上小さい基板に乗せるのは不可能と思います。ケースに入れるとぎりぎりの寸法ですね。 | |
| (ヒートシンクです) | |
| 変換基板の端子位置関係からヒートシンクは上図のようなものになります。20mm x 20mmのものです。どれ程の効果かはこれからですが、ひとまずこのサイズしか乗せることは出来ません。 | |
| (ヒートシンク用シリコン接着材) | |
| ヒートシンクには放熱用の両面テープが張り付いていますが、それは剥がして頂いて、専用のシリコン接着剤で固定するのが良いと思います。しっかりと固定することが出来ます。 | |
| (芸術的な内部配置構成) | |
| どうでしょう。ケースにピッタリと配置出来ました。ヒートシンクの彩りも良いですね。配線も大変よろしいのではないでしょうか。 | |
| (前面から見た内部) | |
| (背面から見た内部) | |
| 我ながら芸術品に惚れ惚れとしております。RCAジャックは絶縁タイプのものを使用します。無駄に他の穴が開いていますが、古いのを改造して製作していますので、いつもながらその辺りはご理解下さい。 | |
| (シンプルな前面) | |
| (密集している背面) | |
| 入力が2系統、選択した入力をそのままスルーする出力が1系統あります。オーディオルームAのメインアンプをこれに置き換えます。どのような音が出るかはこれからじっくり色んな音楽を聴いて感じることにします。まずは無事に製作が完成したことをお伝えいたします。楽しみですね。 | |
| 新しい年号も発表されました。次の時代も引き続きオーディオクラフト工房をよろしくお願いいたします。まだまだネタはありますよ。ご期待下さい。 | |
|
|
|
|
オーディオクラフト工房へ戻る |
|
|
|
|
|
|