|
|
|
|
更新日:2018年11月6日 |
|
|
|
|
| オーディオルームBで使用するヘッドフォンアンプを作ります。以前に作製したBASS BOOST付き光デジタル入力ステレオアンプに接続するシステムになります。 | |
![]() |
|
| (テキサスインスツルメンツ社製ヘッドフォンアンプIC:TPA6120A2) | |
| ヘッドフォンアンプとしては定番のTI製TPA6120A2を使用します。周辺部品が少なく、ストレートな音がしてとても良いICと思います。 | |
![]() |
|
| (ヘッドフォンアンプの回路構成) | |
![]() |
|
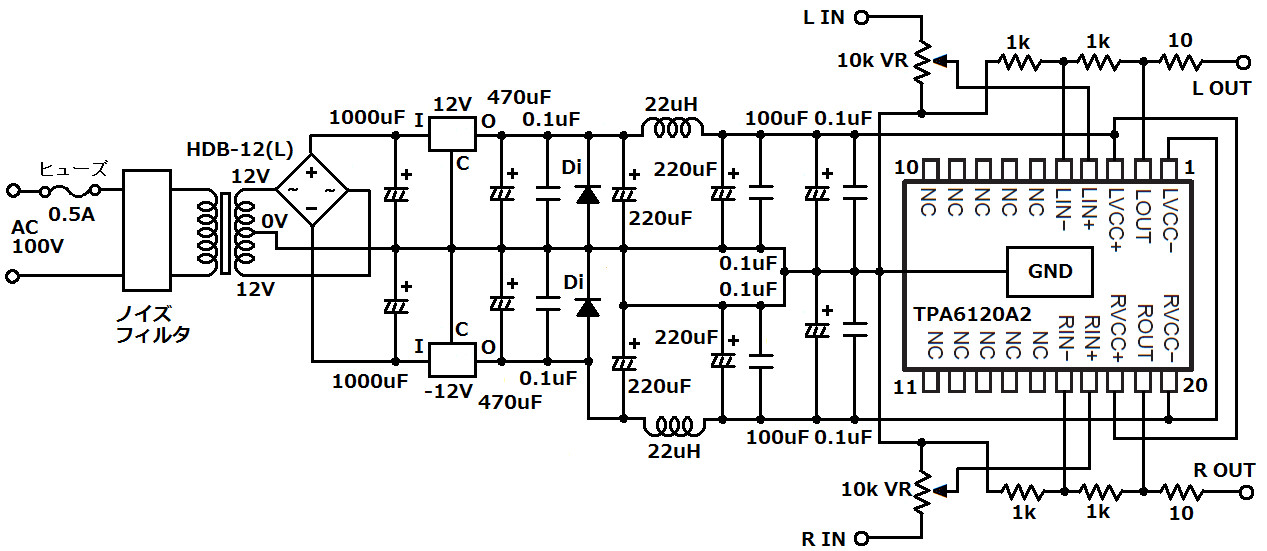
| (ヘッドフォンアンプの回路図) | |
| ヘッドフォンアンプは電源が重要です。いつもの通り電源はAC100Vからトランスで構成します。これで両電源が出来るのでアンプICの駆動が出来ます。 | |
| (共立で購入したトロイダルトランス・ HDB-12(L)) | |
| 12V出力が2系統取り出せるトランスです。オーディオ用として大変使い易いトランスと思います。また低背ですので、小型ケースへの組み込みが可能です。100V側に余る線がありますのでこの線の絶縁を正しくする必要があります。 | |
| (AC側のノイズフィルター) | |
| 100V側にはノイズフィルターを取り付けます。おまじないかもしれませんが。 | |
| (電源回路基板) | |
| 電源回路基板です。整流と±12Vの電源回路を構成します。DCフィルタ回路を搭載して、電解コンデンサは低インピーダンス品を豊富に使用しています。オーディオ回路には必須です。 | |
| (ヘッドフォンアンプIC用基板の改造) | |
| このヘッドフォンアンプICにはGND端子がありません。IC底面のパッドよりGNDを取るので基板に角穴を開けておく必要があります。 | |
| (ヘッドフォンアンプ回路基板) | |
| こうして組み立てるとかなりシンプルな構成になります。 | |
| (ヘッドフォンアンプ回路の裏面) | |
| ICのGNDは太目の銅線をはんだ付けして接続します。ICの発熱をこの銅線から逃がすことも期待しています。(すみません上の写真は配線の途中です) | |
| (いつもの安定の内部配置ですね) | |
| 電源トランスの100V側の配線には充分気を付けて下さい。100V側の赤線は使用していませんので、短くカットして他の部位にショートしないように熱収縮チューブで確実に絶縁して下さい。ケースへのGNDのアースは必ず一点アースで行って下さい。 | |
| (ボリュームは高級タイプを使用しています) | |
| (とてもシンプルな前面パネル) | |
| 電源スイッチは使っていませんので100V側でコントロールして下さい。 | |
| (背面もシンプルにAC100VとAUX INのみ) | |
| イヤフォンジャック、AUX INのジャックともケースから絶縁されているタイプを使用して下さい。折角一点アースでGNDを取っておりますので。音質向上への狙いです。 | |
| これでオーディオルームBでも高音質でヘッドフォンが楽しめるようになりました。まだまだオーディオクラフト工房は続いて行きます。皆さんも音楽のある生活を楽しみましょう。 | |
|
|
|
|
オーディオクラフト工房へ戻る |
|
|
|
|
|
|