|
|
|
|
更新日:2015年3月19日 |
|
|
|
|
| ここまでの製作で私のオーディオ環境にハイレゾ対応のDACを2種類組み込むことが出来ました。通常はスピーカーで音楽を聴いていますが、正直、細かい部分がどのように再生されているのか気になってきました。確かにハイレゾ対応とすることで音の質が上がったように自分には聴こえています。そこでハイレゾにも対応可能なヘッドフォンアンプを作って体感してみることにしました。夜中の鑑賞には最適かもしませんね。 | |
| WEBでヘッドフォンアンプを検索するといろんな回路を見つけることが出来ます。今回は比較的新しいチップを使って回路を構成します。他の回路と比較することが出来ないので、今回の製作をリファレンスとしてまずは取り組みを始めたいと思います。 | |
![]() |
|
| (テキサスインスツルメンツ社製ヘッドフォンアンプIC:TPA6120A2) | |
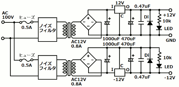
| ハイレゾ対応のヘッドフォンアンプ専用ICを使います。周辺回路が少なく、歪率が極めて小さいデバイスです。このICは両電源を必要としますので、まずは電源ユニットを作ることから始めましょう。AC100Vからトランスを介してDC12Vを取り出す回路です。 | |
![]() |
|
| (電源ユニット:DC±12V回路図) | |
| トランスとノイズフィルタは手持ちのものを使いました。ノイズフィルタは正直どれほどの効果があるかは良く判りません。気持ち程度かもですね。中間タップがあって12Vが2系統取り出せるトランスがあれば2個も使う必要はありません。皆さんで工夫してみて下さい。 | |
| (トヨズミのトランス:HT-1208を2個使用) | |
| (TDKのACラインノイズフィルタ) | |
| 電源の取り出しは3pinのDINコネクタを使います。3pinを間違えないように挿せば良い訳で、DINにこだわる必要はありませんが。両端にはクランプコアを嵌めてみました。 | |
| (自作した電源ケーブル) | |
| 今回はトランスの高さが影響するので、いつもの製作よりひとまわり大き目のケースに組み込みました。電源のインジケータをLEDで配置しています。 | |
| (電源ユニット:極めてシンプルな前面のデザイン) | |
| (電源ユニット:電源出力のみの背面デザイン) | |
| どの電圧がどこから出るのかを判るように記しておきます。 | |
| (電源ユニット:バランスの取れた内部配置) | |
| それではヘッドフォンアンプユニットのほうを作っていきましょう。 | |
| (TI製TPA6120A2) | |
| 今回使用するヘッドフォンアンプICは部品底面に放熱接続用のパッドが配置されています。WEBの記事を読むとICは結構な発熱をするようですので、きっちり熱を逃がす工夫をしておきましょう。 | |
| (ピッチ変換基板のセンター付近に角穴を開けておきます) | |
| 穴を開けた基板の底面からパッドが見えるようにしておき、後で放熱の配線処理を行います。このパッドは電気的にはGNDに接続します。 | |
![]() |
|
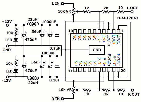
| (ヘッドフォンアンプユニット回路図) | |
| 両電源回路にノイズフィルタを構成して電源からのノイズを極力防ぐようにしています。回路がシンプルですので、素直な再生音を期待しましょう。 | |
| (ヘッドフォンアンプ回路の実装状態) | |
| 電解コンデンサは一応、音響用といわれるものを使っていますが、効果のほどは良く判りません。おまじない程度に考えておくほうがよいのかもしれません。 | |
| (パッドからの放熱) | |
| ICのパッドにはφ1.6程度の銅線をはんだ付けして基板から少し浮かすようにしてGNDへ配線しています。銅線を経由してIC熱を空間に放熱します。 | |
| (ヘッドフォンアンプユニット:シンプルな前面パネル) | |
| ヘッドフォンのジャックはφ6.3標準タイプのものを挿せるようにしました。ケースから絶縁出来るタイプを使いました。他機器とのデザインを統一するために、LED、電源スイッチ、ボリュームの位置を合わせています。 | |
| (ヘッドフォンアンプユニット:背面のデザイン) | |
| 過去の製作のケースを流用していますので、余分な箇所に穴が開いていますが気にしないで下さいね。RCAジャックもケースから絶縁出来るタイプを使いました。 | |
| (ヘッドフォンアンプユニット:シンプルな内部構造) | |
| 少しでも音質を劣化させないために今回入力ボリュームにはオーディオ用を初めて使いました。価格は高かったですがそれなりの効果(?)はあったと思います。いつものように重さを増すために内部に金属プレートを貼り付けています。 | |
![]() |
|
| (最新のオーディオシステム環境) | |
| ヘッドフォンアンプユニットは上図のようにDAC2とデジタルアンプの間に接続しています。DAC2は自作ですので、自作の音を思う存分楽しむことが出来ます。その使用感としては、まず無音時にノイズを全く感じることがなくとても静かです。その中で聴こえてくる音はとても素直に聴こえます。このICを使用されている皆さんが感じておられることと同じように高音はとても明るく感じます。また低音も豊かです。ボリュームは少し控えめのほうが良いかもしれません。まだひとつのヘッドフォンでしか聴いてきませんので、他のものでも試したいと思います。この製作、作って大正解でした。皆さんもトライしてみて下さい。 | |
| (最新のオーディオ環境の全貌) | |
| 私のオーディオ環境もどんどんリニューアルしてきています。常に楽しい良い音の再生を目指してまだまだグレードアップして行きます。さて次もオーディオの製作でしょうか。ご期待下さい。 | |
|
|
|
|
オーディオクラフト工房へ戻る |
|
|
|
|
|
|