|
|
|
|
更新日:2023年3月17日 |
|
|
|
|
| 最近はアナログプレーヤーを重点的にいじっていたので、今回はフォノイコライザーの電源回路をいじります。基板化することでGNDが強化されますので、フォノイコライザーには最適(?)なのではと思います。 | |
| (現時点のフォノイコライザーの中身) | |
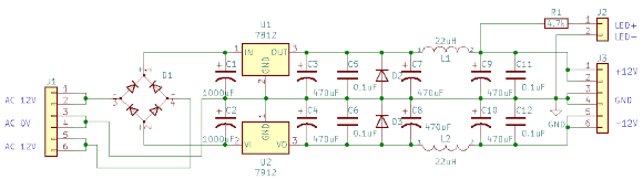
| すでにイコライザーの部分は基板化してあり、更にプレーヤーから発生していたノイズも消すことが出来たので、今回電源回路を基板化することで、アナログプレーヤー関連の製作は一旦完結します。電源回路の回路図は次の通りです。 | |
![]() |
|
| (フォノイコライザーの電源回路) | |
| 両電源12Vの回路です。正電源用と負電源用のレギュレータで構成し、ノイズ低減用にLCフィルターを出力部に設けています。両電源回路の標準基板として他の製作にも今後使う予定です。 | |
| (電源回路を基板化) | |
| 今回も基板はPCBWayさんにお願いしました。今回は早かったです。1週間程度で大陸から着弾しました。レジスト色は私の好きな青色にしています。 | |
| (手前は負電源用のICが見えています) | |
| 後で判ったことですが、この写真には間違いがありました。負電源用のICの取り付け方向を間違っていました。ピン配置は回路図作成時に確認していたのですが、パターン設計時に方向を間違えていました。結局動作確認時に発覚したので、表裏反対に付け直しています。 | |
| (こちら側が正電源用のICです) | |
| 電解コンデンサは黄金に輝くオーディオ用を使用しています。セラコンはリードタイプにしています。ブリッジダイオードは面実装品です。過去に使った部品を使用すると、パターン配線が結構楽に出来ます。 | |
| (とても上品な内部仕上がり) | |
| アナログプレーヤーからのGNDと接続するために、1点アースとしています。ケース底面のネジ穴は塗装を剥がして、ネジを経由して回路のGNDからケースに落としています。 | |
| (前方から見た中身) | |
| 全ての回路が基板化出来たのでまるでプロ(?)の仕上がりですね。自作機器でもこのように定期的にメンテナンスすることで、長く保つことが出来るようになります。基板をこれほど低価格で提供してくれる大陸の方々には感謝しかありません。もうユニバーサル基板には戻れません。ちょっと大袈裟ですかね。 | |
| (後方から見た中身) | |
| トランス内蔵なので、これだけでも充分重たいのですが、左右のバランスを近づけるためにおもりを貼り付けています。RCAジャックは絶縁タイプでアルミケースからは浮いています。1点アースですので、ここは重要なポイントです。 | |
| 早速オーディオシステムに組み込んでアナログレコードを鑑賞しました。う〜〜ん。良い音です。ノイズ感は全くありません。音がより瑞々しくなりました。あくまでもフラシーボ効果とは思います。まだまだオーディオクラフト工房は続きます。 | |
|
|
|
|
オーディオクラフト工房へ戻る |
|
|
|
|
|
|