|
|
|
|
更新日:2018年9月22日 |
|
|
|
|
| 久しぶりの登場です。今回はオーディオ用周波数特性測定器を作ります。あれ?前に作ったことありましたよね。って言われると思います。そうです、以前にFPGAを何かに応用しようと測定器を作りましたが何か納得していないところがありまして、今回はもっと簡単に作れる内容にいたしました。 | |
![]() |
|
| (今回製作したオーディオ用周波数特性測定器) | |
![]() |
|
| (測定器の構成概要) | |
| 今回は正弦波の信号発生と信号レベル測定を内蔵しています。周波数は20Hz〜1MHz、振幅は約2Vp-pまで出力が可能です。周波数ステップはレンジによって異なりますが最小1Hzステップが可能です。オーディオ用としては充分な内容と思います。 | |
![]() |
|
| (内部構成のブロック図) | |
| 正弦波はDDS回路モジュールを使用します。OPアンプを通して出力します。LOGアンプ回路は電子工作の実験室:http://www.picfun.com/を参考にさせて頂きました。この場をお借りして作者の方に感謝いたします。測定データは前回と同じようにPCに接続してグラフを表示します。発振周波数と信号入力レベルはOLEDモジュールに表示します。 | |
![]() |
|
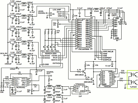
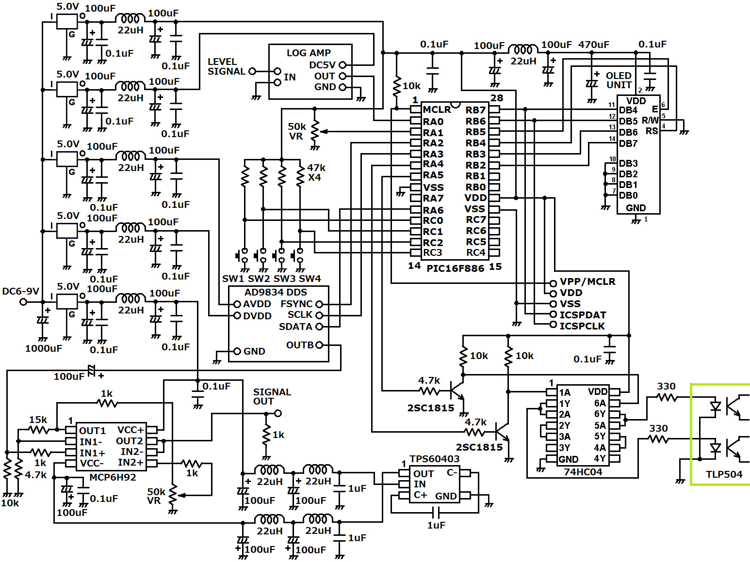
| (内部回路詳細ブロック図) | |
| 電源回路はLCフィルターでノイズ対策をしています。対策し過ぎかもかもしれませんが、電源が安定することで綺麗な波形が出力されることを期待します。メイン制御はPICマイコンで行います。定番のPIC16F886です。 | |
![]() |
|
| (周波数特性測定器の回路図) | |
| LOG AMPの回路は載せられませんがAD8310を使用します。この手のICは最近マルツで購入出来るようになったので大変便利ですね。DDSモジュールはAD9834を使用します。モジュールで販売されているものを使用すると便利です。出力のOPアンプはMCP6H92を使用します。帯域の広いものを選択しました。単価は思ったより安いです。OPアンプにはマイナス電源が必要ですのでTPS60403を使用します。簡単に使えて便利なのですが、大量のノイズを発生しますので、電源部を強化しています。 | |
![]() |
|
| (PICマイコンのポート割付) | |
| ADコンバータを2ch使っている以外は難しい部分は全くありませんね。PICのソースはここからダウンロードして下さい。周波数特性測定器のPICマイコンソース。 | |
| (DDS回路モジュール) | |
| DDS回路モジュールはストロベリー・リナックスさんから購入しました。原発振の水晶発振器が特注の周波数になっていますので、マイコンからの周波数設定がむちゃくちゃ簡単です。これを購入する手以外は考えられません。このモジュールの使い方で気を付けることは出力をOUTB端子から取るということです。OUT端子から取ると困難に巻き込まれます。説明書を読んでもこのことはどこにも書いてありませんので充分注意して下さい。 | |
| (電源回路モジュール1) | |
| (電源回路モジュール2) | |
| DDSモジュールの動作電圧の関係から回路は全て5Vで統一しています。これほどの数のレギュレータは必要ないかもしれませんが私の場合はこのようにした、とご理解下さい。 | |
![]() |
|
| (SOT-23変換基板) | |
| 今回苦労した部分のひとつです。-5Vを発生するIC:TPS60403は大量のノイズを振り撒きます。いつもはダイセン製の変換基板を使用しているのですが、その場合回路が90度回転しているのでノイズに対して影響が大きすぎることがわかりました。急遽秋月さんより変換基板を購入してマイナス電源部分を作り直しました。電源の入力部分と出力部分にLCフィルターを投入しノイズを撒き散らさないようにすることが出来ました。 | |
| (マイナス5V電源回路の裏面) | |
| 上の写真でタスキに配線してある黄色のパッケージのセラコンの両端子から大量のノイズが出ます。こういう部分は実際に作ってみないと判らないことろですね。 | |
| (マイナス5V電源回路の上面) | |
| LCフィルターにインダクタを大量投入。電解コンデンサは低インピーダンス品です。 | |
| (マイコン回路とデータ出力回路) | |
![]() |
|
| (AD9834の制御) | |
![]() |
|
| (制御信号) | |
![]() |
|
| (出力周波数の計算) | |
| DDSモジュールの制御の詳細はPICのソースを見て頂くとして、上図にポイントを記します。ひとつのデータは16ビットで、周波数設定、周波数レジスタ下位、周波数レジスタ上位の順にICに送り込めれば周波数が設定されます。周波数を出力する時は周波数設定のDB6を「0」、しない時は「1」にすればOKです。 | |
![]() |
|
| (OLEDモジュールの表示例) | |
| 「CONTROL」はボリュームで周波数を設定するモード、「STEP」はボタンで周波数をステップアップ・ダウンするモード、「SWEEP」は20Hzから990000Hzまでスイープするモードです。自動で周波数特性を測る時はこの「SWEEP」モードを使用します。 | |
![]() |
|
| (各ボタンの操作一覧) | |
| まず電源を入れると「CONTROL」モードになります。まだ正弦波は出力されていません。SW1を押すことで出力ON/OFFとなります。またこのボタンを長押しすることで「SWEEP」モードに入ります。隅々まで行き届いたソフトにはなっていませんので、各自で改造されるか、ある程度割り切って使って下さい。 | |
![]() |
|
| (RANGE一覧表) | |
| 周波数のレンジはSW2を押すごとに変化します。ボリュームをマックスにすると上限周波数付近になるようにしています。細かく周波数を調整したい場合はSW3/SW4を押して調整して下さい。オーディオ回路の特性を「SWEEP」以外で測定する時はRANGE2を使用すれば良いと思いますので、その場合は2Hzステップで周波数の調整が可能です。バンドパスフィルタなどの特性を細かく測るときに重宝すると思います。まあ、皆さんが使い易いようにPICのソフトを改良して頂いて構いません。 | |
![]() |
|
| (LTspiceでのシミュレーション) | |
| 実際の回路に使ったOPアンプではありませんが、正弦波の出力回路に間違いがないかを確認するためにLTspiceでシミュレーションしました。ボリューム最大付近で約2.4Vp-pの振幅となりました。シミュレーション上ボリュームの部分はR7,R5で代用しています。ほぼ期待していた通りです。でもここまでの回路に落ち着くまでに結構な日数が掛かりました。私自身もっと勉強が必要と思いました。 | |
![]() |
|
| (内部の回路構成:前方より) | |
![]() |
|
| (内部の回路構成:後方より) | |
| 毎度のことですが何度見ても内部回路の配置と配線は萌えますねえ。私だけかも。 | |
![]() |
|
| (最終形の前面からの姿) | |
![]() |
|
| (最終形の後方からの姿) | |
| ACアダプターは9V程度のトランスタイプを使って下さい。スイッチングタイプは電源にノイズが乗るのでよろしくないと思います。 | |
![]() |
|
| (RANGE2レンジ) | |
| このレンジはMAX周波数が20kHzなので、オーディオのフィルタ特性などを測定するのに便利かと思います。 | |
![]() |
|
| (RANGE6レンジ) | |
| このレンジはMAX周波数が1MHzです。ここまで出力出来ればオーディオ用測定器として充分使いこなせると思います。 | |
![]() |
|
| (STEPモード中) | |
| 「CONROLE」モードからUP/DOWNボタンを押すことで「STEP」モードに入ります。周波数を細かく調整が可能です。最小ステップはレンジによって異なるので上のRANGE一覧表で確認して下さい。 | |
![]() |
|
| (正弦波出力中) | |
| ON/OFFボタンを押すことで正弦波の出力をON/OFFすることが出来ます。出力中は「*」マークが表示されます。 | |
![]() |
|
| (20Hz、192mVp-p出力波形確認) | |
![]() |
|
| (1MHz、2.24Vp-p出力波形確認) | |
![]() |
|
| (1kHz、2.40Vp-p出力波形確認) | |
![]() |
|
| (1kHz、196mVp-p出力波形確認) | |
| さすがにDDSモジュールから出力される正弦波がベースですので、綺麗な波形となっております。全く問題ありませんね。大変良く出来ました。 | |
![]() |
|
| (周波数特性測定の接続の構成) | |
| 「SWEEP」モードで周波数ごとに測定レベルをデータ出力します。その時の構成を上図に示します。前回の測定器のページでも解説していますが、測定器からの出力データは信号アイソレータを経由してインターフェイスを介してPCと接続します。こうすることでPCから発生するノイズをシャットアウト出来ます。 | |
![]() |
|
| (測定器から出力する周波数と測定レベル) | |
| 周波数データ3バイト、測定レベル2バイトのデータをインターフェイスに送り込みます。 | |
![]() |
|
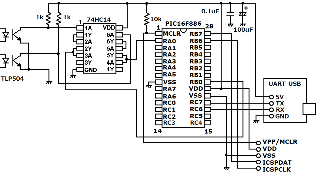
| (信号アイソレータ) | |
| 昔作った信号アイソレータをそのまま使います。フォトインタラプタで絶縁しています。回路図上でTLP504の部品を使っているところです。オーディオのステレオケーブルで接続出来るようにしています。 | |
![]() |
|
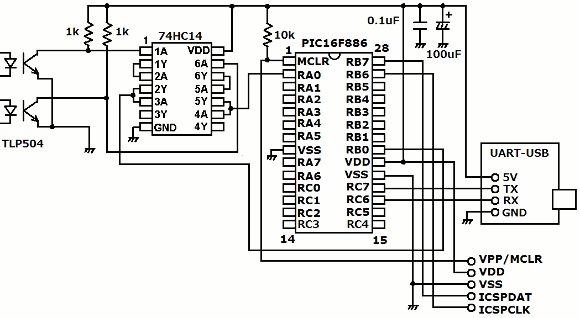
| (インターフェイスの回路図) | |
| (インターフェイス回路の内部) | |
| インターフェイス回路も前回と同じ物を使用します。 | |
![]() |
|
| (インターフェイスから出力するフォーマット) | |
| インターフェイスからはASCIIコードの文字列で出力します。この辺りの説明は前回の製作で説明していますので、こちらも参考にして下さい。インターフェイス用のPICソフトも置いてあります。 FPGA(MAX10)でオーディオ関連機器を作ろう(その5) |
|
![]() |
|
| (出力レベルごとのスルーの周波数特性) | |
| VBのソフトも前回のものと同じものを使用します。さすがに全ての出力レベルで1MHzまでフラットにはなりませんでしたが、オーディオ用として測定するには充分かと思います。このVBのソフトも上記のURLのページに置いてあります。使いこなしはこれからですが、ひとまずは満足できるものが出来たと思っています。内容的に少し走り書きになりましたが、私の製作例を参考にして皆さんもオリジナルの製作に励んで下さい。 | |
![]() |
|
| (実測したdB値と波形の振幅) | |
| 1kHzの周波数で振幅とdBの関係を実測しました。5[dB]=1.778倍ですからほぼ正しい比率になっていることが確認出来ました。 | |
| これからも益々オーディオクラフト工房をよろしくお願いいたします。 | |
|
|
|
|
オーディオクラフト工房へ戻る |
|
|
|
|
|
|