|
|
|
|
更新日:2017年10月4日 |
|
|
|
|
| 久しぶりのオーディオ製作です。今回のオーディオルームCの構成を少し変更します。この部屋で音楽を聴く手段としては、アナログレコードの再生、スマホ音楽データの再生、Volumioによる音楽データの再生があります。部屋で聴くのは最近はアナログレコードが多いのですが、PCの音楽データをたまには聴いてみたいと思うことがあります。Volumioでも同じようなことは出来るのですが、どうも操作が手間取り、すぐ聴きたい時に聴けないという状況がありました。またVolumio側に音楽データを移動するのも時間が掛かります。そこで今回はPCの音楽データを再生出来るように構成を変更しました。それに伴い新たにDDC・DACを作製しましたのでここで紹介させて頂きます。 | |
![]() |
|
| (オーディオルームCの新しい構成) | |
| Volumioの入ったラズパイのDACは一旦、お休みということになります。通常の作業で使用しているPCのデータを再生します。再生ソフトは「foobar2000」です。ハイレゾにも対応出来るので私は使い易い再生ソフトと思っています。今回製作したDDC・DACの内部構成です。 | |
![]() |
|
| (今回製作したDDC・DACの回路構成) | |
| DDCは既製品を使用します。音質に定評のある「CM6631A」です。最近はアマゾンでも購入することが出来ますので調達しやすくなりました。 | |
| (ハイレゾ対応DDコンバータ:CM6631A) | |
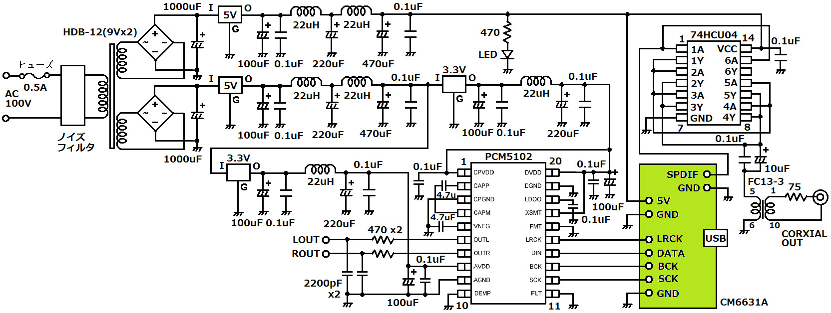
| 写真を見て頂くとすぐに判ると思いますが、この「CM6631A」もいつの間にか成長(?)しておりました。デジタルとオプティカルの出力が省かれています。もちろんDACとはI2Sで接続するので、必要ないといえば必要はないのですが、幸いにもSPDIFの出力は使用出来るようになっていますので、そこは使いたいと思います。今回のDDC・DACの回路図を示します。回路図をクリックすると大きく見えるようにしています。 | |
![]() |
|
| (DDC・DACの回路図) | |
| 今回はACアダプターを使いません。AC100Vにつないでトランスから電源を取ります。こうすることで自分が納得出来る電源回路を構成することが出来ます。もちろん高音質に貢献出来ますよね。DDCの電源はPCからは取りません。今回作製する電源回路から取ります。DDCを改造することも可能ですが、私の場合はUSBケーブルを改造することで対応しています。幸いにもDDC基板には5VとGNDのランドがありますので、そこから電源を供給します。ケーブルの改造ついては後ほど説明します。SPDIF出力はデジタル出力だけ組み込むことにしました。出力の絶縁トランスは共立エレショップで購入しました。取り立てて難しい部分はないと思います。 | |
| (電源回路基板) | |
| DC5Vが2系統取れる電源回路です。電解コンデンサは低インピーダンス品を使用します。コイルはD級アンプのスピーカー部分に使う部品ですが、電流容量が大きいので充分使えます。私の製作はほとんどがそうです。レギュレータが発熱することは無いとは思いますが、一応ケースに熱を逃がせるように配置しています。どちらも正電源です。写真からは±電源に見えるかもしれませんが、配線を工夫しています。 | |
| (電源回路用ノイズフィルター) | |
| ACラインからのノイズを防ぐのにノイズフィルターを使用します。少し高いですがその価値は充分あると思います。 | |
| (トロイダルトランス・HDB-12(9Vx2)) | |
| トランスはオーディオ用トランスととして定評のあるトロイダルトランスを使用します。低背ですので、いつものケースに組み込むことが可能です。このトランスは共立エレショップで購入しました。トランス独特のうなりが出ないのもいいですね。 | |
| (DAC回路基板) | |
| DAC回路は定番の「PCM5102A」を使用します。出力がダイレクトに出ますのでとても使い易いDACです。この基板にはDC3.3Vの電源回路を2系統組み込みます。一応デジタル系といアナログ系を分けているつもりです。ここも電解コンデンサは低インピーダンス品です。写真からはレギュレータが見えませんが、基板の裏面に取り付けています。ここでの放熱はほぼありませんからケースに取り付ける必要はありません。 | |
| (USBケーブル) | |
![]() |
|
| (USBケーブルを改造する) | |
| PCからの5V電源を使わないために、USBケーブルの5Vラインをカットする必要があります。わりと簡単に出来るので少し説明します。 | |
| (PC側コネクタの樹脂を取る) | |
| PC側のコネクタ部の樹脂を取り去ります。ニッパーで樹脂を切り取りながら剥がします。金属の部分は分解出来るようになってますので片側を外して下さい。そして中身を抜き出します。 | |
| (コネクタ中身をから赤色の電源線を取り出す) | |
| シールド部が露出しますので、ピンセットなどでそこをより分けると中のリード線が見えます。そこから赤線だけを少しだけ引き出します。 | |
| (赤色の電源線をカットする) | |
| ニッパーで赤線のみをカットします。後で接触しないように赤線の一部分を取り出して下さい。そしてその端面がシールド線に触れないようにボンドなどを少し塗っておくことをお勧めします。もとの金属ケースに戻して5Vラインが金属ケースに接触していないことをテスターなどで確認しておいて下さい。 | |
| (ブチルゴムテープを巻いて改造完了) | |
| 樹脂部分を取り去っていますので、固定と絶遠も兼ねて、ブチルゴムテープをしっかりと巻いて下さい。これで5VラインがPCとつながっていないUSBケーブルが完成しました。 | |
| (コンパクトに収まった中身) | |
| 中身の配置はあくまでも参考程度として下さい。電源回路基板のGNDは1点アースでケースに落としておくことを忘れずに。電源スイッチを付けていないので、電源のインジケータ用LEDを付けています。このDDC・DACはAC100VのコンセントをON/OFFすることで対応しています。 | |
| (バランス良く配置出来ました) | |
| デジタル出力は別のDACを作った時などに使用することが出来ます。私の場合は以前に作ったDACを接続してハイレゾがうまく再生出来ているかを確認するのに使っています。RCA出力は必ず絶遠タイプを使用して下さい。ちょっとですが高級感が出ます。 | |
| (前面はとてもシンプル) | |
| いつものように前面はとてもシンプルな構成です。アルミ板とボルトネジで装飾することでこちらも高級感が出ますよね。 | |
| (背面も優雅な雰囲気) | |
| さてこのDDC「CM6631A」は私の環境の場合、デバイスドライバーがうまく組み込めませんでした。ここのオーディオルームCにあるPCはWindows7なのですが、DDC・DACに電源を入れてUSBケーブルを挿しただけではデバドラはエラーとなりDDCを認識してくれません。WEBを調べるとダウンロードしてデバドラを組み込む必要があるとのことです。以前にこのDDCを使ったものを作った時はそのようなことはなかったと思っていたのですが、私の記憶違いかもしれません。なんとかWEBからデバドラをダウンロードして組み込んだところうまく認識しました。この部分がうまく行かない方がおられましたら私までメールをお願いいたします。お教えすることが可能です。 | |
| ということでオーディオルームCでもPCの音源データを再生出来るようになりました。先ほど早速新しいハイレゾのデータを購入してその曲を聴きながら今この記事を書いています。音楽が再生しやすくなって、アナログレコードと合わせてこれから益々楽しい音楽生活をすることが出来るようになりました。このDDC・DACも良い音を聴かせてくれますよ。 | |
| まだまだオーディオクラフト工房は続いて行きます。 | |
|
|
|
|
オーディオクラフト工房へ戻る |
|
|
|
|
|
|