|
|
|
|
更新日:2014年3月28日 |
|
|
|
|
| 現在の我が家のオーディオシステムにはUSB-DACが2台あります。内1台がハイレゾまで対応出来るものです。どちらのUSB-DACも使いたいので、デジタルアンプの入力を2系統にして切換えが出来るように改造します。 | |
| 前回のデジタルアンプ(D級アンプ)の製作記事はこちら D級ステレオアンプを作ろう |
|
![]() |
|
| (2台のUSB-DACと1台のデジタルアンプ構成) | |
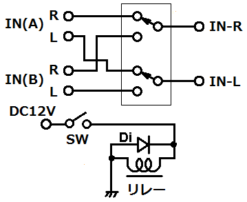
| 2台のUSB-DACは同時に動くことはないので、アンプの入力のケーブルを差し換えて使えば良いのですが、とても面倒なので、スイッチひとつで切換え出来るようにします。 | |
![]() |
|
| (入力切換え回路) | |
| リレーがOFFの時はIN(A)を選択、リレーがONの時IN(B)を選択するようにします。 | |
| (改造を行った前方からの写真です) | |
| 前面に切換えスイッチ、入力端子付近に切換え回路を配置しました。 | |
| (後方から見た写真です) | |
| (こんな感じになりました) | |
| 高音質を目指して日々改良を行っていますが、こんなことに気が付きました。PCからUSB-DACに至るケーブルの中身を記します。 | |
![]() |
|
| (通常のUSBケーブル) | |
| PCから出力されるデータは上記の図で2ピンと3ピンのケーブルを伝わってUSB-DACに入力されます。1ピンが電源で4ピンがGND端子になります。もともとPCからの電源ラインには多くのノイズが乗っているとされており、その電源をUSB-DACに直接入れることは、音質に影響を与えるとされています。そこで私はその電源ラインにノイズフィルターを入れたり、USB-DACへの電源をPCから取らずに外部電源から取るようにして、高音質化を目指してきました。それなりの効果はあったと考えています。しかし、なんです。 | |
![]() |
|
| (USB-DACの電源を外部から取った時) | |
| USB-DACの電源を外部から取ることで、PCのノイズが電源を通して直接USB-DACに入り込むことは無くなります。しかしながらこの状態では、まだ1ピンのケーブルがPC側の電源につながっており、そのラインから2ピンや3ピンピンのケーブルに悪影響を与えそうです(上図の赤矢印部分)。そこで今回1ピンを完全にPCから切り離すことで、他のピンのケーブルへの影響を軽減させます。 | |
![]() |
|
| (完全にPCからの電源を切り離す) | |
| PC側の1ピンのケーブルを出来るだけPC側近くで切ると良さそうな気がします。PC側のUSBケーブルのコネクタを改造して対応しましょう。 | |
| (1ピンのラインのみ切断して元に戻しブチルゴムテープで修繕) | |
| (コネクタのみ新規で購入して配線しブチルゴムテープで完成)) | |
| 如何でしょうか。ケーブルを改良することで、更なる高音質になったような気がします。( プラシーボ効果かもしれませんが・・・) | |
| 空前のオーディオネタ・ラッシュですが、皆さんはついて来てますか。まだまだオーディオで突き進みますよ。皆さんも高音質で音楽を聴いて、日頃の疲れを癒しましょう。 | |
|
|
|
|
オーディオクラフト工房へ戻る |
|
|
|
|
|
|