|
|
|
|
更新日:2006年1月3日 |
|
|
|
|
|
|
|
| 今回はPIC16F88の製作を行います。久しぶりの登場です。前に製作しましたデジタルクロックを少し改造して1日が終わった段階で出力をもらうようにします。その信号で日付表示を駆動させることにします。2039年までのオートカレンダー対応です。それでは製作をスタートしましょう。 | |
| 最初にデジタルクロックから24時になった段階で日付がカウントアップ出来るように信号を出力するように改造します。デジタルクロック表示の輝度調整をやめてその入力ポートを設定の切換えに使います。設定の切換えに使っていた入力ポートを出力ポートにして、日付カウントアップ出力とします。その他に変わりはありません。では回路図を見て下さい。 | |
![]() |
|
| (デジタルクロックの改造後の回路図) | |
| 日付アップの出力は通常Hレベルとしておき、アップ時にLパルスを出力することにします。簡単に出力するためにLパルス幅は時計カウントアップのタイマーのを利用して0.5秒としました。詳細はソースコードを見て下さい。一応ポートの割付を記しておきます。 | |
![]() |
|
| (デジタルクッロク改造のポート割付) | |
![]() ![]() |
|
| (改造したデジタルクッロク) | |
| 日付アップの出力用にジャックを追加しました。 | |
| 改造版のデジタルクロックのソースリストとHEXはこちらです。 | |
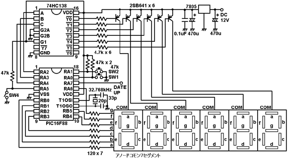
| 詳細の回路図を見て下さい。難しい部分はありませんね。 | |
![]() |
|
| (デジタル日付表示の回路図) | |
| 全てのポートを使っています。PIC16F88でしか出来ないわざですね。 日付のカウントアップ入力はRB7を使います。 |
|
| 1)年号は2006年から2039年まで対応します。 2)もちろん閏年は自動判別します。 3)年号は2ケタ表示、日付は4ケタ表示とします。 4)SW1で日の設定、SW2で月の設定が出来ます。長押しでオートリピートします。年号が表示されている時はSW1が年号の設定になります。 5)SW3で設定モード、通常動作モードの切換えを行います。 6)SW4で年号表示、日付表示の切換えを行います。 |
|
![]() |
|
| (デジタル日付表示のポート設定) | |
| 詳細はソースリストを見て頂くとしてポイントのみ簡単に説明します。 今回のデジタル日付表示には基本変数が3つあります。年号と月と日の変数です。 それぞれ8bitのデータですが、データの表示は10進表記としています。つまり8bitデータで10hと記している場合は「16」を表すのではなくそのまま「10」を表しています。 16進と10進を行き来して計算するのもわかりますが今回は変数の領域が限られているため意図的にそのようにしました。そのため加算という計算を内部ではしていません。すべてテーブルを参照したデータによって加算したデータを求めています。このおかげで内部の処理がかなり簡潔化されたと考えています。 |
|
| 日付アップの基本処理は 1)月が2月か判断する。2月の場合は年号からテーブルデータを読み出し閏年か判断して通年の場合は28日加算テーブルを使用する。閏年の場合は29日加算テーブルを使用する。 2)4月、6月、9月、11月の場合は30日加算テーブルを使用する。 3)それ以外の場合は31日加算テーブルを使用する。 4)それぞれの加算データテーブルから読み出したデータの最上位のビットが「1」であれば月が繰り上がるとして月を加算する。月の加算テーブルから読み出したデータの最上位のビットが立っていれば年が繰り上がるとして年号を加算する。 |
|
![]() ![]() |
|
| (内部は大変シンプルです) | |
![]() ![]() |
|
| (正面と裏面です) | |
| 操作パネルは左より年号切換えスイッチ、月設定アップボタン、日設定アップボタンです。裏面は電源コネクタ、日付アップ出力コネクタ、設定切換えスイッチです。 | |
| では大完成の姿を見て頂きましょう。 | |
![]() |
|
| (完成形外観姿) | |
![]() ![]() |
|
| (年号表示と日付表示です) | |
![]() |
|
| (当然ですが閏年は2月29日まであります) | |
![]() |
|
| (年号は2039年まであります) | |
![]() |
|
| (こんな感じで設置しました) | |
| 毎度おなじみのソースリストとHEXコードです。 一緒に圧縮してありますのでダウンロードしてからじっくり眺めて下さい。 ソースリストとHEXコードはこちらです。 |
|
| 今回の製作はいかがでしたか。あまりオーディオとは関係ありませんでしたが、オーディオクラフト工房の充実に向けては大変役に立つ製作であったと考えています。 今後も引き続き工房に必要と思ったものはどんどん製作していきますね。 |
|
| ここまでの工房の全容をご紹介しておきます。 | |
![]() |
|
| (オーディオクラフト工房作品集) | |
| 工房はどんどん拡張しています。写真からもわかりますように手作りラックにはまだまだ製作しても入るだけのスペースがありますね。なんかウキウキしてきました。 デジタル日付装置も正しく日付を刻んでいるようで良かったです。 |
|
| これからもオーディオクラフト工房はどんどん楽しくなっていきます。 ネタはまだまだあります。今後ともよろしくお願いいたします。 |
|
|
|
|
|
オーディオクラフト工房へ戻る |
|
|
|
|
|
|