|
|
|
|
更新日:2017年2月11日 |
|
|
|
|
| 前回製作したBluetoothコントロールAMラジオは大変重宝しております。ベットに寝ていてもスマホから操作が出来るからです。そこで今回はFMラジオを作りました。最近、AMラジオもFM帯で放送されている地域もありますので、それにも対応しております。今回のFMラジオも大変重宝することでしょう。ステレオですので、音楽の放送も良く聴けますよ。 | |
![]() |
|
| (BluetoothコントロールFMステレオラジオの構成) | |
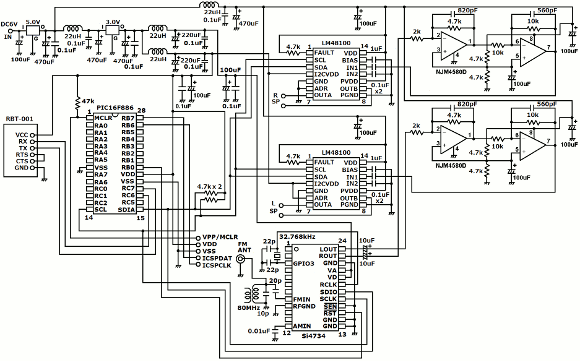
| 大まかな構成はAMラジオと同じです。操作は全てBluetooth経由で行います。ステレオですので、アンプ回路は2系統あります。FMチューナー用のDSPチップは私の定番でありますシリコンラボ製のSi4734を使用しています。私は手元に残っているICを使用しましたが、同じくSi4735も使用可能です。DSPラジオからは少なからず高音帯域にノイズが乗ります。FM放送の質感を損なわない程度にローパスフィルタをかけて聴きやすくしています。今回は青色に塗装しました。車のボディカラーペイントを使うと風格が出ます。 | |
| (BluetoothコントロールFMステレオラジオ) | |
| 最初に回路図を見て全体をつかんで下さい。(クリックすると大きな図面が見れます) | |
![]() |
|
| (BluetoothコントロールFMステレオラジオの回路) | |
| 私がFM放送を聴く環境はケーブルテレビのFM再送を使用しています。FMアンテナでも可能ですが、再送のほうが圧倒的に良い音で聴くことが出来ます。 | |
| Bluetoothモジュールは比較的購入しやすいRBT-001を使用しました。 | |
| (Bluetoothモジュール:RBT-001) | |
| マイクロテクニカさんの「RBT-001」です。お値段が手頃で使い易いと思います。但しこのモジュールのキモは動作電圧が3.0Vであるということです。従って、回路図を見て頂くと判る通り、マイコンとラジオモジュールも3.0V駆動としています。このモジュールの詳しい使い方はWEB上にありますので、皆さんでググって下さい。マイコンとはUARTで接続していますが、設定はモジュールの初期値の通りですので、通信速度:9600bps、データ:8bit、パリティ:無し、ストップ:1bitになります。 | |
| FMラジオはDSPチップのSi4734を使用します。私のラジオの定番ですので過去のページも参照下さい。 | |
| 今回も製作の最大のポイントはアンプ用ICです。前回と同じくTI製の「LM48100」を使用します。出力は1W程度ですが、5Vで操作してI2Cでボリュームがコントロール出来るのが良いですね。今回はステレオなので2個使用します。I2Cアドレスが2種類設定出来ますのでぴったりです。このICの底面にはGNDパッドがあるので、これを接続する必要があります。 | |
| (手持ちの変換基板の中心に穴を開ける加工をします) | |
| GNDパッドが後ではんだ付け出来るくらいの穴ですね。 | |
| (変換基板に実装したLM48100) | |
| このICはI2Cでコントロールします。I2Cのアドレスは次の通りです。 | |
![]() |
|
| ADR端子の設定をそれぞれ違えることでステレオのLとRを制御します。このICはモノラルアンプですが、入力が2系統あります。それを指定する必要があります。ICの電源ONと同時に行います。ボリューム操作と合わせて見て下さい。 | |
![]() |
|
| 入力はINPUT_1を使用しています。ボリュームの操作は5bit(32ステップ)分で行うことが出来ます。このあたりの詳細は後述のPICのソースを見て下さい。 | |
| DSPチップとアンプICとの通信はI2CですがBluetoothモジュールはUARTのシリアル信号です。前回のAMラジオの操作と混在しないように信号の定義を変更しています。 | |
![]() |
|
| (UART信号の定義) | |
| スマホのBluetoothを経由してPICマイコンに送る信号は5文字の文字列で定義します。スマホのアプリは既に世の中に出回っているものを使っています。PIC側に処理を簡単にするために、全ての操作を5文字に合わせています。ご理解下さい。またラジオ側からも文字列を返すので、スマホ側でもラジオの状態が確認可能になっています。 | |
| 受信周波数の設定: 「A」のあとに周波数を4桁の文字列で設定します。受信可能周波数は76.0MHz〜108.0MHzです。最近のAM放送の補完放送も受信可能と思います。0.1MHz単位で設定が可能です。 |
|
| 受信周波数UP/DOWN: ±0.1MHzで設定します。4桁の「0000」はダミー文字です。 |
|
| ボリュームの設定: 上図の通りの設定を行って下さい。ミュートの動作は文字列を送るごとに、ミュートする/しないを繰り返します。ちなみに私はボリュームダイレクトは使用しませんでした。 |
|
| 電源ON/OFF: 実際には全ての電源をOFFすることは不可能です。電源をOFFすることで、アンプICが低電力消費になります。この時動いているのはBluetoothモジュールとDSPチップとPICマイコンです。動作電流は下がると思いますが、完全な気休め程度とお考え下さい。 |
|
| OFFタイマー: 指定経過分後に電源OFFすることが出来ます。文字列を送ることでタイマー機能をON/OFF出来ます。タイマー機能OFF時は「00min」の文字列がスマホに表示されます。設定範囲は60分後までです。もっと長くしたい場合はPICのソースを皆さんでいじって下さい。 |
|
![]() |
|
| (指定するデータの定義内容) | |
![]() |
|
| (PICマイコンのポート割付) | |
| ほとんが空きポートです。このPICは大変使い易いので、重宝しております。 | |
![]() |
|
| (PICマイコンのEEPROM割付) | |
| 電源を抜いても受信周波数とボリューム値はマイコンの中のEEPROMに記憶しています。電源を入れると前回と同じ状態で動作します。 | |
| 今回のケースも12mm合板で作製しました。簡単ですがその図面を示します。各自で合板から切り出して下さい。(図面はクリックすると大きくなります) | |
![]() |
|
| (FMステレオラジオのケース図面) | |
| スピーカーは過去の製作の使い回しです。8cmフルレンジを使いました。 | |
| (TangBand製8cmフルレンジ W3-881SD) | |
| 今は少し末尾が違う品番で発売されていますが、今でも現役で使えるユニットです。ネオジウムマグネットでとても良い音を聴かせてくれます。 | |
| (スピーカーの取り付けに挟むゴムシート) | |
| スピーカーの取り付けには必ず1mmのゴムシートを挟んで下さい。刃の付いたコンパスで簡単に円形を切り出すことが出来ます。ポンチでネジ穴をあけて下さい。 | |
| (電源回路搭載基板) | |
| 大電流が流れるコイルを使用して、LCフィルタを構成して電源から回り込むノイズを抑えています。プラシーボ効果かもしれませんが。 | |
| (フィルター、アンプIC搭載基板) | |
| OPアンプのローパスフィルターでDSPラジオ特有のノイズを抑えています。 | |
| (フィルター、アンプIC搭載基板の裏面) | |
| 変換基板に載せたアンプIC底面のGNDからは太めの銅線でGNDに接続して熱を逃がす効果をさせています。これも気分的なことかもしれません。 | |
| (PICマイコン、DSPラジオ搭載基板) | |
| アンテナを接続する部部には古い手持ちの80MHzのコイルを使用しました。現在であれば他の同等品を使用して下さい。 | |
| (12mm厚合板を切り出します) | |
| (前面板以外の部分を組み立てます) | |
| (スピーカーを取り付ける前面板) | |
| (塗装を行った箱と前面板) | |
| 車のボディーカラーで塗装を行いました。塗装は複数回行い、必ず#400の紙やすりで磨いたあと最後の塗装を行って下さい。これで表面がつるつるになります。 | |
| 前面板を取り外せる構造にしなければなりませんので、前回と同じ金具を使います。 | |
| (これらの金具を使います) | |
| (爪付きナットは内側から打ち込みます) | |
| 前面板との間には1mm厚のゴムシートを張り付けてクッションにしましょう。微妙な段差を吸収してくれます。 | |
| (前面板と箱の取り付け) | |
| このような構造にすることで中の回路のメンテナンスが簡単に出来るようになります。 | |
| (スピーカーがふたつ付くので回路は中心付近に配置) | |
| ステレオでスピーカーがふたつなので、今回は箱の厚みを太くしています。その影響で基板の配置に余裕が出来ましたが、回路は出来るだけ寄せて配置しました。Bluetoothのモジュールは離れたところに張り付けています。 | |
| (背面はDCジャックとアンテナ端子のみです) | |
| 電源はACアダプタを使いますが、必ずトランスタイプを使って下さい。電圧はDC6Vが適切と思います。 | |
| OPアンプのフィルター特性を一応確認しておきます。 | |
![]() |
|
| (LTspiceで回路の特性を確認) | |
![]() |
|
| (LTspiceでのシミュレーション結果) | |
| -3dBで約20kHzですので、ほぼ予測通りです。以前私の作成した機器でも実測をしておきましょう。 | |
![]() |
|
| (実測の結果) | |
| 実測もほぼ同じ結果となりました。とても素晴らしいことだと思います。 | |
| スマホのソフトは前回のAMラジオのものと同じものを使いました。私のスマホはAndroiddすので、Google Playからダウンロードします。 | |
![]() |
|
| (このアイコンのアプリをダウンロードして使ってます) | |
| 16個のボタンが登録出来ますので、使い方は皆さんにお任せします。 | |
| PICマイコンのソースはこちらから。 | |
| 久々の製作でしたが、仕上がりに私はとても満足です。FM放送もとてもクリアに聞こえます。箱を合板で作っていますのでかなり大きな音が出せます。Bluetoothの制御は慣れるととても楽しいです。これからも、もっと楽しい製作を考えていきたいと思います。これからもオーディオクラフト工房は続いて行きます。ご期待下さい。 | |
|
|
|
|
オーディオクラフト工房へ戻る |
|
|
|
|
|
|