|
|
|
|
更新日:2018年4月10日 |
|
|
|
|
| 前回バランス接続に改造したヘッドフォン用のヘッドフォンアンプを作ります。これが正解かどうかは人それぞれと思いますので、何かの参考になれば幸いです。それでは製作にトライしましょう。 | |
![]() |
|
| (TI製ヘッドフォンアンプIC:TPA6120A2) | |
| ヘッドフォン用のアンプには定番のTI製TPA6120A2を使用します。バランス接続ですので左右別々に使用します。周辺部品が少なく使い易いICと思います。 | |
![]() |
|
| (バランス接続ヘッドフォンアンプの回路構成) | |
| オーディオのRCA出力はアンバランスになっています。ヘッドフォンをバランス接続にするためはまず変換のドライバICが必要になります。そのバランス出力をヘッドフォンアンプ用ICで増幅しています。 | |
![]() |
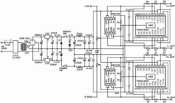
|
| (バランス接続ヘッドフォンアンプの回路図) | |
| 電源回路で±12Vを生成してDCフィルターを通した後、ドライバICとアンプICに印加しています。バランス変換のICの出力に1kΩの抵抗を取り付けています。こうしないと少しノイズが聞こえたのでそのようにしました。この抵抗は付けても間違いはないと思います。アンプICは差動増幅回路になっています。通常の使用に比べて出力振幅が倍増しますのでUSB DACの出力は入力ボリュームをかなり絞っています。 | |
| (共立で購入したトロイダルトランス・ HDB-12(L)) | |
| トランスはオーディオ用の定番トロイダルトランスです。2系統の12Vが出るタイプです。薄型ですので私の製作には結構重宝しております。 | |
| (AC側のノイズフィルター) | |
| 100V側にはノイズフィルターを取り付けます。これも私の製作には定番ですね。 | |
| (電源回路基板) | |
| 電源回路基板です。整流と±12Vの各レギュレータ、DCフィルタ回路を搭載しています。電解コンデンサは低インピーダンス品を使用しています。オーディオ回路には必須ですね。 | |
| (TI製TPA6120A2) | |
| このヘッドフォンアンプICにはGND端子がありません。 | |
| (変換基板のセンター付近に角穴を開けておきます) | |
| ICの底面のGNDパッドを接続する必要があります。ICを載せる基板には必ず上図のように角穴を前もって開けておく必要があります。 | |
![]() |
|
| (TI製バランス出力ラインドライバ:DRV135) | |
| アンバランスをバランスに変換するICです。片CHにひとつずつ使用します。簡単構成にするためにはこのICの選択しかありません。 | |
| (まだ最終調整が出来ていないアンプ基板) | |
| この写真はまだ最終調整をする前のアンプ基板の様子です。ヘッドフォンアンプのICのGND接続を説明するのにあえて載せました。 | |
| (ICのGNDは太めの銅線をはんだ付けして接続) | |
| そうです、裏面がこのようになっていると説明したかったのです。ヘッドフォンアンプのICの発熱をGNDパッドから太い銅線で逃がすようにしています。 | |
| (中身はこんな感じにまとめました) | |
| 電源トランスの100V側の配線には充分気を付けてください。特に100V側の赤線は使用しませんので、短くカットして他の部位にショートしないように熱収縮チューブなどで絶縁して下さい。ケースへのGNDのアースは必ず一点アースでお願いいたします。 | |
| (ボリュームは高級タイプを使用してます) | |
| 少し贅沢ですが、入力ボリュームは高級タイプを使用します。とても安心出来ます。 | |
| (ヘッドフォンジャックは左右個別接続) | |
| ヘッドフォン出力はφ2.5mmのステレオタイプを使用します。ヘッドフォンの改造のところでも説明しましたが、GND部分はヘッドフォンには接続しません。でもGND端子は回路のGNDに接続しておいて下さい。 | |
| (背面はAC100VとRCA入出力ジャック) | |
| 入力のRCAジャックは絶縁タイプを使って下さい。背面には入力・出力と分けていますが、それぞれ並列に接続されていますので、どちらにつないでもOKです。 | |
![]() |
|
| (入力と出力の位相を確認) | |
| 入力と出力の位相が間違っていないか確認をしておきましょう。問題はありませんね。 | |
![]() |
|
| (周波数特性を測定) | |
| 自作の測定器で周波数特性を確認しました。オーディオ領域では全く問題ありませんね。早速オーディオルームCのシステムに接続して音楽を聴いてみました。バランス接続の良さを感じる仕上がりになっております。シンプルですがとても力強い音楽を聞かせてくれます。バランス接続の印象としては各楽器の定位が素晴らしく音楽が広がっているように感じます。ヘッドフォンをしていても全く疲れないと思います。まだまだオーディオは尽きることがありません。これからもいろんな製作を続けたいと思います。 | |
|
|
|
|
オーディオクラフト工房へ戻る |
|
|
|
|
|
|