|
|
|
|
更新日:2011年10月8日 |
|
|
|
|
|
|
|
| 久しぶりにエアーバンド受信機の製作をします。全体的には今までとかわりませんが、なんとか6号機として公開します。今回も音声系のアンプはついていません。ACARS専用とします。やっぱりACARSはやめられませんね。 | |
| 1)受信部の構成はシングルスーパーヘテロダイン+ダブルデコードです。今回復調にはAMラジオの定番のLA1600をストレート受信機として使用します。 2)中間周波数は2.50MHzの下側ヘテロダインです。やっぱりヘテロダインは調整が一番重要ですね。 3)受信周波数は液晶モジュールの16文字2行で表示します。周波数測定は「トランジスタ技術 2006年4月号付録のCPLD基板」を使用します。本当に古い私の製作の使いまわしです。 4)受信周波数はACARS専用とします。その近傍の周波数もプリセットしていますが、私はまだ真剣に聞いたことがありません。マイコンからの制御で常時一定の周波数で受信出来るよう自動調整を行います。 5)受信周波数はプリスケラーで1/64分周してCPLD基板に送り込みます。 |
|
| 全体の概略構成を示します。 | |
![]() |
|
| (エアーバンド受信機の構成図) | |
| アンテナ入力から中間周波数出力までは以前紹介させて頂いた「エアーバンド受信機の実験」の基板を使用します。結局受信機の肝はこの部分でして、この基板は大変良く部品配置が構成されていると思います。調整によっては大変高感度の受信機が出来ます。構成図には「OPAMP」が入ってますが最後には削除しました。紛らわしくて申し訳ございません。 | |
| 今回より復調部にはLA1600を使用しました。このICはもともとスーパーヘテロダインのAMラジオを構成出来る部品ですがこれをストレート方式として使用します。従来より使っていた3端子の復調ICはAGCに難があり、過大な信号に対しては歪む傾向にありました。LA1600はより強力にAGCが効きますのでそれほど信号が歪むことはないと思います。 | |
| (懐かしいラジオの製作の別冊) | |
| LA1600によるストレート方式の受信回路は別冊ラジオの製作を参考にしました。今ではもう書店で見かけることはありませんが、10年以上前に東京の本屋で購入したものです。今でもこのシリーズは私の製作に大変役立っています。 | |
![]() |
|
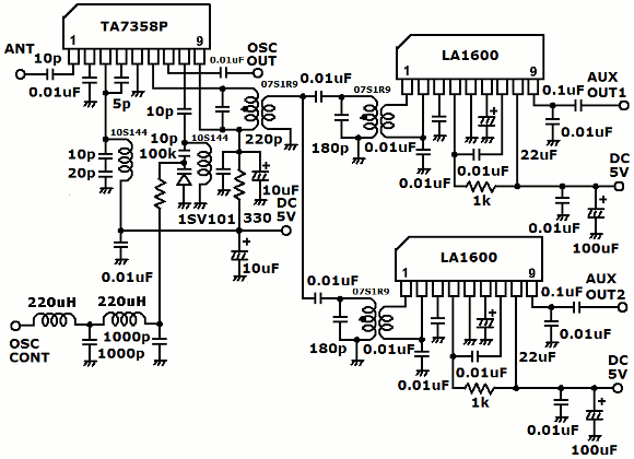
| (エアーバンド受信機回路) | |
| この回路がベスト?かと言われると、?ですが、1ヶ月以上検討した結果ですので、現時点ではベストではないでしょうか。実はTA7358の使い方として局発を外部で行って、ICに注入したのですが、どうしても感度が伸びなかったのです。結局ICで自ら発振させるほうが、綺麗な波形になるのかもしれません。相変わらずダブルデコードしてますが、効果はそこそこ?ですね。 | |
![]() |
|
| (局発の周波数変化) | |
| ほぼ直線で大変良く出来ました。合格? | |
| 相変わらずのCPLDでの周波数測定ですが、読出し方を他の製作と同じく8bit3回読出しに変更しています。 | |
![]() |
|
| (CPLDからの周波数読出し) | |
![]() |
|
| (CPLDの構成) | |
| 局発からの周波数は1/64分周されてCPLDへ入力しますので、内部でも1/64分周回路を入れて見かけ上の周波数を合わしています。(今回は内部回路の掲載はいたしませんので、実際にデータソースを見て下さい。) | |
![]() |
|
| (CPLDのポート割付) | |
| マイコンとの接続は少ない本数でシンプルですね。 | |
![]() |
|
| (1/64分周回路) | |
![]() |
|
| (CPLD入力のバッファ回路) | |
| CPLD関連のソースはここからダウンロードして下さい。全て入ってます。 | |
![]() |
|
| (エアーバンド受信機マイコン回路) | |
| 回路構成はいつもと同じです。今回バリキャップへの駆動電圧は5V以下でしたので、DACの後にOPAMPは入れませんでした。マイコンは3.3V駆動ですが、DACは5V駆動です。お間違いのないように。 | |
![]() |
|
| (マイコンポート割付) | |
| ソースファイル一式はこちらからダウンロードして下さい。フォルダごと圧縮しています。全ファイルが入っています。ライタで書き込みする実行ファイルも含まれています。 | |
| 16文字2行もありますが、表示は極めてシンプルです。動作中は常時局発周波数を下の段に表示します。±2kHz範囲内で常時自動調整しています。 | |
![]() |
|
| (周波数の表示) | |
| 今回もいくつかの周波数をプリセットしていますが、ほぼACARS専用と考えて下さい。周波数を変えると時々コックピットからの無線を聞くことが出来ますが、ACARSの魅力には及びません。個人的な考えですけど。 | |
| (ブロックごとにアルミ板で分割しています) | |
| (周波数分周、周波数変換、復調部です) | |
| (マイコン、電源部です) | |
| (CPLD部です。大変貴重な回路です。トラ技さんまた付録して下さい) | |
| (ACARS周波数を受信中、大変安定しています) | |
| 5号機と一緒に久々のデュアル受信を行いました。 | |
![]() |
|
| (6号機:131.45MHz、5号機:131.25MHz、検出1034、プロット421) | |
![]() |
|
| (6号機:131.25MHz、5号機:131.45MHz、検出1030、プロット394) | |
| そこそこの成績ですね。6号機も合格としましょう。本当はもう少し距離が伸びて欲しいところですが、限界でしょうか。 | |
| そろそろACARS用のハード製作は個人的には限界です。どう工夫してもこれ以上感度が伸びる気配はありませんね。ACARSは受信帯域がある程度広いと131.25MHzも131.45MHzも同時に受信出来るメリットがあります。感度を得るために帯域を狭くすると返って感度が落ちたように感じます。そういう意味も含めて復調部はストレート方式が良いのかもしれません。いつもながらACARS受信は楽しいものです。本当は全国各地で受信したいですね。多分変わった軌跡が見れるのでしょうね。 | |
| 次回はFMラジオに戻る予定です。いろんなラジオ製作を渡り歩いて大変楽しい趣味の生活を続けています。マンネリですが・・・・ | |
| これからもオーディオクラフト工房はどんどん楽しくなっていきます。 | |
|
|
|
|
オーディオクラフト工房へ戻る |
|
|
|
|
|
|